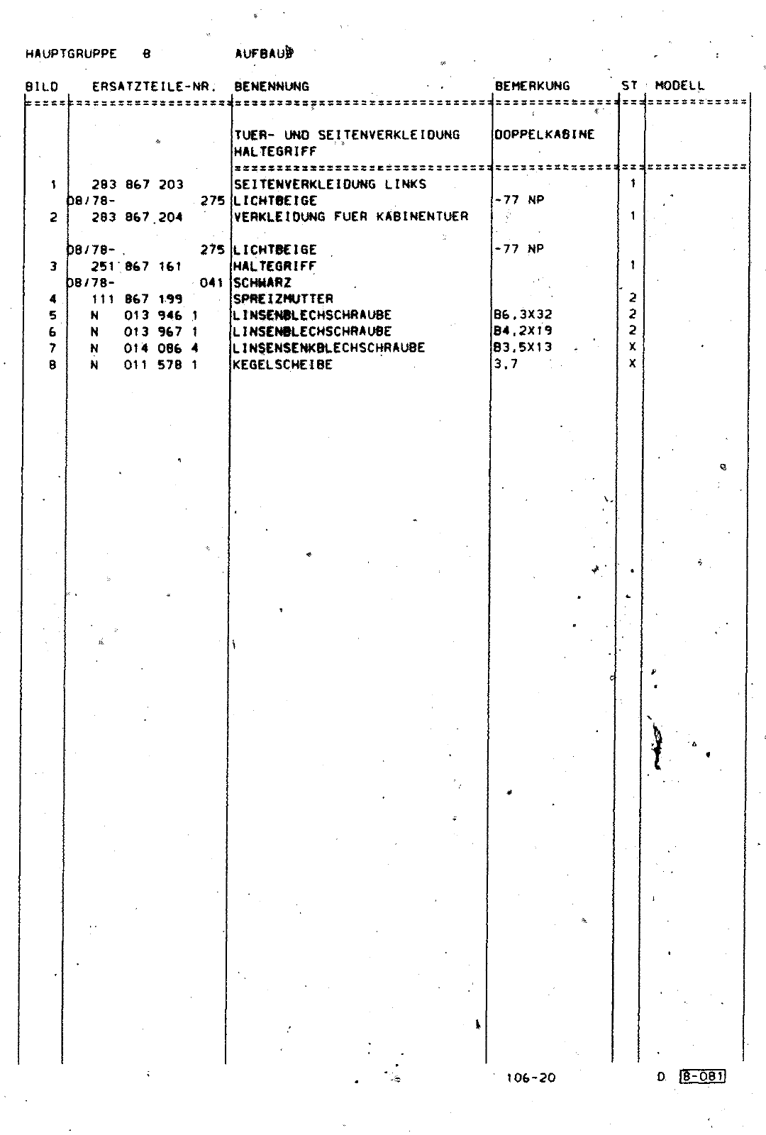
MOD 28 29 3 81 106 20 MOD 28 20 1 81 HAUPTGRUPPE e AUFBAU BILD ERSATZTEILE NR BENENNUNG BEMERKUNG ST MODELL 3 3 8 7 203 1 8 78 283 8 7 204 pe 7 2S1 867 1 1 B 78 111 867 199 27S 275 041 013 946 1 013 967 I 014 086 4 011 578 1 Tuem UNO SEITENVERKLEIDUNG HALTEGRIFF SEITENVERKLEIOUNG LINKS LICWTBEIGE VERKLEIDUNG FUER KABINENTUER LICMTBE16E HALTEGRIFF KMMRZ SPmeiZMUTTER LINWWKECHSCHmAUeE LIN N LECHSCHmAueE LINSENSENKBLECHSCHRAueE KEBELSCHEIBE OOPPELKABINC 77 NP B 3X32 B4 2XH B3 5XI3 3 7 106 20 0 18 0811

Vorschau Lastentransporter LT F-28-D-007 273 Seite 598
Hinweis: Dies ist eine maschinenlesbare No-Flash Ansicht.
Klicken Sie hier um zur Online-Version zu gelangen.