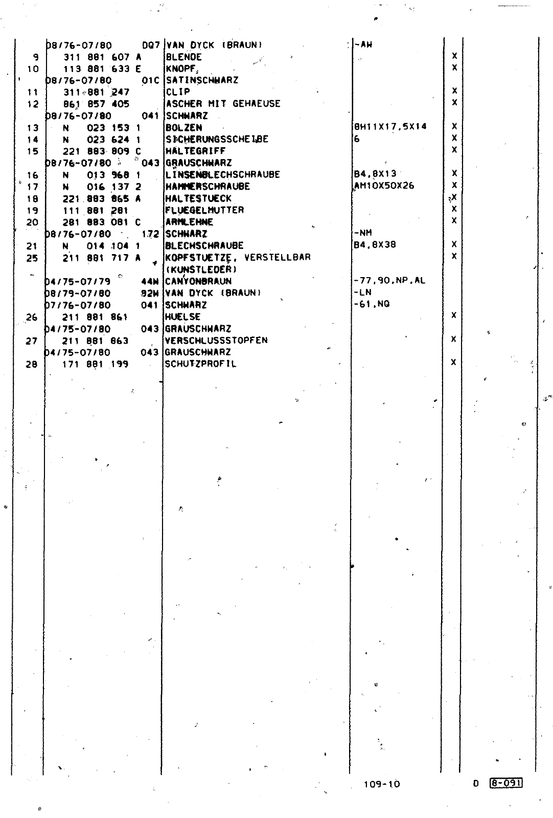
MOD 28 29 1 109 10 L3 25 28 M 9 Qeß gß MOD 28 29 3 81 9 10 11 12 13 1 15 16 17 18 1 20 21 25 27 28 38 76 07 80 311 881 607 113 881 633 a 76 07 80 311 881 J I7 8 J 857 05 a 76 07 80 N 0 3 153 1 N 023 MW 1 221 883 809 C 8f7 07f 0 0Q7 01 c 041 0 3 M3 1 8 016 137 883 865 8M pw 883 081 8 76 07 80 N m4 104 1 211 881 717 N N 221 III 281 172 4 75 07 79 44W 18 75 07 80 8ZW 7 76 07 80 041 211 881 8 1 14 75 07 80 043 211 881 863 14 75 07 80 043 171 881 199 VAN DYCK IBRAUNI BLEMK V SATINSCHWARZ CLIP ASCHER MIT GEHAEUSE SCHWARZ BOLZEN s cwemuN8sscHciee HALTEGRIFF GgAUSCMWARZ LINSEÜ8LECHSCHRAUBE HAMMENSCHRAUBE HWlTtSTUCCK FiyMWLMUTTER AMMLCMNE SCHWARZ BLECHSCMRAUBE KOPfSTUETZg VERSTELLBAR IKUWaTLEOCRI CAKVON0RKUN VAN DYCK IBRAUNI CMWMZ HUtlSE GRAUSCHWARZ VERSCHLUSSSTOPFEN GRAUSCHWARZ SCHUtZPROFIL AW 8H11X17 5X14 6 B4 8X13 fMlÖX50X26 NM B4 8X38 77 90 NP AL LN 61 NO X X X X X X X X X X X X X 109 10 D

Vorschau Lastentransporter LT F-28-D-007 273 Seite 618
Hinweis: Dies ist eine maschinenlesbare No-Flash Ansicht.
Klicken Sie hier um zur Online-Version zu gelangen.