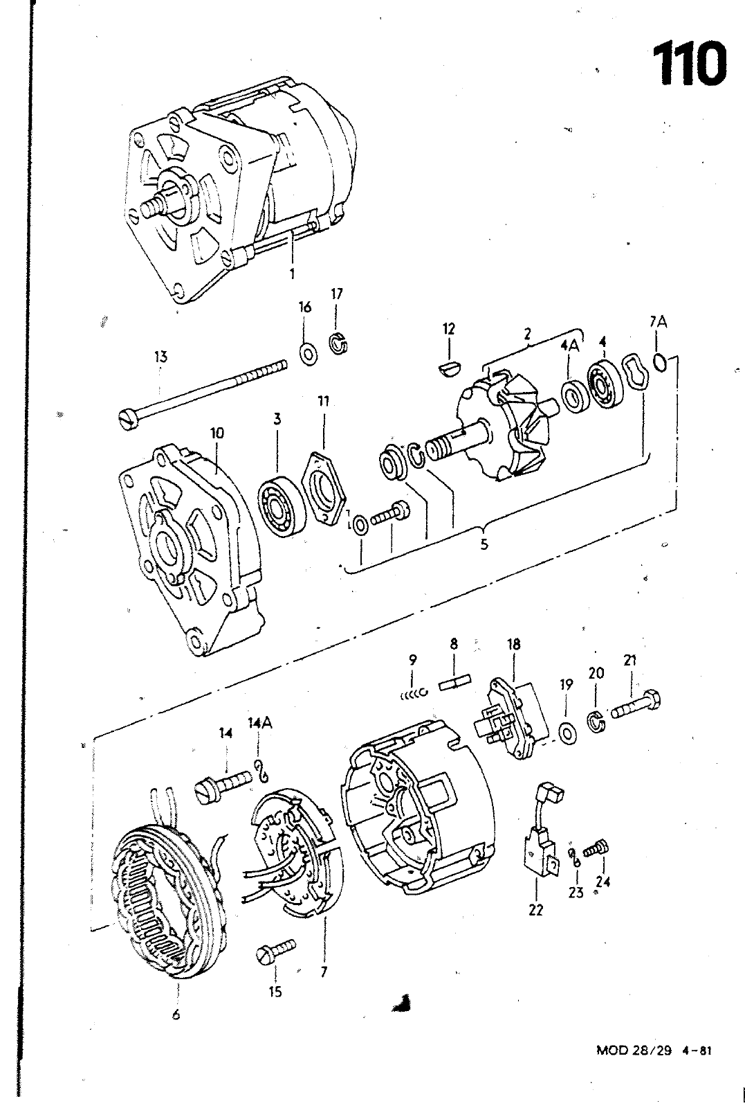
110 7A 4A 4 0 a M WA ü WKX 28 29 4 ai HAUPTGRUPPE ELEKTRISCHE AUSRUESTUNG BILD ERSATZTEILE NR BENENNUNG BEMERKUNG ST MODELL t 1 I 121 121 2 121 121 121 121 131 141 4 4A 5 l l 6 6 16 171 7 7A 181 8 9 191 10 068 903 017 C 069 903 017 059 903 205 049 903 213 B 0 9 903 213 046 903 213 A 046 903 213 068 903 213 069 903 213 069 903 213 C 055 903 221 B 021 903 221 A 055 903 221 B 021 903 221 059 903 273 028 903 320 A 056 903 351 059 903 351 059 903 351 A 068 903 351 049 903 359 E 056 903 371 B 049 903 509 049 903 515 B 059 903 515 B 0 4 903 19 049 903 519 0 9 903 537 DREHSTROMGENERATOR UNO EINZELTEILE DREHSTROMGENERATOR DREHSTROMGENERATOR TEILESAT fUER KLAUENPOLLAEUFER KLAUENPOLLAEUFER FUER DREHSTROMGENERATOR KLAUENPOLLAEUFER FUER DREHSTROMGENERATOR KLAUENPOLLAEUFER FUER DREHSTROMGENERATOR KLAUENPOLLAEUFER FUER DREHSTROMGENERATOR KLAUENPOLLAEUFER FUER DREHSTROMGENERATOR KLAUENPOLLAEUFER FUER DREHSTROMGENERATOR KLAUENPOLLAEUFER FUER DREHSTROMGENERATOR RILLENKUGELLAGER RILLENKUGELLAGER FUER DREHSTROMGENERATOR RILLENKUGELLAGER FUER DREHSTROMGENERATOR RILLENKUGELLAGER FUER DREHSTROMGENERATOR SCHLEIFRING FUER DREHSTROMGENERATOR KLEINTEILESATZ STAENDERWICKLUNG FUER DREHSTROMGENERATOR STAENDERWICKLUNG FUER DREHSTROMGENERATOR STAENDERWICKLUNG FUER DREHSTROMGENERATOR STAENOERWICKLUNG FUER DREHSTROMGENERATOR DIODENPLATTE FUER DeEHSTROMGENERATOR DIODENPLATTE FUER DREHSTROMGENERATOR 0 RING FUER DREHSTROMGENERATOR 1 SATZ SCHIEIFKOHLEN FUER DREHSTROMGENERATOR 1 SATZ SCHLEIFKOHLEN FUER DREHSTROMGENERATOR DRUCKFEDER FUER DREHSTROMGENERATOR DRUCKFEOER FUER DREHSTROMGENEHATOH LAGERSCHILD FUER DREHSTROMGENERATOR 65 A 65 A 5 11 12 2 3 1 4 6 7 9 10 13 14 9 14 5 11 14 6 10 5 12 5 8 11 13 1 4 2 3 6 7 9 14 5 13 1 4 5 14 13 14 1 12 1 4 5 12 4 6 8 110 D 19 0021 110l 056 903 537 ILAGERSCHILD

Vorschau Lastentransporter LT F-28-D-007 273 Seite 629
Hinweis: Dies ist eine maschinenlesbare No-Flash Ansicht.
Klicken Sie hier um zur Online-Version zu gelangen.