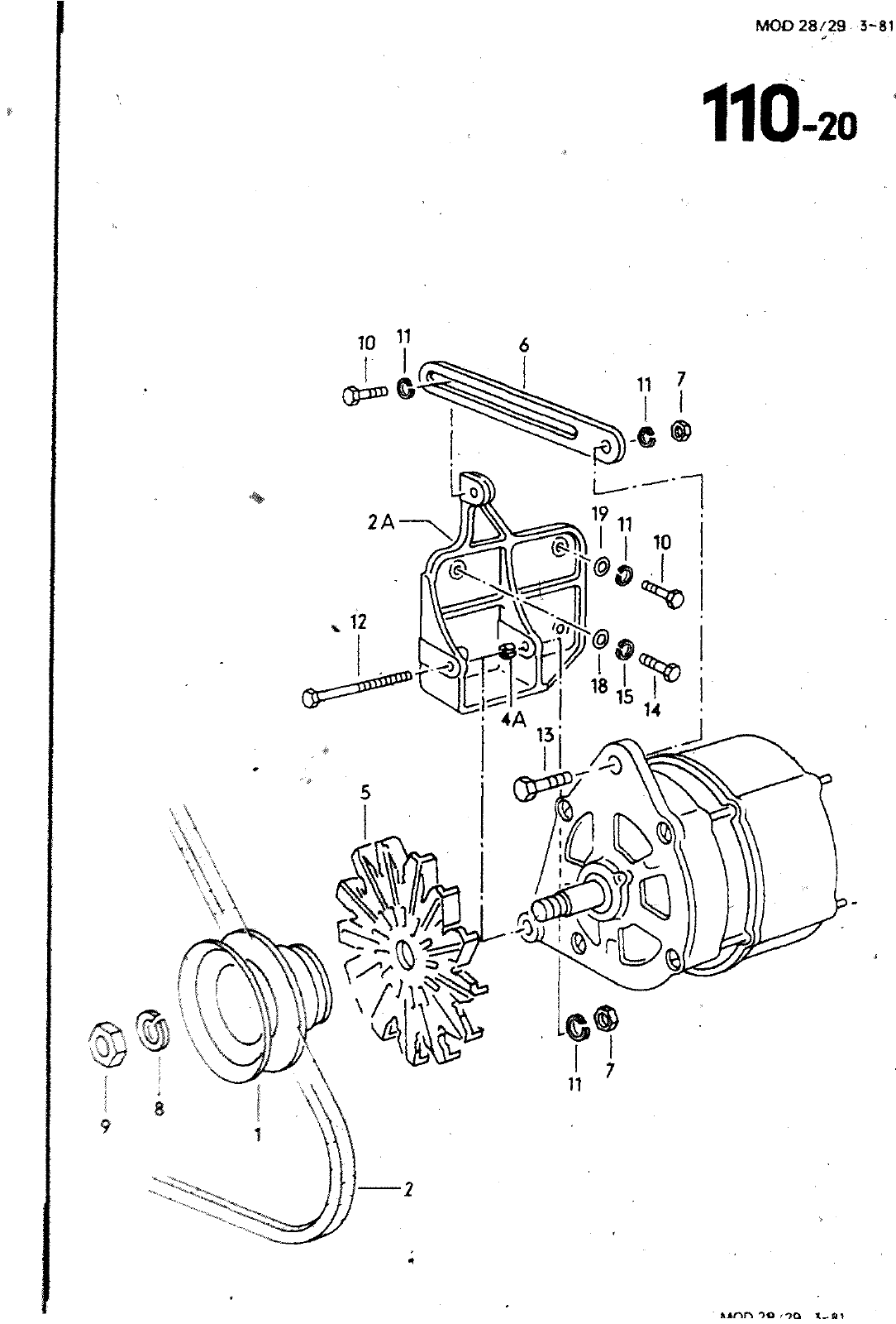
MOD 28 28 3 110 20 11 7 QpiD 0 0 w 1 2A ß 0 f W D rs n HAUPTGRUPPE 9 BILD ERSATZTEILE NR ELEKTRISCHE AUSRUESTUNG BENENNUNG BEMERKUNG ST MODELL 1 2 2A 4A 5 6 7 8 9 10 11 12 13 14 15 18 19 028 903 061 903 1 M1M3 049 903 N 011 012 011 010 012 010 010 010 012 900 900 109 137 140 148 171 C 251 008 8 044 2 163 5 0 008 388 244 254 14 040 5 263 01 280 01 3 16 6 3 11 BEFESTIGUNGSTEILE FUER DREHSTROMGENERATOR KEILRIEMENSCHEIBE KEILRIEMEN HALTER BUCHSE LUEFTERRAO SPANN8UEGEL SECHSKANTMUTTER FEOERRING SECHSKANTMUTTER SECHSKANTSCHRAUßE MMWWW SECHSKANTSCHRAUeE SECHSKANTSCHRAUBE SECHSKANTSCHRAUBE FCDE miN6 DICHTRING SECHSKANTMUTTER OIESEL CG 10 7MMX1133MM M8 14 M14X1 5 M8X20 88 M8 90 M8X30 M10X25 10 A16X21 M12 110 20 0 19 0051

Vorschau Lastentransporter LT F-28-D-007 273 Seite 635
Hinweis: Dies ist eine maschinenlesbare No-Flash Ansicht.
Klicken Sie hier um zur Online-Version zu gelangen.