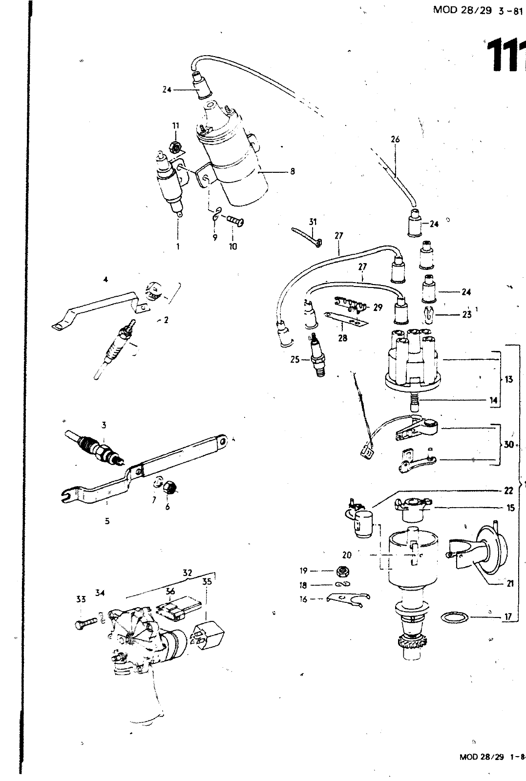
MOD 28 29 3 81 5 25 1 n V 15 r 16 iClß 20 m 1231 24 25 26 1271 271 HAUPTGRUPPE 9 BILD ERSATZTEILE NR ELEKTRISCHE AUSRUESTUNÖ 171 90 051 N 900 120 05 0 1 905 061 N 019 100 I N 019 100 5 281 972 095 07 972 095 N OHIMI N 012 225 3 rw n5 N 012 226 5 N 01 IM 5 N W1 O O 905 205 A 113 905 207 C III 9C6 221 905 225 e 905 225 049 905 251 035 905 251 Oa 905 2 1 N 012 241 11 N miOMI 05 905 2 5 0 905 271 OtO 905 295 036 405 423 III 90a 4 311 905 439 017 812 13 018 385 1 038 93 1 03 905 4 BEMENNUN8 f ZUCNOSPULE ZUCNOVERTEILER ZUENOIEITUNG OLUCHKCRZE VOmWlDERSTAND F 288 2523 287 AUSGLEICHS LEITUNG ITRäNSPARENT SCHWARZI IN ROLLEN ZU 50 M MSTELIEINHEIT 50 F 28 2523 28 BLUEHKEMZE aiUCHKERZE F 28A 0033 976 GLUEHWmZE F 28 8 000 001 GLUEMKERZENVEReiNDER GLUEMKEmZENVCmBINOER SECHSKANTMUTTER SELBSTSICHERND FEoemscMEiK ZUENO MtE FEOEIMCI L WEN CMmMJ E SECMSKANTfWTTER ZUENOVEmTCIlEm ZUENO E TC lCmKOPF KMLEIFKOMLE MIT FEOER VERTeiLERLAtUFER vmTt LEm AtUFEÄ MIT omEMZiwiLKomcNZEm FVEM FWWZEUeC MIT NEBENAeTRIEB HALTER F 28 8 022 362 HALTER F 2 022 363 OICNTMIN FCOCm CHC BE SECHSKANTMUTTER HALTEFEOER IWTERDRUCKDOSE KWDENSATOR STECKER FUER ZUENOLEITUNGEN STECKER FUER ZUENOLEITUNOEN SCHUTZKAPPE ZUCNOKEMZE ZUENOLEITUNO IN ROLLEN ZU 50 M BESTELLEINHEIT 50 ZUENOLEITUNG lENTSTOERTI ZUENOLEI TUNG BEMERKUNG ST MODELL Mt2X1 25X21 M12X1 25X21 VM5 B5 B6 M6X12 M6 6000 U MIN 88X15 MB 14 60 0 BERU 840 MM ZYLINDER 1 4 8 0 MM ZYLINDER 1 4 0IESGL CG DIESEL CP DIESEL CP 0IE5EL CG DIESEL CP D M Oia MOO 28 29 l 4

Vorschau Lastentransporter LT F-28-D-007 273 Seite 645
Hinweis: Dies ist eine maschinenlesbare No-Flash Ansicht.
Klicken Sie hier um zur Online-Version zu gelangen.