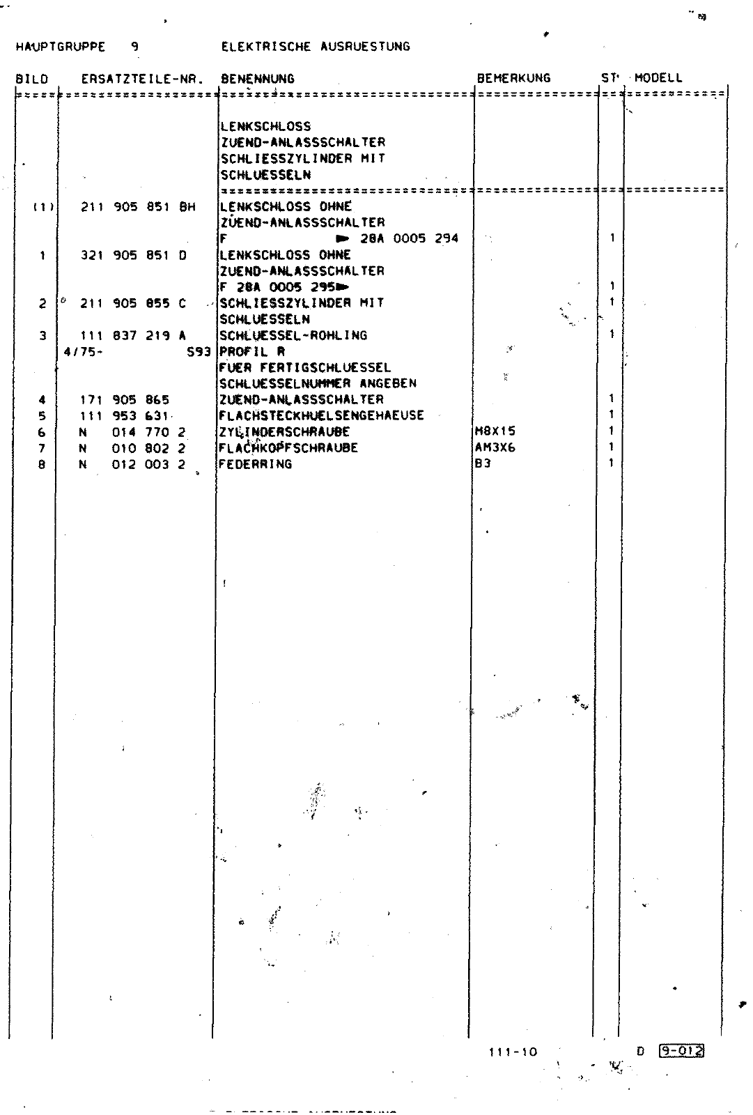
HAtjPTQRUPPE 9 ELEKTRISCHE AUSRUESTUNG SILO ERSATZTEILE NR BENENNUNG 211 905 851 W 331 905 851 0 211 905 855 C III 837 219 4 75 593 171 905 8 5 III 953 631 N 014 770 2 N 010 802 2 N 012 003 2 LENKSCHLOSS ZUENO ANIASSSCMALTER SCMLIESSZYLINDER MIT SCHLtmSSELN BEMERKUNG LENKSCHLOSS OHNE ZÜENO ANLASSSCHALTER F 28A 0005 294 LENKSCHLOSS OHNE ZUENO ANLASSSCHALTER F 28A 0005 295 SCHIIESSZYHNOEN MIT SCHIUESSEIN SCHLVCSSEL AOHUNO pnoriL m FUER FERTIGSCHLUESSEL SCHLUESSELNUMMER ANGEBEN ZUCNO Nl SSSCH LTER KLACNSTECKHUCLSCN8EHAEUSE ZYMNOEWCHmAUeE FLAI 0 PSCH ueE FEDERRING MWXIS AM3X6 B3

Vorschau Lastentransporter LT F-28-D-007 273 Seite 650
Hinweis: Dies ist eine maschinenlesbare No-Flash Ansicht.
Klicken Sie hier um zur Online-Version zu gelangen.