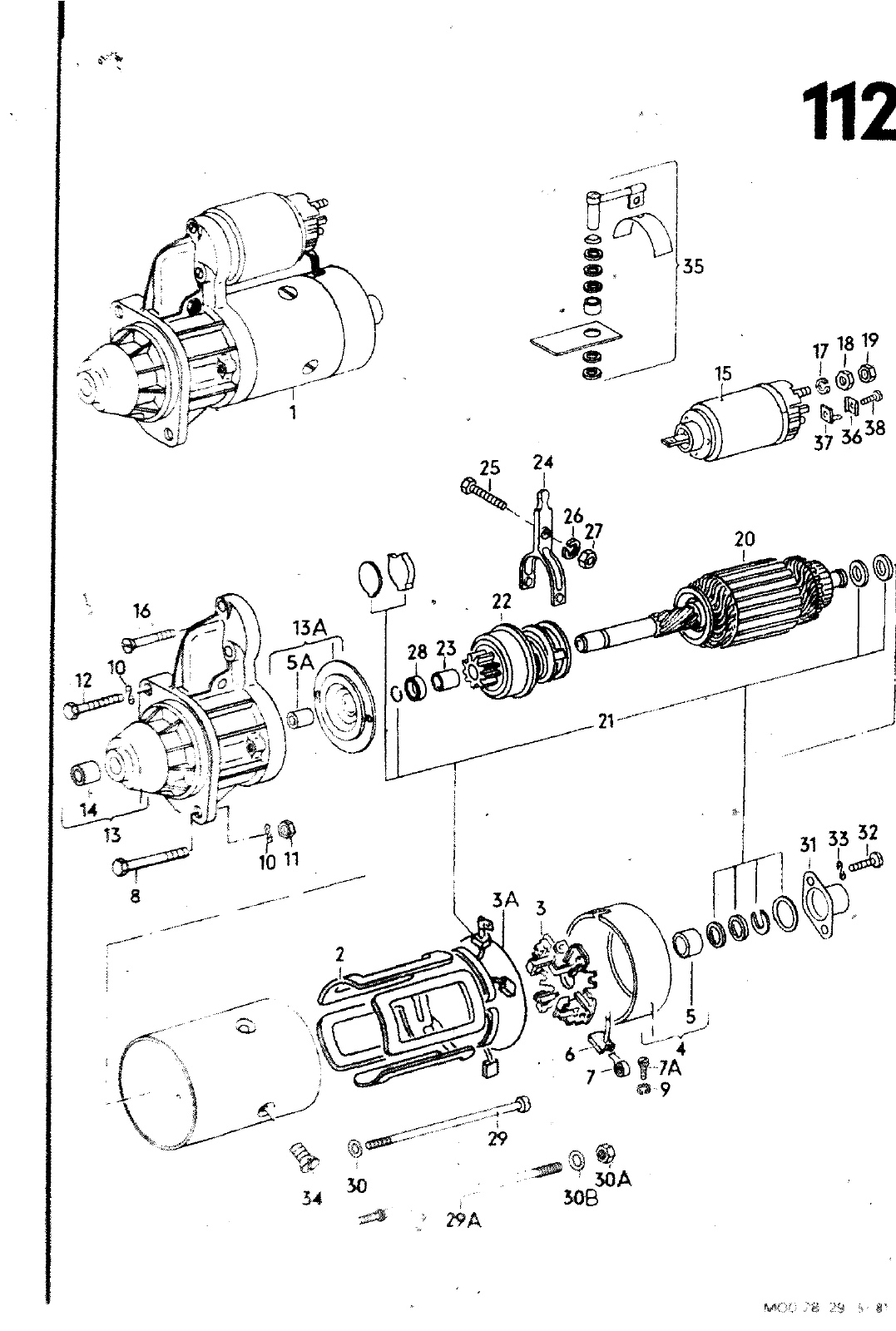
112 35 Si G 18 19 58 37 36 25 4 4 20 99 13A 9 28 33 SA yK ßir 32 31 3 3 10 11 3A 8 f Hd M 5 S f 7A O 9 29 50A 34 32 y 29A sKif s HAUPTGRUPPE 9 BILD ERSATZTEILE NR ELEKTRISCHE AUSRUESTUNG BENENNUNG BEMERKUNG ST KENNBUCHST 1 1 1 2 2 2 2 3 13 3 I 3 3A 4 14 41 14 5 51 51 5A 6 61 6 7 71 7 7 059 911 023 F 061 911 023 069 911 023 A 059 911 115 8 061 911 115 061 911 115 A 069 911 115 311 911 209 A 061 911 209 061 911 209 A 069 911 209 061 911 056 911 061 911 1 M 9 n III 911 061 911 9 M 9 n 311 911 1 M 0 4 11 059 911 Otl 11 0 1 911 0 4 911 465 211 211 211 A 211 213 A 213 213 A 213 215 A 215 A 215 219 A 219 219 A 343 ANLASSER UWD EINZELTEILE ANLASSER ANLASSER ANLASSER FELDSPULE FUER ANLASSER FELDSPULE MIT 8UERSTENHALTEPLATTE FUER ANLASSER FELDSPULE FUER ANLASSER FELDSPULE FUER ANLASSER BUERSTENHALTEPLATTE FUER ANLASSER BUERSTENHALTEPLATTE FUER ANLASSER BUERSTENHALTEPLATTE FUER ANLASSER BUERSTENHALTEPLATTE MIT KOHLEGUERSTEN FUER ANLASSER 0ICHTRIN6 KOLLEKTORLAGER XOLLEKTORLAGER KOLLEKTORLAGER KOLLEKTORLAGER LA6E 40tH E L G huCHSC L 6EM UCMSE LAaEmeucwsc FUtm ANLASSE I SATZ KOML U STEN rutm ANLASSE 1 SATZ KOWLE UE STEN FWE ANLASSE I SATZ KOMLE UE STEN FUE ANLASSE OmVCKFEOE FUE ANLASSE OaWCKFEOE FUE AWLASSE OmUCKFEOE FU ABLASSE FEOE FUER ANLASSE FUE ANLASSER FUE ANLASSER FUE ANLASSER FUE ANLASSE FUE ANLASSER FUE ANLASSE FUE ANLASSE 1 5 2 3 4 1 5 2 3 4 3 1 5 2 3 4 1 5 3 4 4 I 5 3 4 1 s 2 3 4 112 D 19 01

Vorschau Lastentransporter LT F-28-D-007 273 Seite 653
Hinweis: Dies ist eine maschinenlesbare No-Flash Ansicht.
Klicken Sie hier um zur Online-Version zu gelangen.