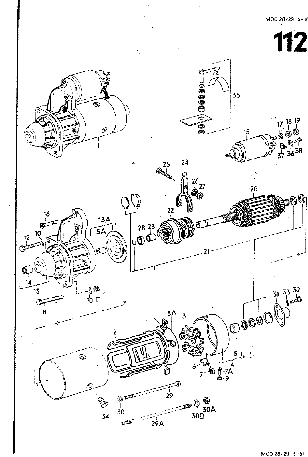
MOO 28 29 5 81 112 S 8 o TB 19 VT r 38 37 25 24 20 OQ 22 13A 28 SSjg 5A 31 3 3 10 11 3A f 7A 0 9 29 0 30A 30 30B 34 MOD 28 29 5 11 112 D R oia 21 1211 1211 211 22 1221 122 1221 23 1231 1231 24 1241 1241 25 1251 1251 26 1261 27 1271 28 29 1291 29 30 30A 308 31 1311 113 911 061 911 061 911 069 911 059 911 MJ9n 061 911 069 911 035 911 061 911 069 911 311 911 061 911 061 911 311 911 061 911 069 911 N 0 N 011 N 011 N 011 028 911 059 911 061 911 069 911 N 011 N 011 059 911 113 911 069 911 320 A 320 320 B 320 335 B 335 335 335 213 339 155 365 365 365 A 383 491 B 299 006 4 696 1 116 5 118 11 479 491 A 491 A 145 524 7 006 8 399 A 495 235 KLEINTEILESATZ FUER ANLASSER TEILESATZ MIT ANKER FUER ANLASSER TEILESATZ OHNE ANKER FUER ANLASSER TEILESATZ FUER ANLASSER FUER ANLASSER FUER ANLASSER FUER ANLASSER FUER ANLASSER FUER ANLASSER FUER ANLASSER FUER ANLASSER FUER ANLASSER FUER ANLASSER FUER ANLASSER FUER ANLASSER FUER ANLASSER FUER ANLASSER FUER ANLASSER FUER ANLASSER FUER ANLASSER FUER ANLASSER FUER ANLASSER FUER ANLASSER FUER ANLASSER FUER ANLASSER FUER ANLASSER FUER ANLASSER FUER ANLASSER FUER ANLASSER FUER ANLASSER RITZELGETRIEBE RITZELGETRIEBE RITZELGETRIEBE RITZELGETRIEBE SCHALTBUCHSE SCHALTBUCHSE LAGERBUCHSE E1NRUECKHE8EL SCHALTHEBEL EINRUECKHEBEL ZYLINOERSCHRAUBE SCHRAUBE SCHRAUBE FEQERRING SCHEIBE SECHSKANTMUTTER SECHSKANTMUTTER ANSCHLAGRING SCHRAUBE SCHRAUBE SCHRAUBE SCHEIBE SECHSKANTMUTTER SCHEIBE ABDECKKAPPE ABDECKKAPPE 1 5 2 3 4 1 5 2 3 4 1 5 3 4 1 5 2 3 4 1 5 3 4 86 1 5 88 1 3 4 BM6 1 5 8M 8 3 4 1 5 1 5 3 4 A6 4 3 M6 4 4 I 5 112 D 19 OIW

Vorschau Lastentransporter LT F-28-D-007 273 Seite 657
Hinweis: Dies ist eine maschinenlesbare No-Flash Ansicht.
Klicken Sie hier um zur Online-Version zu gelangen.