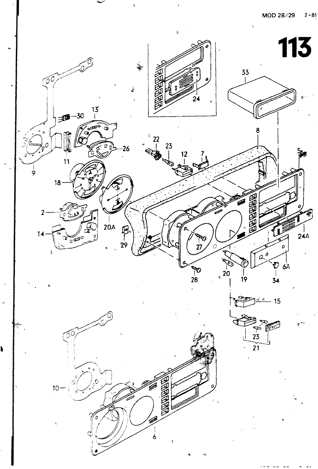
MOD 28 29 Z 81 113 33 24 13 30 f Db 26 ßg 20A gw 24A 29 c 19 34 6 281 925 083 7 133 957 081 8 281 919 056 91 281 919 059 281 919 059 B 191 281 919 059 E 191 191 191 191 1101 10 1101 1101 11 1111 12 13 14 1141 15 18 19 20 281 919 059 F 2W M 9 282 919 059 B 2MT M9C 281 919 059 281 919 059 C 281 919 059 0 281 919 059 8 171 919 060 171 919 060 A 171 919 067 281 919 077 171 919 077 B 171 919 07 D 171 919 079 171 919 201 A III 919 209 A N 017 751 2 HALTER FUER LEERLAUFZ K STARTERZUG UND ZEITSCHALTER ZUSATZHEIZUWG SIEHE BILDTAFEL 8LINOOECKEL RAHMEN FUER INSTRUMENTENGEHAEUSE LEITERFOLIE LEITERFOLIE F 286 2510 160 LEITERFOLIE 286 2510 159 288 2531 725 F 289 2500 001 28A 0033 976 LEiTtmroiiE F 28 8 000 001 LEITERFOLIE F 286 2510 160 288 2531 725 LEITCmFOllE F 289 2500 001 28A 0033 976 LEITEMFOLIE F 28 8 000 001 LEITERFOLIE FUER FAHRZEUGE MIT FAHRTENSCHREIBER F 286 2510 159 LEITERFOLIE FUER FAHRZEUGE MIT FAMRTENaCHmCieCR F 286 2510 160 288 2531 725 LEITERFOLIE FUER FAHRZEUGE MIT FAHRTEN9CHREIKR F 289 2500 001 28A 0033 976 LEITEMFOUC FUER FAHRZEUGE MIT FAHRTENSCHREIBER F 28 8 000 001 NIEDERHALTER F 287 2600 000 NIEDERHALTER F 288 2500 001 LICHTSCHACHT 2 FACH TRAEGER OBEN FUER TEMPERATURANZEIGER TRAEOCm FUER KRAFTSTOFFVORRATSANZEIGER F 287 2600 000 TRAEGER FUER KRAFTSTOFFVORRATSANZEIGER F 288 2500 001 HENOE ZEITUHR IN INSTRUMENTENGEHAEUSE KONTROLLEUCHTE FUER BLINKLICHT F 1 289 2600 000 F 28A 0000 001 GLUEHLAMPE 73 73 10 LLKG VDb 88 481 058 LLKG V0O B8 48I 081 LLKG VOO 88 481 132 VOO 88 481 222 LLKG VDO 88 481 082 RLKG 00 88 481 133 RLKG VDO 88 481 223 m KS VOO 88 481 065 LLKG VOO 88 481 083 LLKG VD0 8 481 134 LLKG VOO 88 481 224 LLKG TO FACH 12 FACH 5 1 2 12 V 1 2 113 D 19 0211

Vorschau Lastentransporter LT F-28-D-007 273 Seite 667
Hinweis: Dies ist eine maschinenlesbare No-Flash Ansicht.
Klicken Sie hier um zur Online-Version zu gelangen.