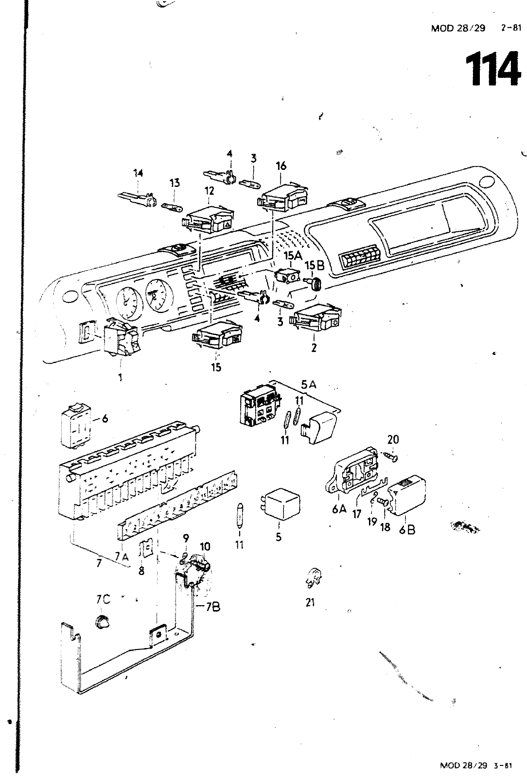
MOD 3 I 19 35 3 g 5A MV 11 g r r 20 3 6A 10 I f 17 r 7B W 6B MOO 28 29 HAUPTGRUPPE 9 ELEKTRISCHE AUSRUESTUNG BILO ERSATZTEILE NR BENENNUNG BEMERKUNG ST MODELL 3 4 151 151 151 51 151 51 51 51 51 51 151 51 151 51 51 5A 281 941 531 B 251 541 535 N i 017 751 2 141 557 397 A 2 1 94 251 281 911 253 321 511 261 171 511 261 8 171 519 50ä A 171 919 505 A 111 941 583 281 941 587 III 943 383 C 211 951 273 C III 953 227 0 431 953 231 211 953 231 113 955 200 171 959 143 A 171 919 505 A 321 955 531 171 937 501 SCHALTER FUER STAND gAUPT UNO WARNLICHT KMEIZBARE RUECKBLICKSCHEIBE NEBELSCHEINWERFER UNO SCHLUSSLEUCHTE WeiACSEMOTOA SCHALTE FUCm LICHT SCHALTEAFUER NEBELSCHEINWERFER UNO NMELSCHLUSSLEUCHTE aiUEHLAHPE LAhPCNFASSUNG ÄNLASS RELAIS RELAIS FUER 8LUEHKERZE RELAIS FUER GLUEWKERZE 28A 0933 9f6 REC AISFUERGLUEHKERZE F 28 8 000 001 RELAIS FUER NEBELSCHEINWERFER RELAIS FUER ENTLASTUN8 KONTAKT F 2 f 0000 001 1 RELAIS FUER SCHEINWERFER RELAIS FUER RUNOUMKENNLEUCHTE RELAIS FUER STEUERMOTOR TONFOIBERELAIS BtlNK WAlWLICHT RELflS BLINK WARNLICWT RELAIS FUER ANHAENUER ETRIE 8LINK WARNLICHT RELAIS FUER FAHRZEUGE MIT OACM INKLEUCHTEN FUER ANMENGERBE TRIEB RELAIS FUER SCHEINNERFERWASCNANLACE RELAIS FUtR ZUSATZHEIZUNG RELAIS FUER RUECKBLICKSCHEIBE BEHEIZ SAR 289 2600 000 RELAIS FUER WISCH WASCH INTERVALLAUTOMATIC 28 8 008 545 SICHERUNGSOOSE FUER RUNOUMKENNLEUCHTE FUER ZUSATZHEIZUNG FUER NEBELSCHEINWERFER FUER STARKTONHORNANLAGE 5 1 2 12 V 1 2 12V I V 12V GELB 12V 12V 12V 12V 2 FACH BLAU DIESEL CG CP DIESEL CG DIESEL CP DIESELZCP DIESEL CG DIESEL CP 114 0 19 0231

Vorschau Lastentransporter LT F-28-D-007 273 Seite 671
Hinweis: Dies ist eine maschinenlesbare No-Flash Ansicht.
Klicken Sie hier um zur Online-Version zu gelangen.