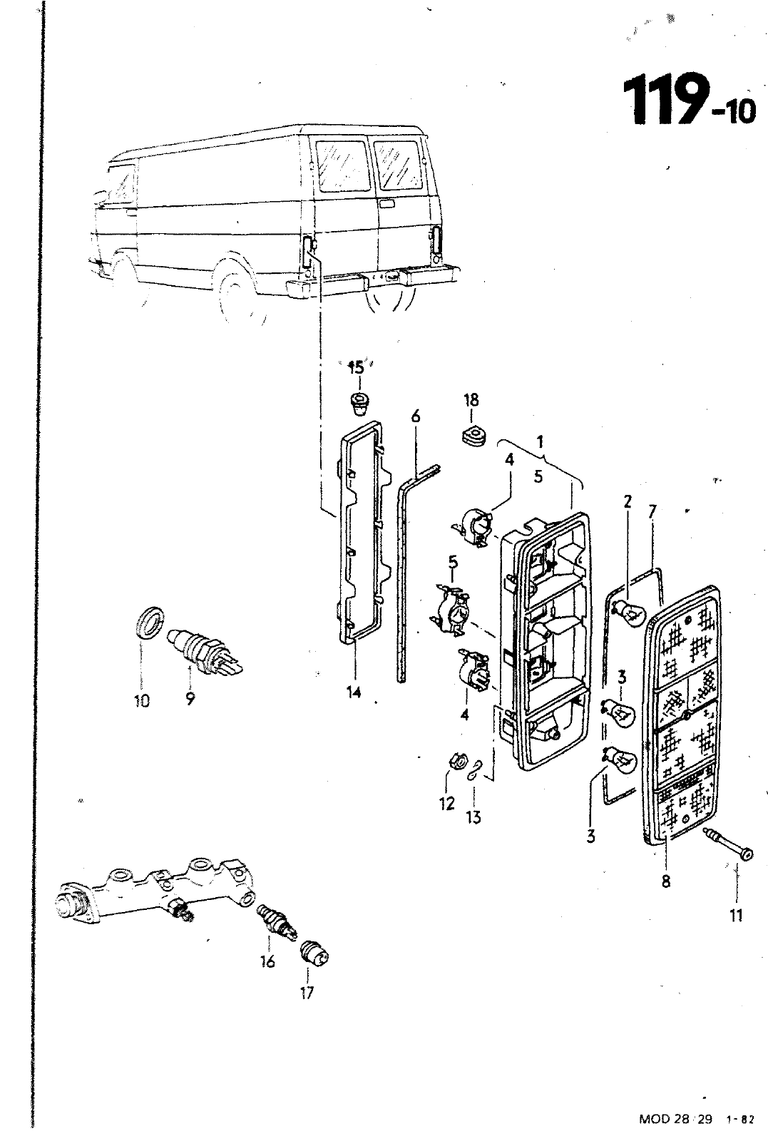
10 9 119 10 p 12 16 17 MOD28 29 1 12 HAUPTGRUPPE 9 ELEKTRISCHE AUSRUESTUNG BILD ERSATZTEILE NR BENENNUNG BEMERKUNG ST MODELL 181 181 181 12 13 14 15 16 1161 1171 17 18 211 945 231 N 017 732 2 N 017 738 2 311 953 071 311 953 071 A 411 941 123 411 945 235 211 945 241 AD 211 945 241 N 281 945 241 281 945 241 A 004 941 521 N 211 N N 211 111 013 816 945 185 011 005 012 225 945 285 971 911 113 945 515 113 945 515 III 945 525 113 945 525 211 945 277 BREMS BLINK UNO SCHLUSSLEUCHTEN BREMSLICHTSCHALTER LAMPENTRAEGER FUER FAHRZEUGE MIT RUECKFÄHRLEUCHTE GLUEHLAMPE GLUEHLAMPE LAMPENFASSUNG LAMPENFASSUNG DICHTUNG ZWISCHEN GEHAEUSE UND AUFBAU DICHTRING FENSTER FUER BREMS BLfNK SCHLUSS RUECKFAMRLEUCHTE UNO RUCCKSTRAHLER IGELB ROT WEISSI F 288 2514 845 FENSTER FUER BREMS BLINK SCHLUSSLEUCHTE UNO RUECKSTRAHLER IGELB ROT WEISSI F 286 2504 036 288 2514 845 FENSTER FUER i BREMS BLINK SCHLUSSLEUCHTE IGELB ROT WEISSI F 286 2512 553 FENSTER FUER BREMG 8LINK SCHLUSS UND RUECKFAHRLEUCHTE IQELB ROT HEISS F 286 2512 553 SCHALTER FUER RUECKFAHRLEUCHTE DICHTRING a LINSENSCHRAUBE SECHSKANTMUTTER FEDERSCHEIBE SCHUTZKAPPE TUELLE BREMSLICHTSCHALTER MIT WARNKONTAKT BREMSLICHTSCHALTER FLACHSTECKHUELSENGEHAEUSE FLACHSTECKHUELSENGEHAEUSE TUELLE KASTENWAGEN P25 1 12V21W P25 2 12V21 5W OBEN UNTEN MITTE 420 MM A18X24 M5 85 3 POLIG 2 ROLIG 2 POLIG 3 POLIG 381 282 291 292 281 282 281 282 119 10 0 19 0321

Vorschau Lastentransporter LT F-28-D-007 273 Seite 689
Hinweis: Dies ist eine maschinenlesbare No-Flash Ansicht.
Klicken Sie hier um zur Online-Version zu gelangen.