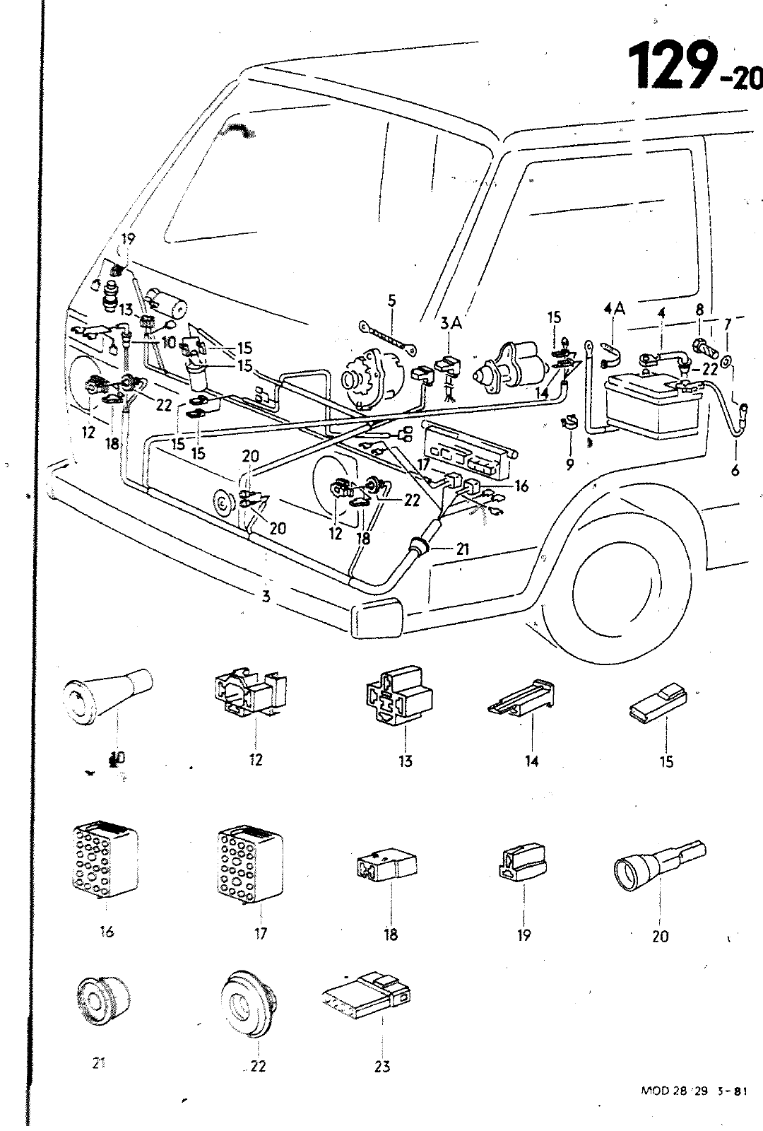
12 13 14 15 16 17 18 19 20 21 22 23 M X 28 29 3 l 1 HAUPTGRUPPE 9 ELEKTRISCHE AUSRUESTUNG BILD 3 ERSATZTEILE NR BENENNUNG BEMERKUNG ST MODELL LEITUNGSSATZ VORN LEITUNGSSATZ FUER OREHSTROMGENERATOR LEITUNGSSATZ FUER ANLASSER MASSELEfTUNG 1121 3 131 31 131 131 13 1 3A I3AI I3AI 41 141 41 4 41 4A 5 6 61 161 61 161 7 8 9 91 10 12 281 971 071 BP 282 971 071 S 282 9V1 071 P 281 971 071 L 281 971 071 BS 2 1 971 349 0 281 971 3 E I 281 971 349 F I 281 971 349 G 281 971 228 A 281 971 228 C 281 971 228 0 281 971 2a f 283 971 228 477 971 850 067 971 3 281 971 235 281 971 235 B 281 971 235 C 281 971 2 5 0 281 971 237 C N 012 228 3 N 010 237 6 867 971 848 171 971 847 A 4lj 941 189 823 941 165 A N 017 497 1 141 941 341 LEITUNGSSATZ VORN LEITUNGSSATZ VORN LEITUNGSSATZ VQRN LEITUNGSSATZ VORN F 28 A 014 166 LEITUNGSSATZ VORN F 28t 2509 063 LEITUNGSSATZ FUER DREHSTROMGENERATOR LE TUNaS tZ FUER DREHSTROMGENERATOR LEITUMSSATZ FUER bREHSTROMGENERATOR FUER FAWmZEUGE MIT MOTOR ABHAENGIGEN NEBENAGGREGATEN F 28A 0014 167 LEITUNGSSAtZ FUER DREHSTROMGENERATOR F 28 B OOO 001 LEITUNGSSATZ FUER ANLASSER F 288 2531 725 IEITUN8SSATZ FUER ANLASSER 289 2500 001 LEtTUNGSSATZ FOER ANLASSER LEITUÄ S TZ FUER ANLASSER LEITUNSSSATZ 4WER ANLASSER KABELCLI Ma S lElTWN8 FUER DREHSTROMGENERATOR LEITUMma r J UE BATTERIE LEITUN TZ fUER BATTERIE LEITUNAßSATZ FUER BATTERIE LEITUNmäpATZ FUER BATTERIE M S ELErt Ne GETRIEBC ZUM FAWMKSTEit FEoemscHEiBE SCCHaK NTSCHR UBE KABELCLIP CLIP TUELLE FLACHSTECKHUELSENGEHAEUSE FLACHSTECKHUELSE MIT RASTNASE FLACHSTECKHUELSENGEHAEUSE LLKG RLKG RLKG LLKG LLKG LLKG 45 AH 110 AH 110 AH 63 AH 88 M8X12 20X16 5 MM 3 3 POLIG F7 7X2 5 8 0 3 POLIG 129 20 CH CL DIESELZCG CH CL 0IESEL C6 01ESEL CP DIESEL CG DIESEL CP DIESELiCG OIESEL CG DIESEL CP 281 291 DIESEL CP J83 285 Sgg 295 DIESEL CG DIESELICG DIESEL CP OIESEL CP D 19 05 Ic 3 I 1 I

Vorschau Lastentransporter LT F-28-D-007 273 Seite 725
Hinweis: Dies ist eine maschinenlesbare No-Flash Ansicht.
Klicken Sie hier um zur Online-Version zu gelangen.