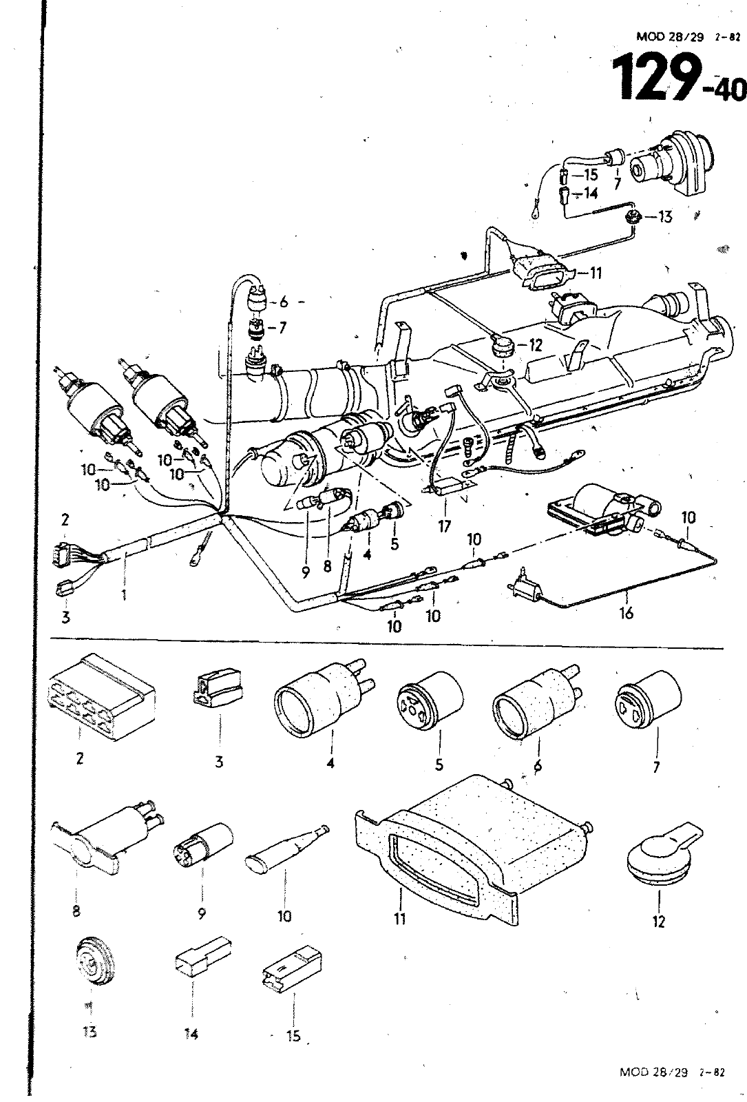
MOO 28 29 2 M 129 40 15 11 1 6 10 10 r 10 7 L 10 5S MOD 28 29 2 2 HAUPTGRUPPE 9 ELEKTRISCHE AUSRUCSTUNC BILD ERSATZTEILE NR 281 971 477 E 1 11 I 2 3 4 5 6 7 8 181 9 10 11 1111 12 13 14 15 16 17 291 971 477 C 291 971 477 B 411 971 971 815 971 989 113 945 521 113 9 5 525 III 945 521 III 945 525 211 9 3 035 211 963 035 411 963 253 311 971 867 251 9 3 211 211 963 211 211 963 239 III 971 911 821 971 976 171 971 990 211 035 257 21t 035 261 8CNENNUN LEITUNGSSATZ ZUGATZHEIZUNG FUER HEIZGERAET SIEHE BILDTAFEL BEMERKUNG ST LEITUNGSSATZ FUER HEIZGERAET ZUSATZHEIZUNG F 28 8 012 326 LEITUNBSSATZ FWßR HklZBEMNET ZUSATZHEIZUN8 LE TUM SSATZ FpER HEIZGERAET ZUSATZHEIZUNG FLACHSTECKEROEHAEUSE FLACHSTECKHUgLSENGEHAEUSE SCMUTZMUELyi BRtNMLUFTVfNTIL FLACHSTECKHUELSENGEHAEUSE SCMUTZHUgLLE TEMPCRAfURFUEHUER FLACMGltCKMUELSENOeHAEUSE SCHUTZKAPPE SCHUfZKAPPE mUNq TECKHUELSE BEHAEUSE TUetLE SCWbTZKAPPE BffNNNAgCHTER SfHUTZKAPPC bCNMMAtCHTE UEBERHITZUNQSSCHALTER SIEHE BILDTAFEL TUCLLE FLACHSTECKEROEHAEUSE FLACHSTECKHUELSENGEHAEUSE ENTSTOERKONDENSATOR FUER ZUENOSPULE ENTSTOERKONDENSATOR FUER GLUEHKERZE 129 30 9 FACH 6 3 2M 6 3 3 POLIG 6 3 2 POLIG 4 POLIG 16 5X4 0 FACH 1 POLIG MODELL 281 282 291 92 DIESEL CG DIESEL CP M512 OIESEL CG CP DIESELiCG CP DIESEL CG CP DIESEL CG CP DIESEL CG CP 129 40 D 19 053

Vorschau Lastentransporter LT F-28-D-007 273 Seite 731
Hinweis: Dies ist eine maschinenlesbare No-Flash Ansicht.
Klicken Sie hier um zur Online-Version zu gelangen.