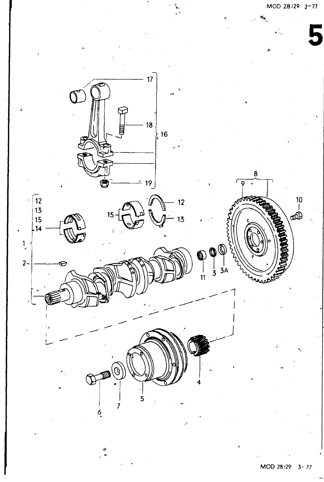
IWCmZB Z 2 77 5 HAUPTGRUPPE t MOTOR BILD ERSATZTEILE NR BENENNUNG 16 19 3A 2 3 3A 4 5 6 7 8 9 10 11 12 1131 13 14 1141 1141 1141 15 115 115 16 17 18 19 BEMERKUNG 061 O l 061 0 1 O l N N 0 1 061 N 046 06i 0 1 198 351 lös 030 105 051 105 051 A 105 209 105 251 900 276 01 00 2 2 01 105 2 9 405 275 040 245 1 105 313 0 105 490 0 105 490 A 0 1 105 450 E OKI 0 1 061 061 061 061 061 061 061 061 06 1 061 198 451 15 453 15 455 15 457 15 501 15 503 15 505 15 507 105 401 T05 431 IM 4M 105 427 KURBELWELLE SCHWUNGRAD KURBELWELLE MIT LAGERN SCHeiKNFEOEm DICHTMING OICHTRING ZAHMRAO OßPPELKEILRIEMENSCHEIBE SCCH KANTSCHRAUBE SCHEli SCHWuil AO ANL SSZ WNkRANZ SECHSKANTSCHRAUBE NAOELLAGEM AXIALLASEN OBEN AXIALLAGER UNTEN F AXIALLAGER UNTEN F 2 6 2505 742 1 SATZ HAUPTLAGER 1 SATZ HAUPTLAGER I SATZ HAUPTLAGER 1 SATZ HAUPTLAGER 286 2505 741 M20XS5 20 5X52X1 M12X25 PLEUELSTANGE 1 SATZ PIEUELLA8ER 1 SATZ PLEUELLAGER I SATZ PIEUELLAOE 1 SATZ PLEUELLAGER PLEUELSTANGE PLEUelBUCHSE PLEUELSCHRAUBE SECHSKANTMUTTER UNTERGR 0 01 UNTERGm 0 02 WNTER8R 0 03 UNTER0R 0 01 UNTERQR 0 02 UNTERGR 0 03 ST KEN BUCHST CG 0 11 0051 IMCX Z8ß9 3 77 MnTne

Vorschau Lastentransporter LT F-28-D-007 273 Seite 87
Hinweis: Dies ist eine maschinenlesbare No-Flash Ansicht.
Klicken Sie hier um zur Online-Version zu gelangen.