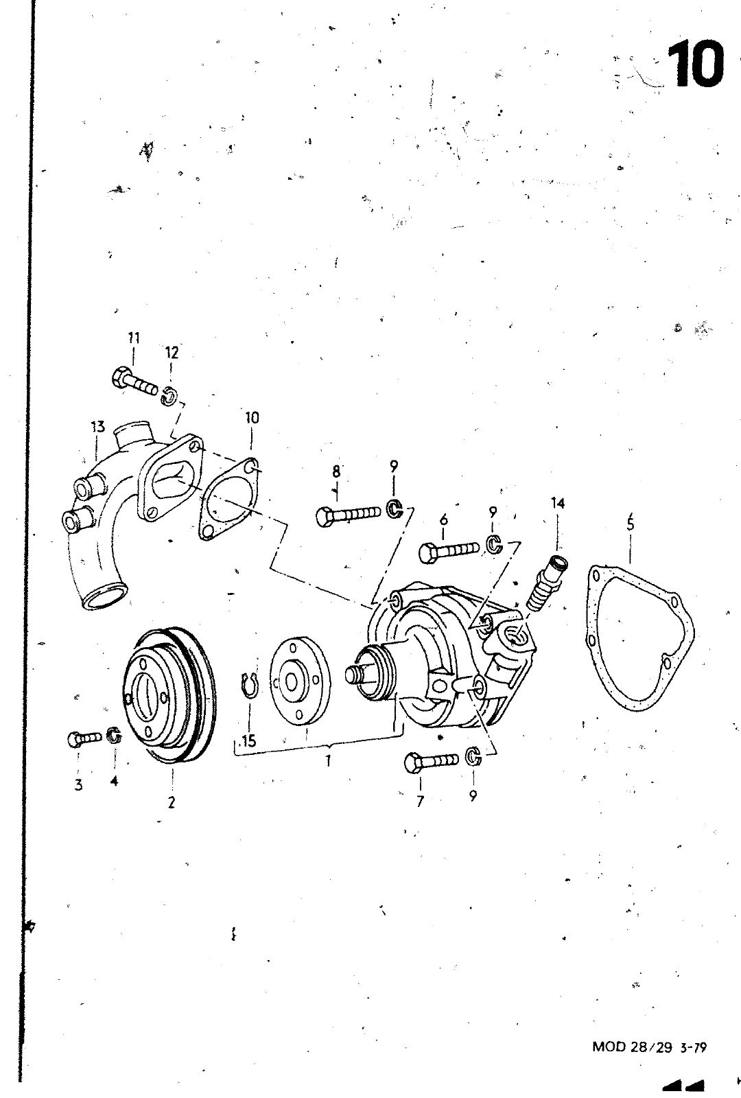
10 HAUPTGRUPPE 1 BILD ERSATZTEILE NA 3010 07 o MD 3 4 t 2 3 4 5 6 7 8 9 10 11 12 13 14 15 061 121 061 121 ÖL 010 0 061 121 N N N N 061 121 N 010 N 012 061 121 4 121 061 121 010 010 010 912 01 f 031 237 ooe Ö 1 345 M2 361 00 119 240 16 Ö6 6 167 8 155 Mofoe f BENENNUNG WÄSSERPUMPE KE1 R EMENSCHEIBE EINLAUFSTUTZEN BEMEMMONO MASSERPUMPE KEILRIEWENSCHEIBE SECHSKANTSCHRAUBE FEDERRING DICHTUNG SECHSKANTSCHRAUBE SfCWSKANTSCHRAUBE SECHSKANTSCHRAUBE FEi mm N DICHTUNG SECHSKANTSCHRAUBE FCOcmmiMG EINLAUFSTUTZEN EINlAÜfSTUTZEN SICHCRUNSSmiNG ST KENN8UCHST CG M8X12 88 Mm 45 Mmx55 M 65 88 M8X20 88 10 D Il QIG M0D28 g3rW HAUPTGRUPPE MOTOR

Vorschau Lastentransporter LT F-28-D-007 273 Seite 97
Hinweis: Dies ist eine maschinenlesbare No-Flash Ansicht.
Klicken Sie hier um zur Online-Version zu gelangen.