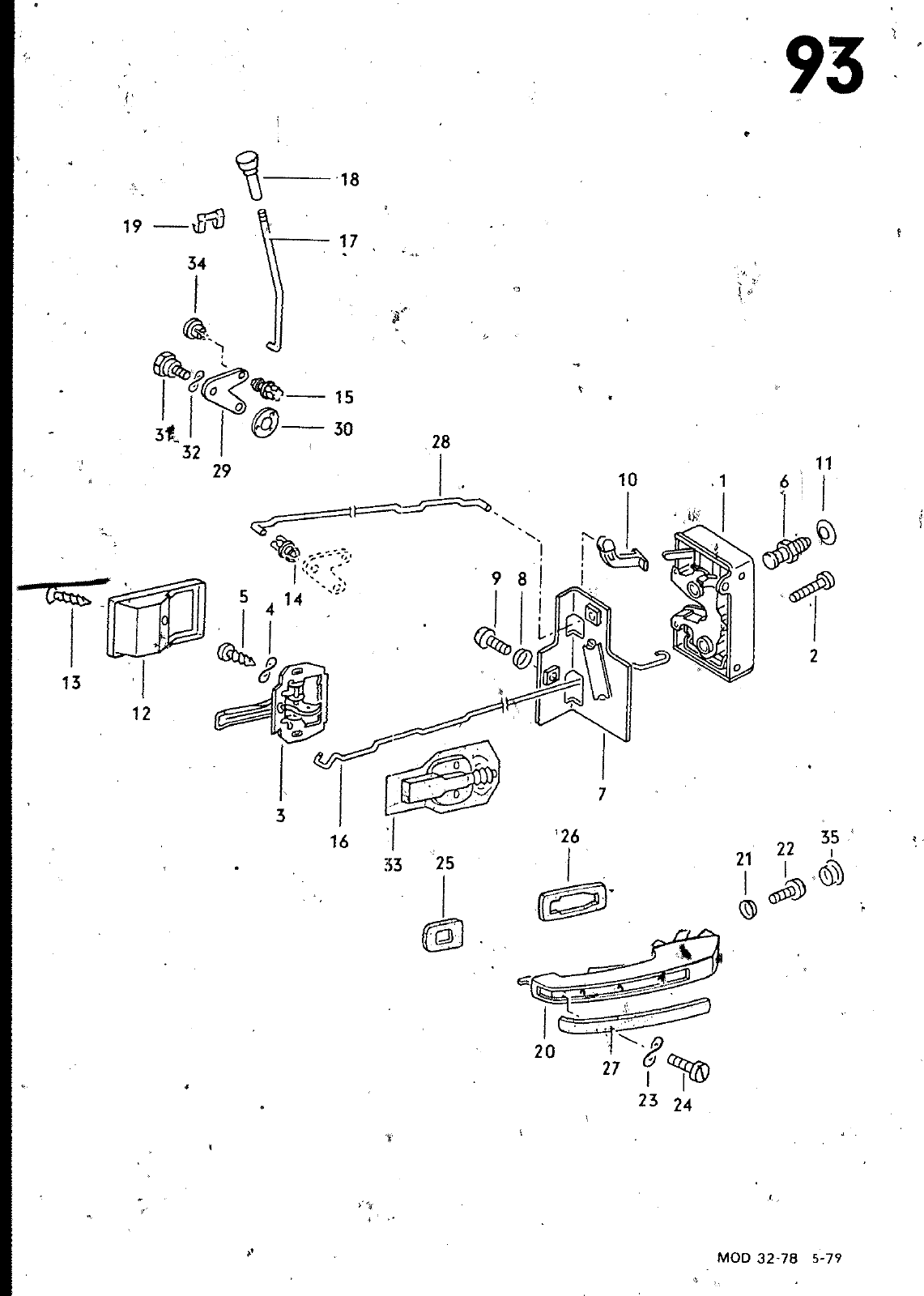
93 18 19 34 0 30 10 9 8 5 14 13 26 35 33 25 20 23 24 MOD 32 78 5 79 HAUPTGRUPPE 8 AUFBAU ILD ERSATZTEILE NR BENENNUNG ST MODELL TUEREINBAUTEILE HINTEN TUERSCHLOSS HINTEN 1 1 2 3 3 3 3 3 3 3 4 5 6 7 7 8 9 10 1 1 12 173 839 015 C 323 839 016 C N 028 344 2 823 837 019 8 77 7 716 825 837 019 A 8 77 7 78 8 77 7 78 323 839 019 8 77 7 78 823 837 019 A 8 78 8 78 8 78 823 837 020 A 8 77 7 78 825 037 020 A 8 77 7 78 8 77 7 78 323 839 020 8 77 7 78 823 837 020 A 8 78 8 78 8 78 N 012 225 N 013 969 4 321 837 034 171 831 349 171 831 350 III 837 941 N 014 139 5 173 839 080 823 837 057 A 823 837 125 8 77 8 77 8 78 TUERSCHLOSS LINKS TUERSCHLOSS RECHTS INNENSECHSKANTSCHRAUBE 8X35 INNENBETAETIGUNG LINKS F 328 2300 000 041 SCHWARZ INNENBETAETIGUNG LINKS F 328 2300 000 041 SCHWARZ 90V SATTELBRAUN INNENBETAETIGUNG LINKS F 328 2300 000 VERCHROMT INNENBETAETIGUNG LINKS F 329 2000 001 P41 SCHWARZ 66W EFEU 9QV SATTELBRAUN INNENBETAETIGUNG RECHTS F 328 2300 000 041 SCHWARZ INNENBETAETIGUNG RECHTS F 328 2300 000 041 SCHWARZ 90V SATTELBRAUN INNENBETAETIGUNG RECHTS F 328 2300 000 tVERCHROMT INNENBETAETIGUNG RECHTS F 329 2000 001 041 SCHWARZ 66W FEU 90V SATTELBRAUN FEDERSCHEIBE B 5 BLECHSCHRAUBE B 4 8X16 SCHLIESSBOLZEN AUFNAHMEBLECH FUER TUERSCHLOSS LINKS AUFNAHMEBLECH FUER TUERSCHLOSS RECHTS TELLERFEDER LINSENSCHRAUBE M 6X12 HUELSE FEDERSCHEIBE 12X32 GEHAEUSE FUER INNENBETAETIGUNG 041 SCHWARZ 90V SATTELBRAUN 66W EFEU 1 1 PASSAT S 1 L LS UE 1 GL GLS GLE 1 PASSAT S 1 L LS LE 1 GL GLS GLE 4 4 2 1 93 32 78 D 1 8

Vorschau Passat Mod 78-80 Seite 613
Hinweis: Dies ist eine maschinenlesbare No-Flash Ansicht.
Klicken Sie hier um zur Online-Version zu gelangen.