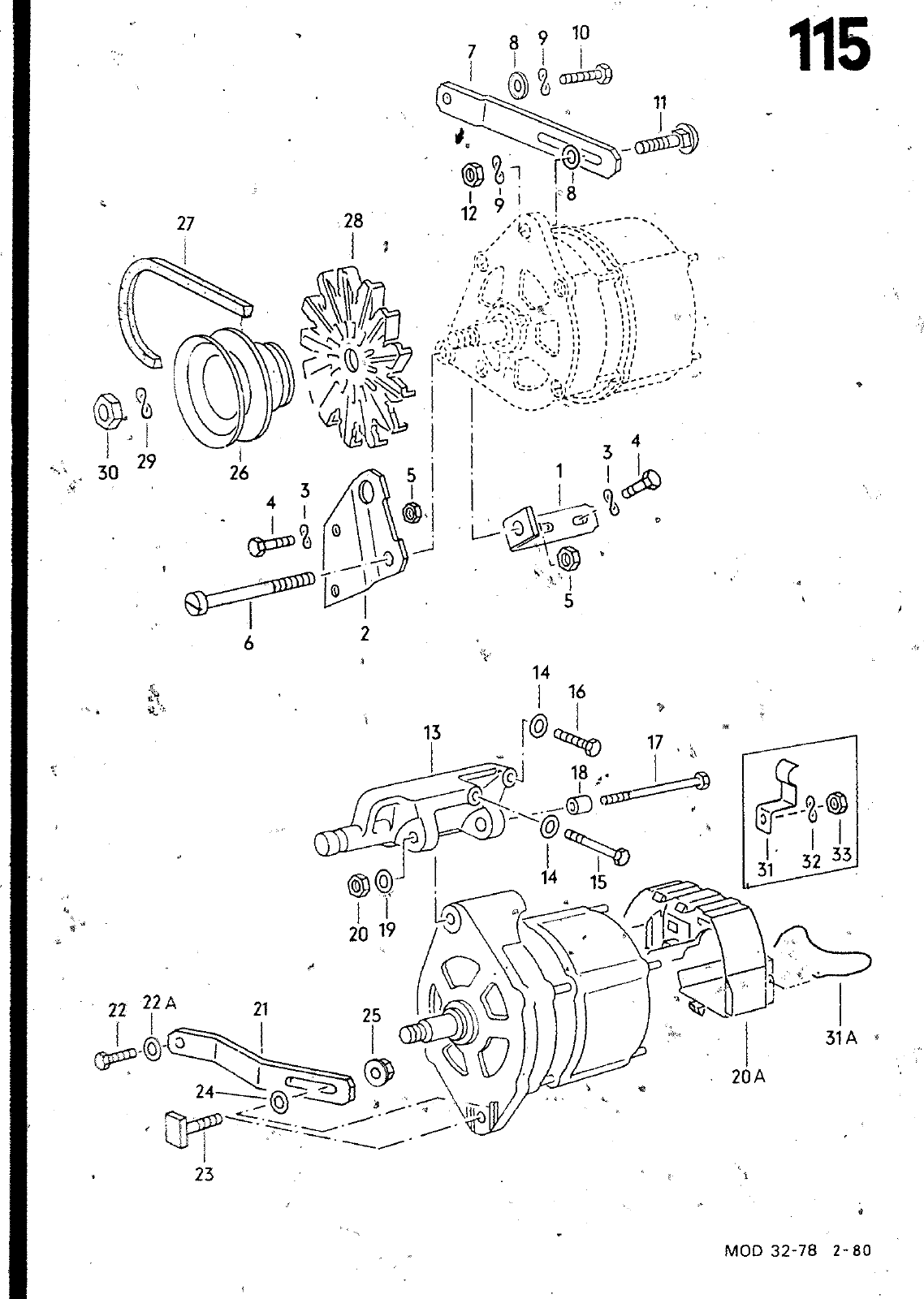
y 10 27 28 26 4 u T zA 14 115 16 22 22 A 33 32 GD 01 w 15 20 19 25 31A 3 20 A 24 M0D32 8 0 HAUPTGRUPPE 9 ELEK BISCHE AUSRUESTUNG BILD ERÖA TZTEILE NR BENENNUNG ST KENNBUCHST ANSCHLUSS UND BEFESTIGUNGSTEILE FUER DREHSTROMGENERATOR 1 3 LITER MOTOR ZA Zt FY FZ 1 056 903 141 HALTER 1 ZA ZF 2 056 903 145 A HALTER 1 ZA ZF 3 N 012 241 11 FEDERSCHEIBE B 8X13 4 4 N 010 239 11 SECHSKANTSCHRAUBE M 8X18 4 5 N 022 146 4 SECHSKANTMUTTER M 8 2 SELBSTSICHERND 6 N 044 714 1 ZYLINDERSCHRAUBE 8X80 1 7 056 903 253 STUETZE 1 ZA ZF 8 N 011 696 1 SCHEIBE B 8 1 I 9 N 012 241 11 FEDERSCHEIBE B 8X15 1 10 N 010 242 13 SECHSKANTSCHRAUBE M 8X26 1 1 1 059 903 285 FLACHRUNDSCHRAUBE M f25 1 ZA ZF 12 N 011 008 8 SECHSKANTMUTTER MB 1 13 321 199 331 HALTER 1 FY FZ 14 052 103 377 SCHEIBE 10 5 3 FY FZ 15 N 010 473 9 SECHSKANTSCHRAUBE M 10X72 1 16 N 010 440 3 SECHSKANTSCHRAUBE 10X40 2 17 N 010 391 4 SECHSKANTSCHRAUBE M 8X100 1 18 052 903 147 BUCHSE 1 FY FZ 19 N 011 525 13 SCHEIBE A 8 4 1 20 N 022 146 4 SICHERUNGSMUTTER M 8 1 SELBSTSICHEi ND 20A 036 903 193 SCHUTZKAPPE 1 FUER GENERATOR fz 21 052 903 253 B STUETZE 1 Y FZ 22 N 010 239 11 SECHSKANTSCHRAUBE M 8X18 1 22A N 012 241 11 FEDERSCHEIBE B 8X15 1 23 052 903 285 SCHRAUBE 1 FY FZ 24 N 011 696 1 SCHEIBE B 8 1 1 FY FZ 25 481 827 233 SICHERUNGSMUTTER 1 FY FZ 26 052 903 119 A KEILRIEMENKCHEIBE 1 FY F7 FUER GENERATOR 9 10 18 20 26 028 903 109 KEILRIEMENSCHEIBE 1 FY FZ FUER GENERATOR 19 23 26 036 903 IIS A KEILRIEMENSCHEIBE 1 FY FZ FUER GENERATOR 17 24 26 049 903 119 3 KEILRIEMENSCHEIBE 1 ZA ZF FUER GENERATOR 2 26 055 903 119 B KEILRIEMENSCHEIBE 1 ZA ZF FÜER GENERATOR 3 27 049 903 1 7 A KEILRIEMEN 9 5X950MM 1 ZA ZF GELIEFERT WERDEN 049 903 137 A 137 C 27 052 903 137 A KEILRIEMEN 9 5X708 MM F 32A 0089 525 1 FY FZ 27 068 121 039 E KEILRIEMEN 9 5X683 MM F 32A 0089 526 1 FY FZ 28 059 903 171 LUEFTERßAD 1 115 32 78 D 1 9 009

Vorschau Passat Mod 78-80 Seite 811
Hinweis: Dies ist eine maschinenlesbare No-Flash Ansicht.
Klicken Sie hier um zur Online-Version zu gelangen.