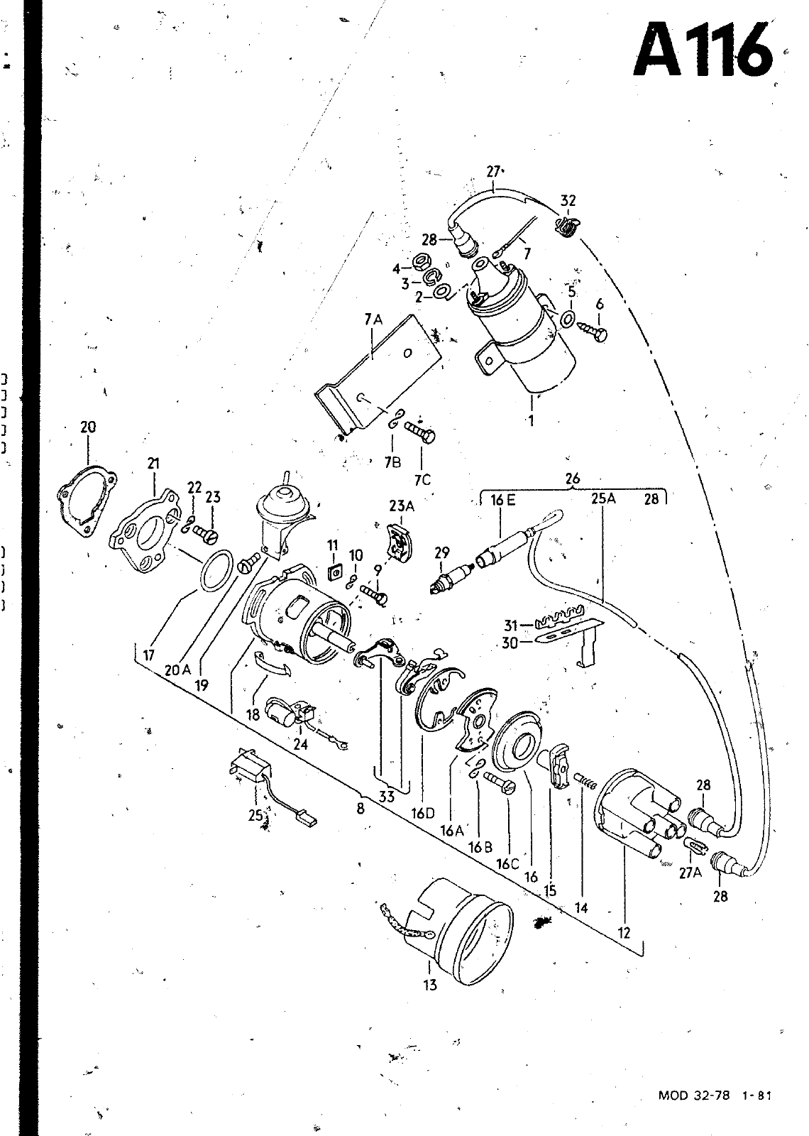
A116 I 6 7A 7B I 16 E Z5A 28 Z3A 10 M 30 160 16A 16 B 16C 27A 26 N 038 877 26 N 038 879 2 26 27 27 A 28 29 29 30 31 32 33 33 N D38 877 12 26 N 038 879 12 N 038 858 1 in 905 427 311 9 5 429 A N 017 811 21 N 017 812 19 046 905 477 052 905 471 B 825 957 815 036 998 051 A 036 998 051 C 052 998 031 y ZUENDLEITUNG 540 MM FUER ZYLINDER 1 UND 2 ZUENDLEITUNG 540 MM fUER ZYLINDER 1 ÜNb Z NAHENTSTOERT ZUENDLEITUNG 420 MM FUER ZYLINDER 3 UND 4 ZUENDLEITUNG 420 MM FUER ZYLINDER 3 UND 4 NAHENTSTOERt ZUENDLEITUf G VOM ZUENDVERTEILER ZUR ZUEN SPULE STECKER FUER ZUENDLPITUNGEN SCHUTZ APPE FUER ZUENDVERTEILER ZUENDKERZE 14 L W 175 ZUENDKERZE 14 L w 175 HALTER HALTER FUER ZUENDLEITUNGEN KABElCLIP 1 SATZ UNTEABRECHERKONTAKTE FUER ZUENDVERTEILER 5 1 SATZ UNTERBRECHERKONTAKTE FUER ZUENDVERTEILER 6 1 SATZ ZUENDLEITUNGEN BOSCH BERU RADIO RADIO C 4 4 1 6 r f A1 16 32 78 D 1 9 018

Vorschau Passat Mod 78-80 Seite 829
Hinweis: Dies ist eine maschinenlesbare No-Flash Ansicht.
Klicken Sie hier um zur Online-Version zu gelangen.