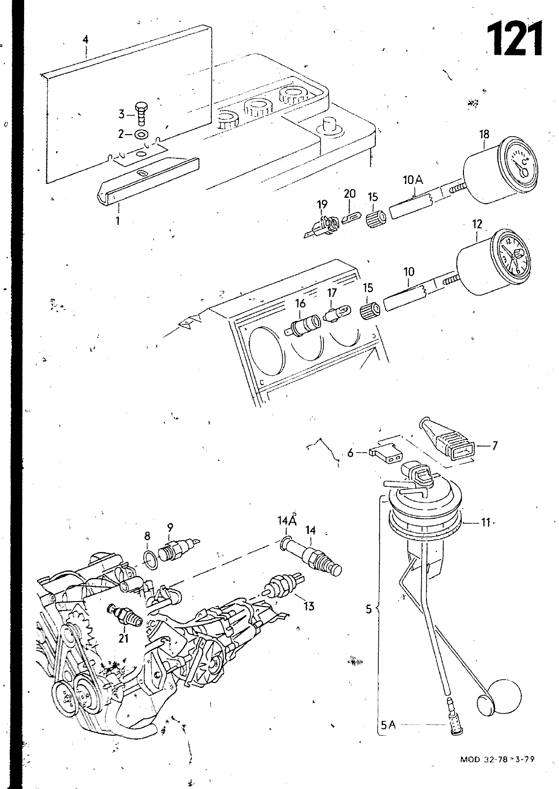
121 10A 20 15 19 6 13 5A MOD aZ TB HAUPTGRUPPE 9 ELEKTRISCHE AUSRUESTUNG BILD ERSATZTEILE NR BENENNUNG Sl KENNBUCHST 1 2 4 5 5 5 5A 6 7 8 9 9 10 10A 11 U 803 915 329 A N 011 558 6 N 010 240 16 322 915 437 321 919 051 3 321 919 051 F 321 919 051 E 321 919 051 M 321 919 095 311 906 211 919 N 013 021 19 056 919 321 919 321 919 113 9M9 113 201 2 A 141 808 3 081 B 081 C H5i 1 15 D 131 A 337 BATTERIEBEFESTIGUNG GEBER FUER KRAFTSTOFFVORRATS ANZEIGER OELDKUCKSCHALTER ZEITUMR TEMPERÄTURGEBER SCHALTER FUER RUECKFAHRLEUCHTE KLEMMLEISTE SCHEIBE 8 4 SECHSKANTSCHRAUBE M 8X20 ABSCHIRMBLECH FUER BATTERIE GEBER FUER KRAFTSTOFF VORRATSANZEIGLR KRAFTSTOFF BtHAELTER KUNSTSTOFF SFUEHRUNG F 328 2097 464 GEBER FUßR KRAFTSTOFF VORRATSANZEIGER KRAFTSTOFFBEHAELTER KUNSTSTOFFAUSFUEHRUNG F 328 2097 465 F 328 2000 001 GEBER FUER KRAFTSTOFF VORRATSANZE I GER KRAFTSTOFMEHAELTER BLECHAUSFUEHRUNG GEBER FUER KRAFTSTOFF VORRATSANZEIGER KRAFTSTOFFBEHAELTER BLECHAUSFUEHRUNG SIEB FUER KRAFTSTOFFBEHAELTER KUNSTSTOFFAUSFUEHRUNG STECKHUELSENGEHAEUSE SCHUTZKAPPE DICHTRING F 3Z9 2000 001 WORUCKSCHALTER F 328 2500 000 OElDRUCKSCHALTER F 329 2000 001 HALTfBUEGEL FUERtZEITUHR HALTEBUEGEL FU B OELTEMPERATURANZEIGER VOLTMETER DICHTRING FUER GEBER KRAFTSTOFFB AELTER BLECHAUSFUEHRUNG DICHTRING FUER GEBER KRAFTSTOFFBEHAELTER KUNSTSTOFFAUSFUEHRUNG AUSTRALIEN 1 PASSAT L GL PASSAT L GL S LS GLS K 3ETR0N1C DIESEL GLI S703 121 78 D 1 9 029

Vorschau Passat Mod 78-80 Seite 851
Hinweis: Dies ist eine maschinenlesbare No-Flash Ansicht.
Klicken Sie hier um zur Online-Version zu gelangen.