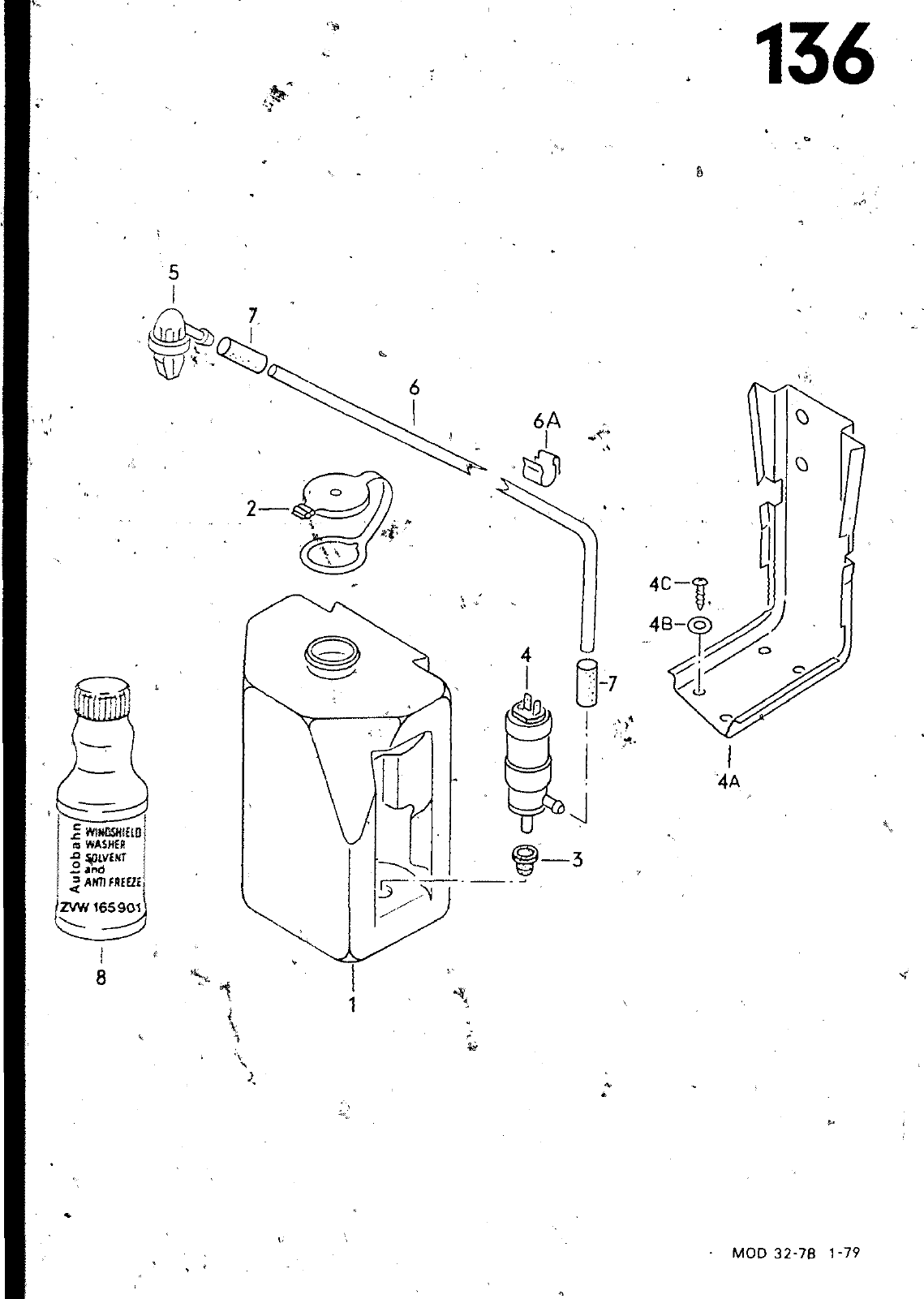
136 6A 4B ß zvwiesooi MOO 32 78 1 79 HAUPTGRUPPE 9 ELEKTRISCHE AUSRUESTUNG BILD ERSATZTEILE NR BENENNUNG ST MODELL SCHEIBENWASCHANLAGE WINDSCHUTZSCHEIBE 1 C 1 2 2 3 4 4A 4B 4C 5 5 6 6A N 011 523 N 013 970 823 955 985 321 955 957 N 020 301 171 201 981 803 955 995 32 455 453 D 433 955 453 A 433 955 455 435 955 455 431 955 465 B 431 955 651 171 955 775 FLUESSIGKEITSBEHAÜ TER FLUESSIGKEITSBEHAElTER DECKEL DECKEL TUELLE PUMPE ELEKTRISCH HALTER UER FLUESSIGKEITSBEHAELTER SCHEIBE A 5 3 LfNSENBLECHSCHRAUBE B 4 8X9 ß SPRITZDUESE SPRITZDUESE SCHLAUCH 4X1 1250 MM SCHLAUCHHALTER SCHLAUCHSICHERUNG DIESEL KLIMAANLAGE DIESEL KLIMAANLAGE 1 1 1 1 1 X X 1 1 1 1 DIESEL KLIMAANLAGE 2 DIESEL KLIMAANLAGE DIESEL 136 32 78 D 1 9 048

Vorschau Passat Mod 78-80 Seite 889
Hinweis: Dies ist eine maschinenlesbare No-Flash Ansicht.
Klicken Sie hier um zur Online-Version zu gelangen.