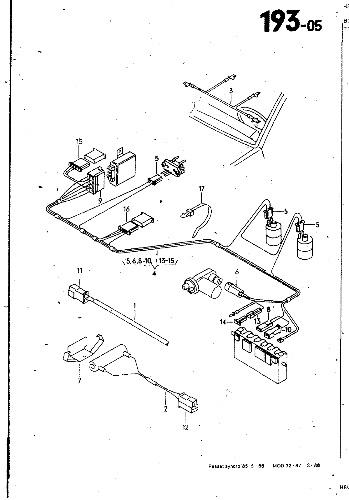
193 05 4 P ai yncro B5 S 86 MOD32 87 GW HAUPTGRUPPE 9 BILD ERSATZTElLEfkR ELEKTRISCHE AUSRUESTUNG BENENNypC BEMERKUNG ST MODELL 12 321 971 267 L 171 971 2M A 251 971 284 P 321 971 356 A 321 971 425 0 443 906 231 113 Tni13 321 971 280 lll 97t 9 r B 811 97f 971 161971 976 A 161 971 4 8 C 161 971 988 C 171 971 998 I7l 971 999 171 971 999 171 971 999 N 900 603 01 LEITUNGSSATZ FUER GESCHWINDIGKEITSREGELANLAGE SIGNALHORNLEITUNG FUER lENKRAOABOECKKAPPE LEITUNGSSATZ FUER TAGESFAHRLICHTSCHALTUNG LEITUNGSSATZ FUER STAOTFAHRLICHT LEITUNGSSATZ FUER STARKTONHORN ANTENNE UND RUNOUMKENNLEUCHTE LEITUNGSSATZ FUER STARKTONHORN ANTENNE UNO RUNOUMKENNLEUCHTE MITVERWENDEN BEACHTE STROMLAUFPLAN LElfuNGSSATZ FUER TAGESFAHRLICHTSCHALTUNG KUERZEN AUF LEITVNGSSATZ FUER STAOTFAHRLICHT SIGNAlHORNLEITUNG FUER LENKRAOABOECKKAPPE LEITUWGSSATZ FUER GESCHWINDIGKEITSREGELANLAGE BEACHTE AUCH UEBERSICHT FUER LEITUggfSAETZE ZUM SELBSTBAU FLACHSTECKHUELSENGEHAEUSE RUNDSTECKERGEHAEUSE HRLJER FUER WIDERSTAND FLACHSTECKHUELSENGEHAEUSE FLACHKONTAKTGEHAEUGE FLACHSTECKEROEHAEUSE FLACySTECKERGEHAEUSE ANSCHLUdSSTUECK LEITUNGSSATZ LIWKS VORN FLACHSTECKERGEHAEUSE ANSCHLUSSSTUECK LflTUNGSSATP LINKS VORN RUNOSTECKERGEHAEUSE RUNDStECKHUELSENGEHAEUSE RUNOSTECKHUELSENGEHAEUSE RUNOSTECKHUELSENGEHAEUSE LENKSTOCKKOMBINATIONSSCHALTER KABELBINDER 32 J 000001 11t 971 921 8 CE POLIZEI c CD 3 2 POL IC 3 POLIG 1 PpLIG 8 POLIG t POLIC 2 POLIG 2 POLIG T POLfC 1 POLIG 4 POLIG 4 POLIG 6 5X175 3 CD HAUPTGRUPPE ELEKTRISCHE AUSRUESTUNG 193 05 D 19 0811

Vorschau Passat Mod 87-88 Seite 1001
Hinweis: Dies ist eine maschinenlesbare No-Flash Ansicht.
Klicken Sie hier um zur Online-Version zu gelangen.