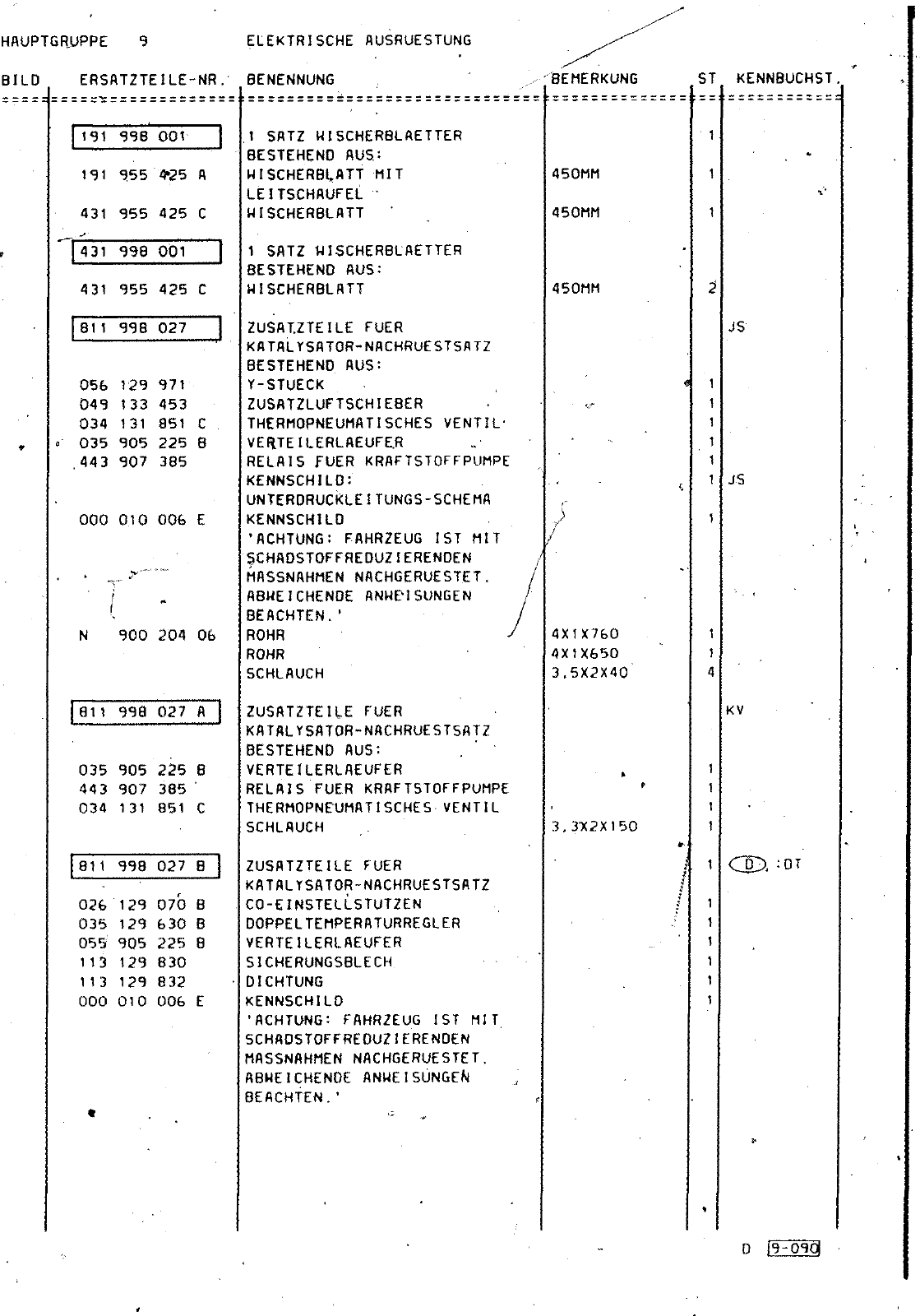
HAUPTGRUPPE 9 BILD ERSATZTEILE NR ELEKTRISCHE AUSRUESTUNG BENENNUNG BEMERKUNG ST KENNBUCHST 1191 998 001 191 955 425 A 431 955 425 C j43l 998 001 431 955 425 C 811 998 027 056 129 971 049 133 453 034 131 851 C 035 905 225 8 443 907 385 000 010 006 E N 900 204 06 311 998 027 A 035 905 225 B 443 907 385 034 131 851 C 811 998 027 8 026 129 070 B 035 129 630 B 055 905 225 8 113 129 830 113 129 832 000 010 006 E 1 SATZ WISCHERBLAETTER BESTEHEND AUS WISCHERBLATT MIT LEITSCHAUFEL WISCHERBLATT 1 SATZ WISCHERBLAETTER BESTEHEND AUS WISCHERBLATT ZUSATZTEILE FUER KATALYSATOR NACHRUESTSATZ BESTEHEND AUS Y STUECK ZUSATZLUFTSCHIEBER THERMOPNEUMATISCHES VENTIL VERTEILERLAEUFEß RELAIS FUER KRAFTSTOFFPUMPE KENNSCHZLO UWTERDRUCKLEITUNGS SCHEMA KENNSCHILD ACHTUNG FAHRZEUG IST MIT SCHADSTOFFREDUZIERENDEN MASSNRHMEN NACHGERUESTET ABWEICHENDE ANWEISUNGEN BEACHTEN ROHR ROHR SCHLAUCH ZUSATZTEILE FUER KATALYSATOR NACHRUESTSATZ BESTEHEND AUS VERTEILERLAEUFER RELAIS FUER KRAFTSTOFFPUMPE THERMOPNEUMATISCHES VENTIL SCHLAUCH ZUSATZTEILE FUER KATALYSATOR NACHRUESTSATZ CO EINSTELLSTUTZEN DOPPELTEMPERATURREGLER VERTEILERLAEUFER SICHERUNGSBLECH DICHTUNG KENNSCHILD ACHTUNG FAHRZEUG IST MIT SCHADSTOFFREDUZIERENDEN MASSNAHMEN NACHGERUESTET ABWEICHENDE ANWEISUNGEN BEACHTEN 450MM 450MM 450MM 4X1X760 4X1X650 3 5X2X40 3 3 2X150 JS JS CD DT D 19 090

Vorschau Passat Mod 87-88 Seite 1018
Hinweis: Dies ist eine maschinenlesbare No-Flash Ansicht.
Klicken Sie hier um zur Online-Version zu gelangen.