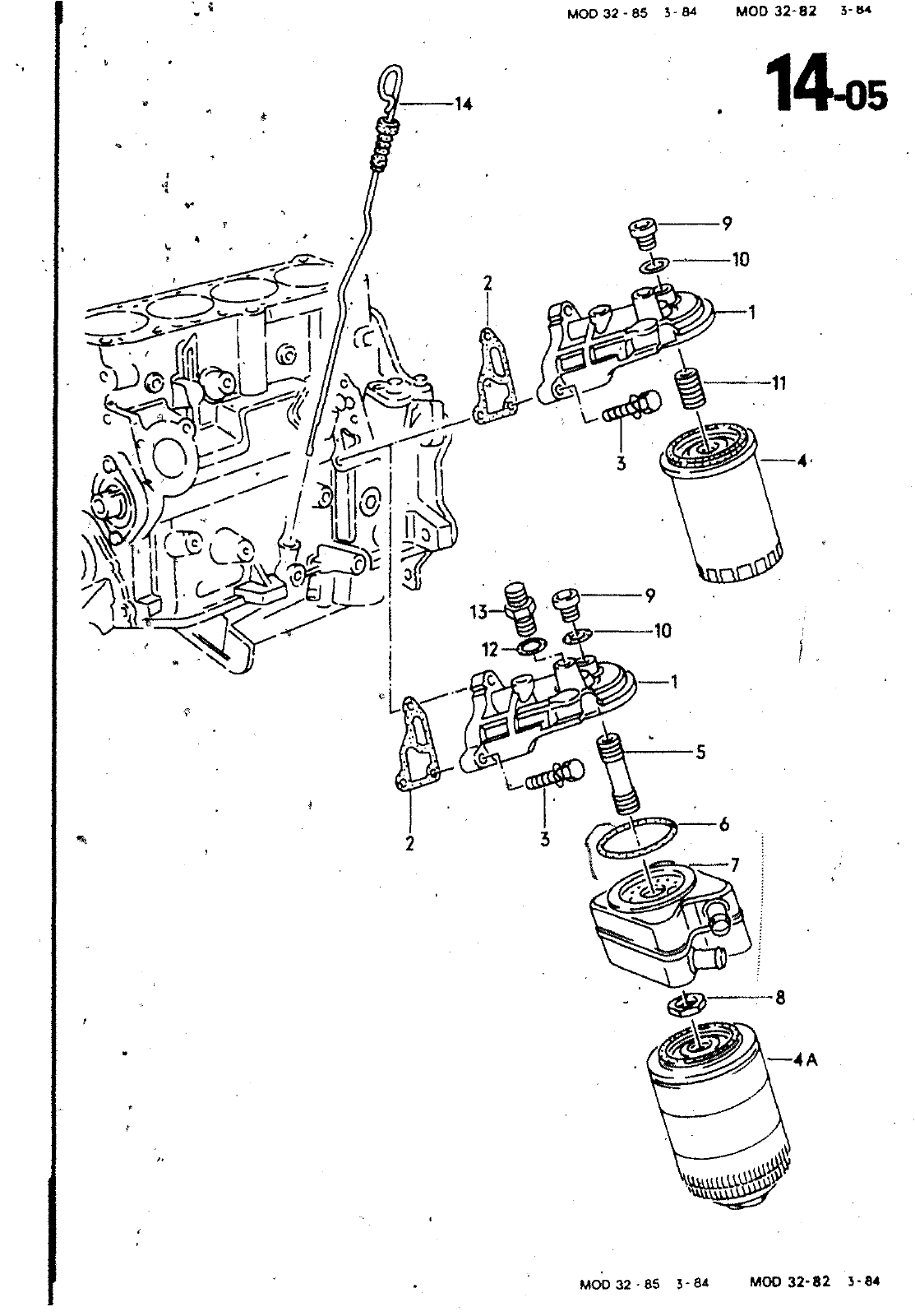
ldOD 32 85 5 84 M0D 82 5 Q ßs wrtr Q X 9 J u o U 0 Tk 144 5 MOO 32 85 5 84 MOD 32 82 3 84 HAUPTGRUPPE 1 MOTOR 3ILD ERSATZTEILE NR BENENNUNG BEMERKUNG ST KENNBUCHST 4A 5 6 12 1 3 OELFILTER OELFfLTERHALTER OELMESSSTAB 1 3 1 8LTR JN DS DT RM JU JV RL PP OTA EP OfESEL JK T DIESEL CY 026 115 417 A 06 115 417 AF 068 115 417 AF 049 1l3 441 N 014 717 2 NT Olf 229 3 N 014 726 3 N 0 2 229 3 056 1 15 561 G 068 115 561 B 068 115 721 AMV 188 100 02 N 901 814 02 068 11021 8 068 115 723 N 016 024 1 N 013 806 2 059 115 721 N 013 812 8 N 020 819 2 OELFILTERHALTER OELFILTERHALTER OELFILTERHALTER MITVERWENDEN MITVERWENDEN MITVERWENOEN 013 812 8 016 159 1 013 806 2 016 024 1 01 3 812 8 020 819 2 013 806 2 016 024 1 013 812 8 016 153 1 013 806 2 016 024 1 DICHTUNG ZYLINDERSCHRAUBE MIT fNNENSECHSKANTKOPF FEDERSCHEIBE ZYLINDERSCÜRAUBE MIT INNENSECHSßANTKOPF MITVERWENDENi FEDERSCHEIBE OELFILTER OELFILTER SCHRAUBSTUTZEN M8X40 A8X15X0 3 M8X30 N 012 229 3 A8X15X0 3 DICHTUNGSPASTE RUNDDICHTRING OELKUEHLER SECHSKANTMUTTER VERSCHLUSSSCHRAUBf DICHTRING SCHRAUGSTUTZEN DICHTRING SCHRAUGSTUTZEN 59X5 MidXI A10X14 A12X15 5 L8M 14 05 PP T DIESEL CY DS DT JU RM JN JV RL EP DTA DIESEL JK DS DT JN RM JU JV RL PP DTA EP GIESEL JK T 0IE5EL CY T DIE5EL CY AUTOMATIC DIESEL JK DIESEL JK T DIE5EL CY T OIESEL CY AUTOMATIC DIESEL JK T 0IE5EL CY AUTOMATIC DIESEL JK T OIESEL CY AUTOMATIC DIESEL JK DS Df JN RM JU JV RL PP DTA EP DIESEL JK T DIESEL CY D H 028 016 153 1 I VERSCHLUSSSCHRAUBE AM12X1 5 I l DS pT JU JN

Vorschau Passat Mod 87-88 Seite 125
Hinweis: Dies ist eine maschinenlesbare No-Flash Ansicht.
Klicken Sie hier um zur Online-Version zu gelangen.