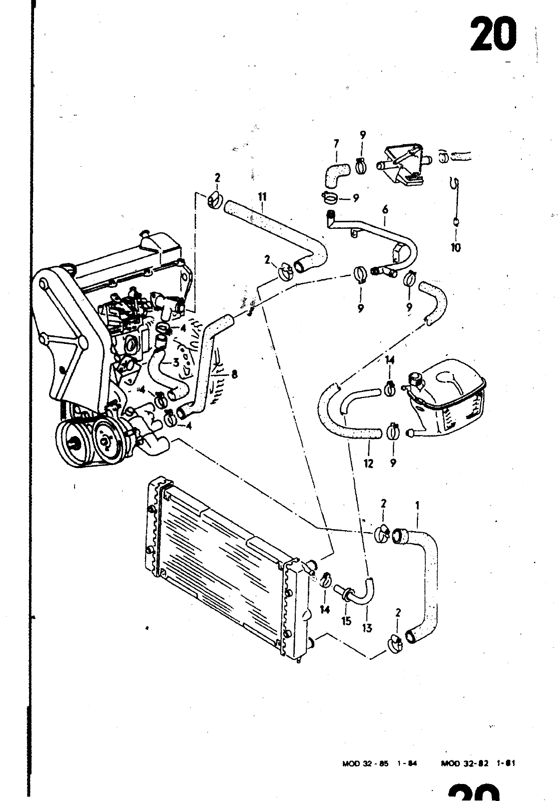
20 9 G 3 c 12 9 2 1 w 3 MOO 33 5 l M WOO 32 3 1 1 mm HAUPTGRUPPE 1 MOTOR BILD ERSATZTEILE NR BENENNUNG BEMERKUNG ST KENNBUCHST 9 9 11 11 12 12 521 121 051 L N 016 410 1 068 121 053 AE N 016 404 1 068 121 065 N 049 121 063 R 026 121 063 M N 016 402 1 N 016 403 1 321 121 101 J 322 121 101 321 121 109 E 322 121 109 B N 900 976 01 311 133 343 N 020 901 1 WASSERSCHLAEUCHE UND ROHRE 1 6LTR DIESEL JK WASSERSCHLAUCH WASSERPUMPE WASSERKUEHLER FE0ERBANO5CHELLE WASSERSCHLAUCH ZYLINDERKOPF WASSERPUMPE I FEDERBANDSCHELLE WASSERROHR WASSERSCHLAUCH fWASSERROHR HEIZUNGSVENTILI WASSERSCHLßUCH WASSERROHR WASSERPUMPE I FE0ER8AN05CHELLE FEDERBANDSCHELLE WASSERSCHLAUCH FLANSCH WASSERKUEHLER WASSERSCHLAUCH FLANSCH WASSERKUEHLER WASSERSCHLAUCH fWaSSERROHR AUSGLEICHBEHAELTERI WASSERSCHLAUCH IWASSERROHR AUSGLEICHBEHAELTERI SCHLAUCH IN ROLLEN ZU 5M BESTELLEINHEIT 5 KUERZEN AUF SCHELLE KABELBINDER 32 23 27 7X2 5 540MM 360 LLKG RLKG LLKG RLKÖ HAUPTGRUPPE 1 MOTOR D M 0391

Vorschau Passat Mod 87-88 Seite 139
Hinweis: Dies ist eine maschinenlesbare No-Flash Ansicht.
Klicken Sie hier um zur Online-Version zu gelangen.