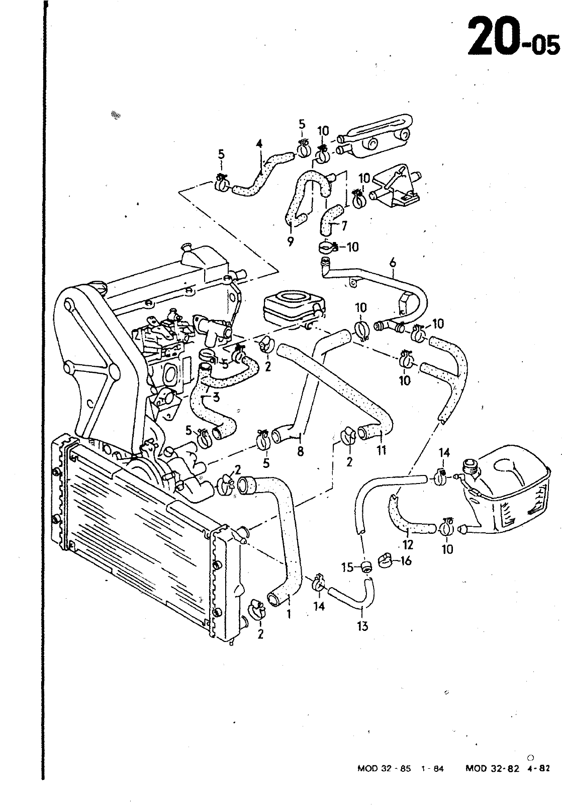
20 05 10 iS 10 10 10 10 rr 11 14 C bD r sa l 0 15 8 1 14 o MOD 32 65 1 84 MOO 32 82 4 82 HAUPTGRUPPE 1 MOTOR BILD ERSATZTEILE NR BENENNUNG BEMERKUNG ST KENNBUCHST 10 10 1 1 I 1 1 11 321 121 051 L N 016 Oqe 121 410 1 053 AG 068 121 058 H N 016 068 121 049 121 0 6 121 068 121 N 0 N 016 321 121 402 1 065 N 063 R 063 M 063 J 402 1 403 1 101 J 323 121 101 A 322 121 324 121 lo 101 321 121 109 F 322 121 109 A 900 976 01 WASSER5CHLAEUCHE UND ROHRE 1 6LTR T DIESEL CY AUTOMATIC JK 311 133 068 121 311 133 N 020 343 450 343 901 1 WASSERSCHLAUCH tWÄSSERPUMPE WASSERKUEHLER FEDERBANDSCHELLE WASSERSCHLAUCH ZYLINDERKOPF WASSERPUMPE WASSERSCHLAUCH FLANSCH OELKUEHLERI FEDERBANDSCHELLE WASSERROHR WASSERSPHLAUCH I WASSERROHR HEIZUNGSVENTIL I WASSERSCHLAUCH IWASSERROHR WASSERPUMPEI WAS ERSCHLAUCH WÄSSERROHR OELKUEHLERI FEDERBANDSCHELLE FEDERBANDSCHELLE WASSERSCHLAUCH FLANSCH WASSERKUCHLERI WASSERSCHLAUCH FLANSCH WASSERKUEHLERI FUER FAHRZEUGE MIT SCHEINWERFERWASCHÄNLAGE FUER FAHRZEUGE MIT SERVOLENKUNG WASSERSCHLAUCH FLANSCH WASSERKUEHLERI WASSERSCHLAUCH FLANSCH WASSERKUEHLERI FUER FAHRZEUGE MIT SCHEINWERFERWASCHANLAGE FUER FAHRZEUGE MIT SERVOLENKUNG WASSERSCHLAUCH WASSERROHR AUSGLEICHBEHAELTERI WASSERSCHLAUCH IWASSERROHR AUSGLEICH8EHAELTER SCHLAUCH IN ROLLEN ZU 5M BESTELLEINHEIT 5 KUERZEN AUF SCHELLE DROSSEL FUCR ENTLUEFTUNGSSCHLAUCH SCHELLE KABELBINDER 40 SCHALT GETRIEBE 23 27 LLKG LLKG RLKG RLKG RLKG 7X2 5 54GMM 360 AUTOMATIC T OIESEL CY AUTOMATIC KLIMAANLAGE KLIMAANLAGE 20 05 D I1 03ÜI

Vorschau Passat Mod 87-88 Seite 141
Hinweis: Dies ist eine maschinenlesbare No-Flash Ansicht.
Klicken Sie hier um zur Online-Version zu gelangen.