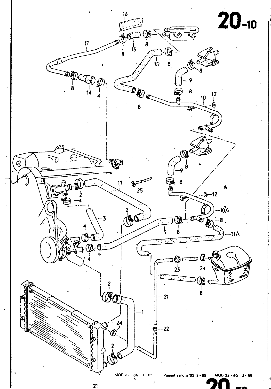
15 8 25 12 10A 1 11A C A 23 24 B 22 KX N 1 MOO 32 86 1 85 P M I ynoo 85 2 MOO 32 95 3 85 on HAUPTGRUPPE 1 MOTOR BILD ERSATZTEILE NR BENENNUNG BEMERKUNG ST ENNBUCHST 10 lom 1 tIA 21 22 23 24 25 321 121 051 L N 016 410 1 026 121 053 G N 016 403 1 026 121 063 M N 016 402 1 049 121 063 R 321 121 065 B 068 121 065 N 321 121 toi J 321 121 lOg E N 011 531 7 026 121 447 027 121 447 026 121 448 A 034 121 45t A 026 121 485 0 N 900 976 01 068 121 450 811 121 451 311 133 343 N 020 901 1 WASSERSCHLAEUCHE UNO ROHRE 1 8LTR WASSERSCHLAUCH IWASSERPUMPE WAS5ERKUEHLERI FEDERBANDSCHELLE WASSERSCHLAUCH FLANSCH WASSERPUMPE I FEDERBANOSCHELLE WASSERSCHLAUCH IWASSERROHR WASSERPUMPEl FEDERBANOSCHELLE WASSERSCHLAUCH I WASSERROHR HEIZUNGSVENTIL I WASSERROHR WASSERROHR WASSERSCHLAUCH FLANSCH T HASSERKUEHLERI WASSERSCHLAÜCH WASSERROHR AUSGLEICHBEHAELTERI SCHEIBE WASSERSCHLAUCH WASSERROHR OELKUCHLERI REOUZIERSCHLAUCH WASSERSCHLAUCH OELKUEHLER WASSERROHR HUELLE FUER WASSERSCHLAEUCHE WASSERROHR SCHLAUCH IN ROLLEN ZU 5M BESTELLEINHEIT 5 KUERZEN AUF DROSSEL FUER ENTLUEFTUNGSSCWLAUCH SCHUTZRING SCHELLE KABELBINOER 27 23 AI 3X24X2 5 7X2 5 540MM 360 4 ZTLINDER JN AUTOMATIC AUTOMATIC AUTOMATIC AUTOMATIC AUTOMATIC AUTOMATIC 20 10 0 11 03 HAUPTGRUPPE 1 MMTOR RFMFBKUNG ST KENNBUCHSTi

Vorschau Passat Mod 87-88 Seite 143
Hinweis: Dies ist eine maschinenlesbare No-Flash Ansicht.
Klicken Sie hier um zur Online-Version zu gelangen.