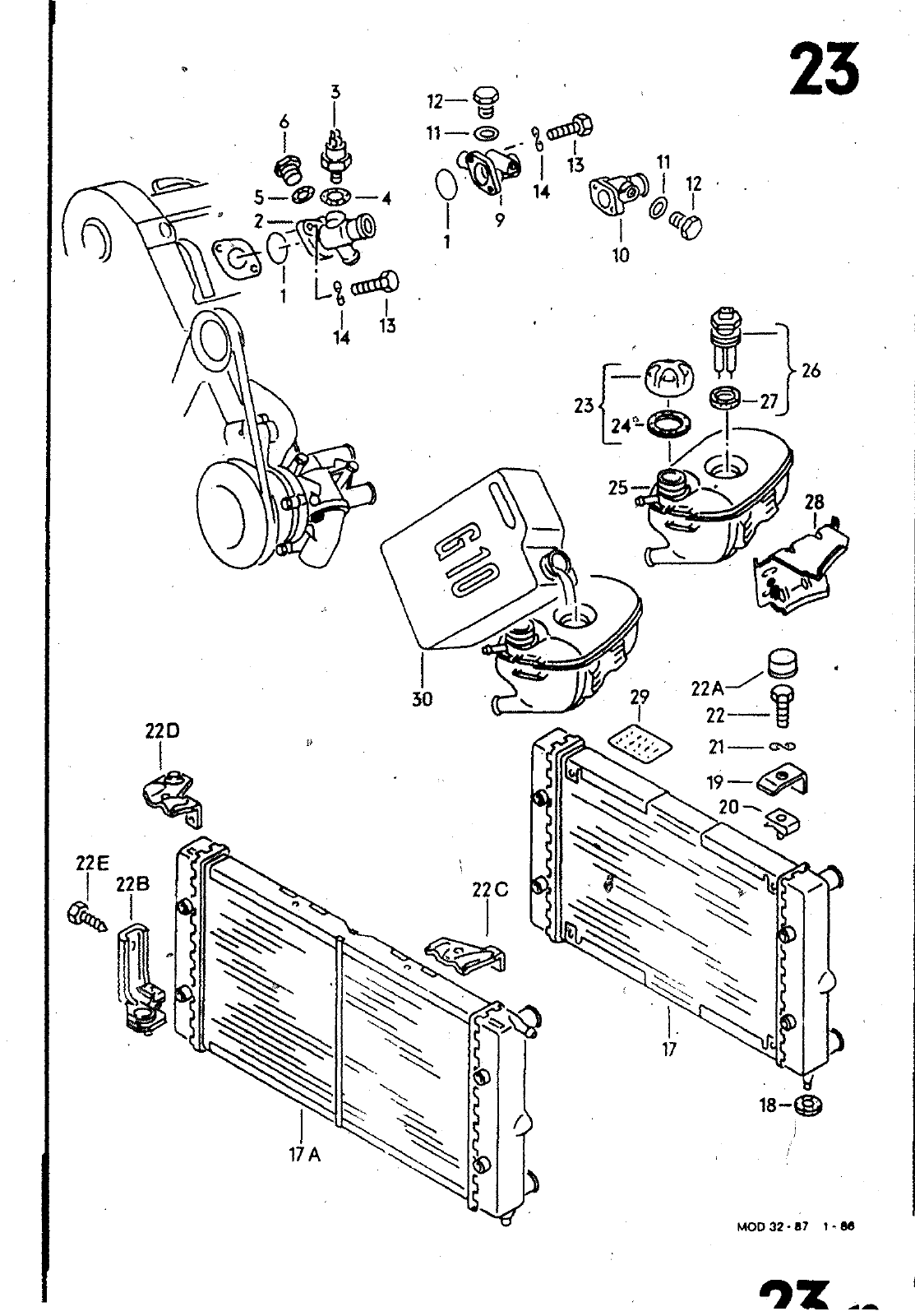
23 12 11 10 H G ZA 23 24 25 28 gl 22A 29 30 220 20 3 22E 228 22 C 011 0 18 0 17 A MOD 32 7 t M 1171 18 19 20 21 22 22A 23 1231 24 25 1251 26 27 28 29 129 30 1301 321 121 253 BL 321 121 253 8H 321 121 253 BH 171 121 27 0 321 121 267 431 399 433 N 012 227 3 W 010 215 13 N 901 832 01 171 121 321 0 171 121 321 J 171 121 327 171 121 407 F 171 121 407 E 251 919 372 N 902 400 01 321 121 409 C 028 121 465 028 121 465 A G 001 100 G 001 105 wmSSERKUEHLER FUER FAHRZEUGEINSATZ IN WARMEN LAENOERN FUER FAHRZEUGE MIT ANHAENGERBETRIEB FUER FAHRZEUGE MIT KLIMAANLAGE WASSERKUEHLER FUER FAHRZEUGEINSATZ IN WARMEN LAENOERN FUER FAHRZEUGE MIT ANHAENGERBETRIEB WASSERKUEHLER GUMMrSCHEIBE HALTEBLECH STECKMUTTER FEOERSCHCIBE SECHSKANTSCHRAUBE SCHUTZKAPPE YERSCHLUSSOECKEL VERSCHLUSSDECKEL DICHTRING AUSGLEICH8EHAELTER AUSGLEICHBEHAELTfR KUCHLWASSERSTANDSSCHALTER RUNOOlCHTRING HALTER FUER AUSGLEICHBEHAELTfR KENNSCHILD VW KUEHLERFROSTSCHUTZMITTEL KENNSCHILO VW KUEHLERFROSTSCHUTZMITTEL VW KUEHLFROSTSCHUTZMITTEL VW KUEHLFROSTSCHUTZMITTEL 700MM S70MM A6XI0X0 5 M6X15 A10X4 2 X4 2S C s 35 C 1 5LTR 50LTR T DIESEL CY DIESEL JK T QIESEL CT KLIMAANLAGE T OIESEL CY GIESEL JK T DIESEL Cf EP JU JV DT DS RL RM PP OTA DIESEL JK T DIE5EL CY DIESEL JK T DIESEL CY 23 D 11 0401 HAUPTGRUPPE 1 MOTOR

Vorschau Passat Mod 87-88 Seite 149
Hinweis: Dies ist eine maschinenlesbare No-Flash Ansicht.
Klicken Sie hier um zur Online-Version zu gelangen.