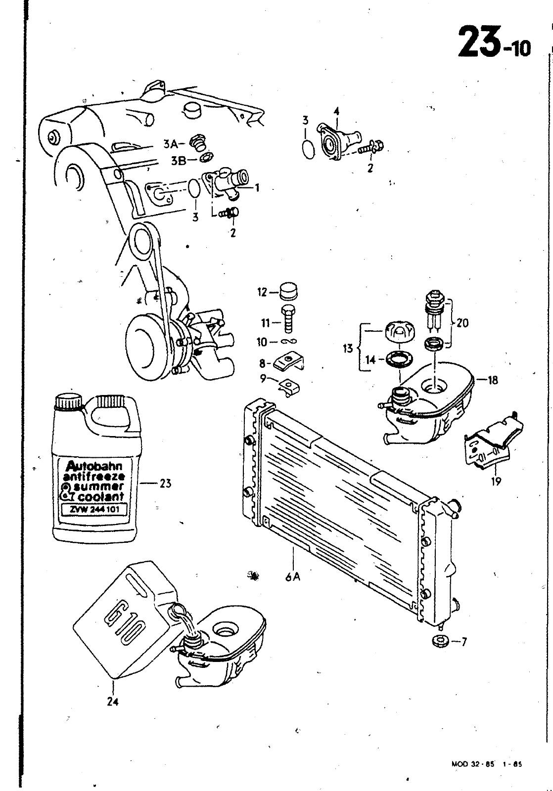
23 10 e 3A 0 3B H zo in oo 14 8 C AwkAahn annfr ze Rümmer ucoolamf ZVWM4101 6A 5 WOO 32 5 1 85 HAUPTGRUPPE 1 MOTOR BILD ERSATZTEILE NR BENENNUNG BEMERKUNG ST KENNBUCHST 2 3 3 3A 38 4 4 6A 6A1 6A 7 8 9 TO 1 1 12 1 3 1 4 18 19 24 124 026 121 133 C N 010 N 012 N 028 052 121 N 016 N 013 026 121 026 121 321 121 32T 121 321 121 217 9 226 5 206 2 MI 024 1 606 2 145 E 145 F 253 8M 251 AL 251 BJ 171 121 276 D 321 121 267 431 399 433 N 012 227 3 N 010 215 13 N 901 32 01 171 121 321 0 171 121 227 171 121 407 E 321 121 409 C G 001 100 G 001 105 WASSERKUEHLER AUSGLEICHBEHRELTER FLANSCH 1 6LTR 4 ZTLINDER JN FLANSCH MITVERWENDEN SECHSKANTSCHRAUBE FEDERSCHEIBE OJCHTRING DICHTUNG VERSCHLUSSSCHRAUBE DICHTRING FLANSCH FLANSCH WASSERKUEHLER WASSERKUEHLER WASSERKUEHLER FUER FAHRZEUGE MIT TANDEMLUEFTER GUMMISCHEIBE HACTEBLECH STECKMUTTER FEDERSCHEIBE SECHSKANTSCHRAUBE SCHUTZKAPPE VERSCHLUSSDECKEL DiqHTRING AÜSGLEICHBEHAELTER HALTER FUER AÜSGLEICHBEHAELTER VW KUEHLFROSTSCHUTZMITTEL VW KUEHLFROSTSCHUTZMITTtL N 0 0 11 N 013 806 2 M6X20 86 37 5X3 ISN M10X1 A10X14 525MM 700MM 700MM A6X10X0 5 M6X15 A10X4 2 47X33 5 t SLTR 50LTR AUTOMATIC KLIMAANLAGE KLIMAANLAGE 23 10 0 II 0411

Vorschau Passat Mod 87-88 Seite 151
Hinweis: Dies ist eine maschinenlesbare No-Flash Ansicht.
Klicken Sie hier um zur Online-Version zu gelangen.