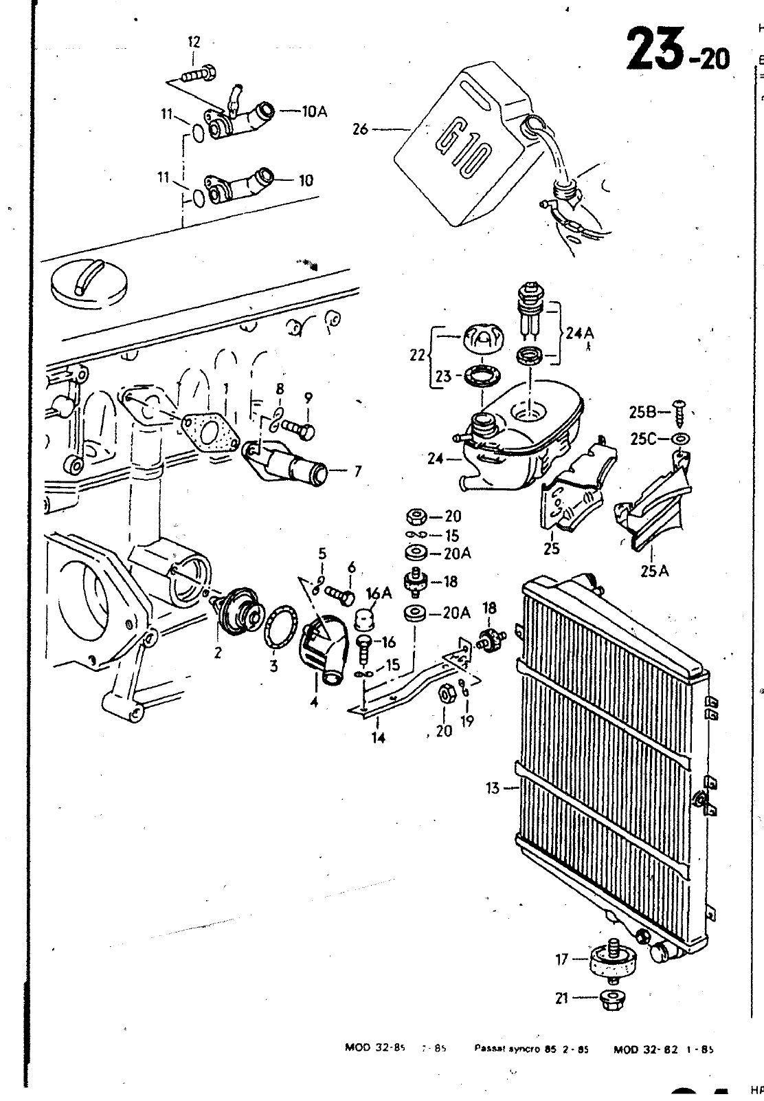
0 or 24A 258 9 25C S 24 4g 20 30 IS 20A 25 25A HAUPTGRUPPE t MOTOR 3IL0 ERSATZTEILE NR BENENNUNG 20 20A w 13 21 7 8 9 10 10A 1 1 12 13 13 1 3 14 15 16 ISA 1 7 18 19 20 20A 21 22 23 24 24A 25 26 26 52 12 1 091 069 121 113 035 121 119 034 121 121 N 012 226 5 N 010 218 6 034 121 133 8 034 121 N 013 N 016 N 0 l2 N 010 034 121 034 121 N 900 N 010 321 121 321 121 321 121 321 121 N 012 N 010 N 901 431 121 4 3 121 N 012 N 01 1 431 616 N 902 171 121 171 121 171 121 251 919 N 902 321 121 G 001 G 001 133 C 806 2 024 1 226 5 222 8 143 B 143 C 351 01 238 1 3 253 80 253 AG 253 AG 261 A 227 3 210 7 832 01 273 273 E 227 3 006 8 197 920 01 321 0 327 407 F 372 400 01 409 C 100 105 BEMERKUNG WASSERKUEHLER AUSGLEICHBEHAELTER ROHRSTUTZEN DICHTUNG KUEHLWASSERRECKER DICHTRING DECKEL FEDERSCHEIBE SECHSKANTSCHRAUBE FLANSCH MITVERWENOEN FLANSCH DZCHTRZNG VERSCHLUSSSCHRAUBE FEDERSGHEI8E SECHSKANTSCHRAUBE ROHRSTUTZEN ROHRSTUTZEN RUNODICHTRING SECHSKANTSCHRAUBE ASSERKUEHLER WASSERKUEHLER WASSERKUEHLER FUER FAHRZEUGEINSATZ IN WARMEN lAENDERN STREBE FEDERSCHEIBE SECHSKANTSCHRAUBE SCHUTZKAPPE GUMMIMETALL LAGER GUMMIMETALL LAGER FEDEASCHEIBE SECHSKANTMUTTER SCHEIBE SICHERUNGSMUTTER VERSCHLUSSDECKEL DICHTRING AUSGLEICHBEHAELTER KUEHLWASSERSTANOSSCHALTER RUNDDICHTRING HALTER FUER AUSGLEICHBEHAELTER VW KUEHLFR05TSCHUTZM TTEL VW KUEHLFROMSCHUTZMITTEL ST KENNBUCHST 2 jO 2 23LTR 6 C 86 M6X25 N 016 024 1 N 013 806 2 A1OX14 MIÖXI 86 M6X22 21X3N M8X15 470MM 480MM 480MM A6X10XO 5 M6X10K A1ÖX4 2 A6X10X0 5 M6 M8 24X4 1 5LTR 50LTR 5 ZYLINDER JS HP KV HY KX SK KV HY JS HP SK JS HP KX AUTOMATIC JS HP SK KV HY KX JS HP SK 23 20 MOO 32 85 85 P ww myncfo 6 2 85 MOO 32 62 1 85 D 11 0421 HAUPTGRUPPE 1 MOTOR

Vorschau Passat Mod 87-88 Seite 153
Hinweis: Dies ist eine maschinenlesbare No-Flash Ansicht.
Klicken Sie hier um zur Online-Version zu gelangen.