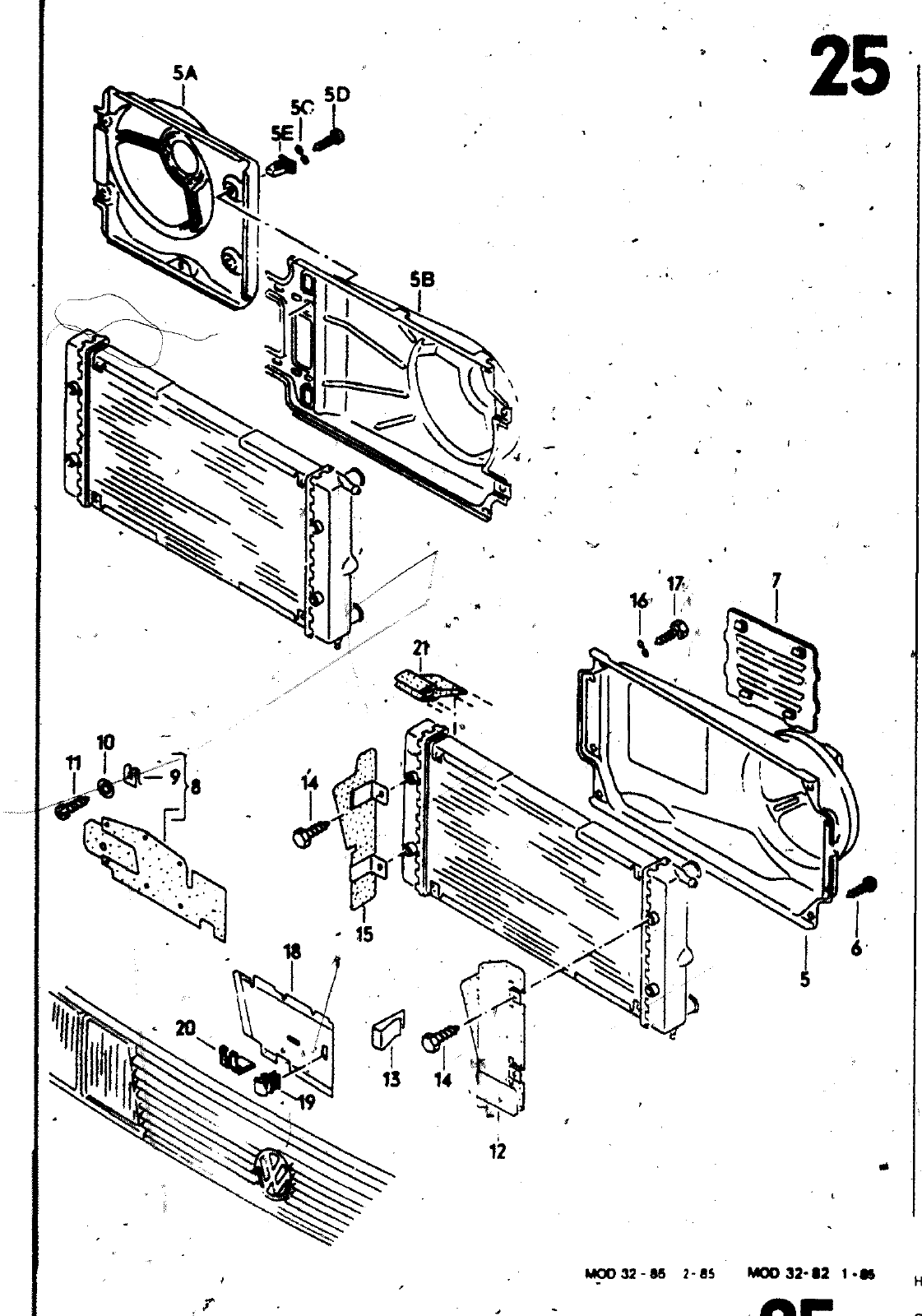
25 SD 5C I SB 1 I 9 M y s 20 14 Moo a 2 es 1 00 32 2 i HAUPTGRUPPE 1 MOTOR BILD ERSATZTEILE NRi BENENNUNG BEMERKUNG ST KENNSUCHST SA I5B 5C 50 5E 6 7 12 13 14 15 115 11 21 321 21 207 K 321 121 205 J 321 121 205 J 321 121 207 J 321 121 207 J 012 225 3 013 968 1 811 807 577 C N 321 321 321 N 321 321 013 977 1 121 223 121 2 30 121 287 015 9 5 1 121 284 L 121 284 M N 012 234 5 N 013 890 5 321 853 663 323 853 6k4 08 86 03 88 321 821 331 01C LUEFTERRING LUEFTERRING LUEFTERRING FUER FAHRZEUGEINSATZ IN WARMEN LAENOERN fUER FAHRZEUGE MIT ANHAENGER8ETRIEB LUEFTERRING LUEFTERRING FUER FAHRZEUGEINSATZ IN WARMEN LAENOERN FUER FAHRZEUGE MIT AßHAENGERBETRIEB LUEFTERRING FEOERSCHEIBE LINSENBLECHSCHRmUGE EINSTECKMUTTER LINSENBLECHSCHRAUBE KUEHLERJALOUGIE LUFTFUEHRUNGSPAPPE LINKS CLIP SECySKANTBLECHSCHRAUBE LUFTFUEHRUNGSPAPPE RECHTS LUFTFUEHRUNGSPAPPE RECHTS FUER FAHRZEUGE MIT ANHAENGER8ETRIEB FUER FAHRZEUGEINSATZ IN WARMEN LAENOERN FEOERSCHEIBE SECHSKANTBLECHSCHRAUBE ABOECKUNO FUER KUEHLERGRILL ABOECKUNG FUER KUEHLERGRILL SATINSCHWARZ DICHTUNG l tLTR B5XI1X0 S 84 8X13 B6 3X16 A6 5X16 B7X14X0 8 B6 3Xr3 LINKS RECHTS 368MM 700MM DIESEL JK T DIESEL C T OIESELiCY KLIMAANLAGE T DIESEL CY T OIESEL CY KLIMAANLAGE T OIESEL CY T OIESEL CY 25 D 11 043 HAUPTGRUPPE 1 MOTOR RFMFRKUNA ST KFNNBUCHST

Vorschau Passat Mod 87-88 Seite 159
Hinweis: Dies ist eine maschinenlesbare No-Flash Ansicht.
Klicken Sie hier um zur Online-Version zu gelangen.