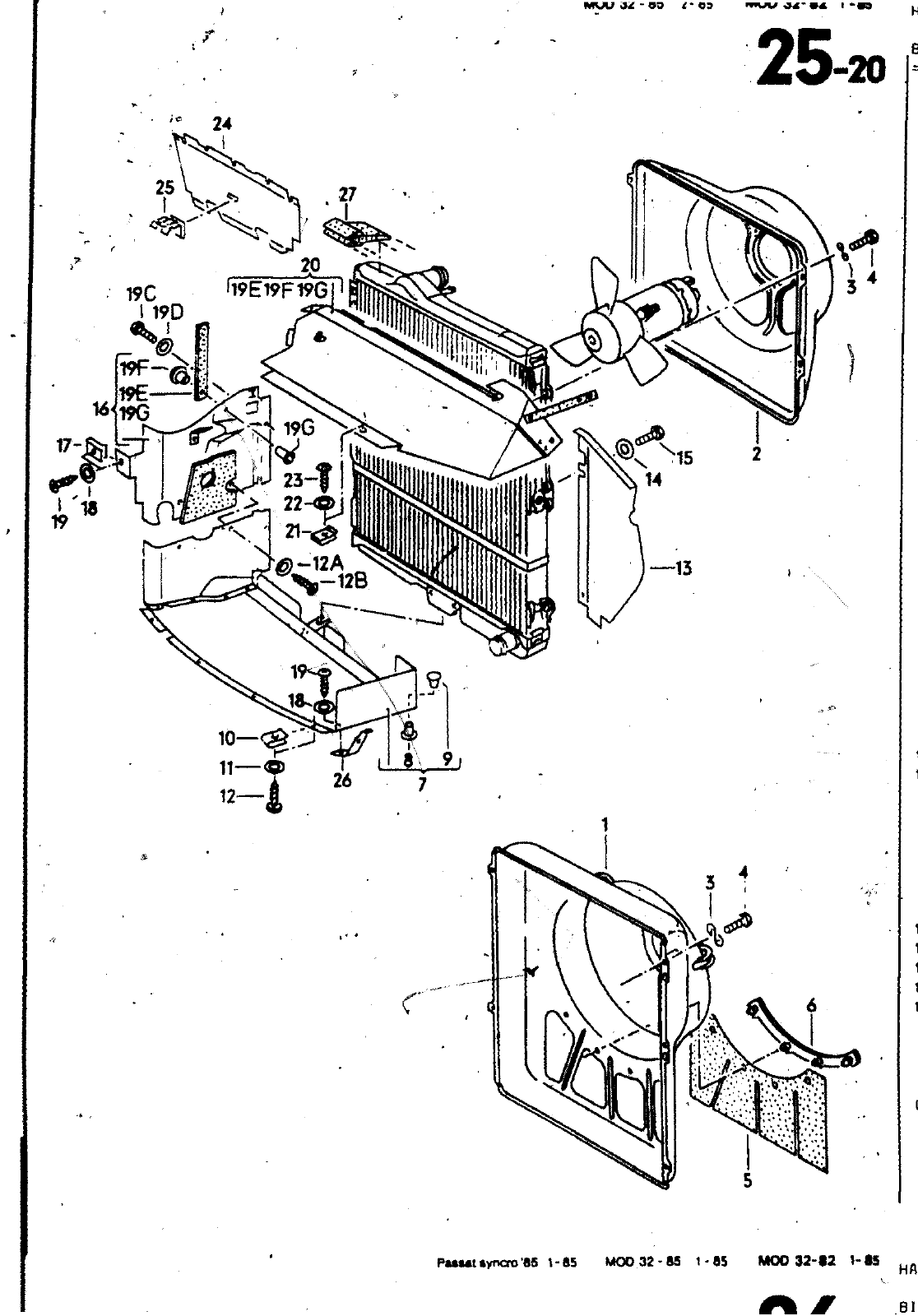
25 20 25 I I19E19F19G 19C 19D 19F E 190 f r i5 23 22 4 21 12A 12B 9 1 k e 9 c HAUPTGRUPPE 1 MOTOR 8IL0 ERSATZTEILE NR BENENNUNG 7 8 9 10 11 12 12A I2B 13 14 15 16 17 18 19 19C 190 19E 1 F 14G 20 21 22 23 124 27 853 121 205 853 121 205 855 l5l 207 N 012 2 34 5 N 010 210 7 823 121 225 823 121 225 ä03 121 227 803 121 227 321 N N N N N N N 321 211 N 32t N N N N 211 121 013 013 015 011 013 on 013 121 805 010 121 015 011 013 010 805 803 809 281 B N N 321 N N N 323 013 013 121 015 011 013 853 510 529 448 522 964 522 964 283 243 208 5 284 P 423 1 667 2 3 3 4 208 5 243 37 530 5 510 4 293 8 KW 1 523 7 9t8 1 664 08 86 03 88 321 821 331 01C LUEFTERRING LUEFTERRING FUER FAHRZEUGE MIT ANHAENGERBETRIEB FUER FAHRZEUGEINSATZ IN WARMEN LAENDERN LUEFTERRING ZUM NACHTRAEGLICHEN EINBAU LUEFTERRING FEDERSCHEIBE SECHSKANTSCHRAUBE FUER FAHRZEUGEINSATZ IN WARMEN LAENOERN FUER FAHRZEUGE MIT ANHÄENGER8ETRIEB KAPPE ZUM NACHTRAEGLICHEN EINBAU HALTER FUER FAHRZEUdEINSATZ IN WARMEN LAENOERN FUER FAHhZEUOE MIT ANHAENGERBETRIEB HALTER ZUM NACHTRAEGLICHEN EINBAU LÜFTFUEHRUNGSPAPPE UNTEN NIETTEIL KOPFTEIL SCHNAPPMUTTER SCHEIBE LINSENBLECHSCHRAUBE SCHEIBE LINSENBLECHSCHRAUBE LUFTFUEHAUNGSPAPPE LINKS FEOERSCHEIBE SECHSKANTSCHRAUBE LUFTFUEHRÜNGSPAPPE RECHTik SCHNAPPMUTTER SCHEIBE LINSENBLECHSCHRAUBE SECHSKANTSCHRAUBE FEOERSCHEIBE HALTEBAND KOPFTEIl NIETTEIL LUFTFUEHRUNGSPAPPE OBEN SCHNAPPMUTTER SCHEIBE LINSENBLECHSCHRAUBE ABDECKUNG FUER KUEHLERGRILL SATINSCHWARZ DICHTUNG BEMERKUNG ST 2 0 2 23CTR B7X14X0 MtXljOK BN4X9X8 K4X8 84 2X16X11 Aß 3X9T 5T5 84 2X16 A4 3X9X0 5 B4 2X16 M6X8 85 5X26 4X20 2 87 4X22X2 BZ5 5X13 M6X8 K4X11 8N4X9X8 B4 8X19X16 A5 3X10X1 84 8X13 RECHTS 368MM 700MM 25 20 KENNBUCHST 5 ZfLINDER JS HP KV KX SK KLIMAANLAGE KLIMAANLAGE KLIMAANLAGE D n 04W P ml yncro 5t 5 MOO 1 M W0032 2 1 5 HAUPTGRUPPE MOTOR BILD ERSATZTEILE NR BENENNUNG BEMERKUNG ST KENNBUCHST

Vorschau Passat Mod 87-88 Seite 161
Hinweis: Dies ist eine maschinenlesbare No-Flash Ansicht.
Klicken Sie hier um zur Online-Version zu gelangen.