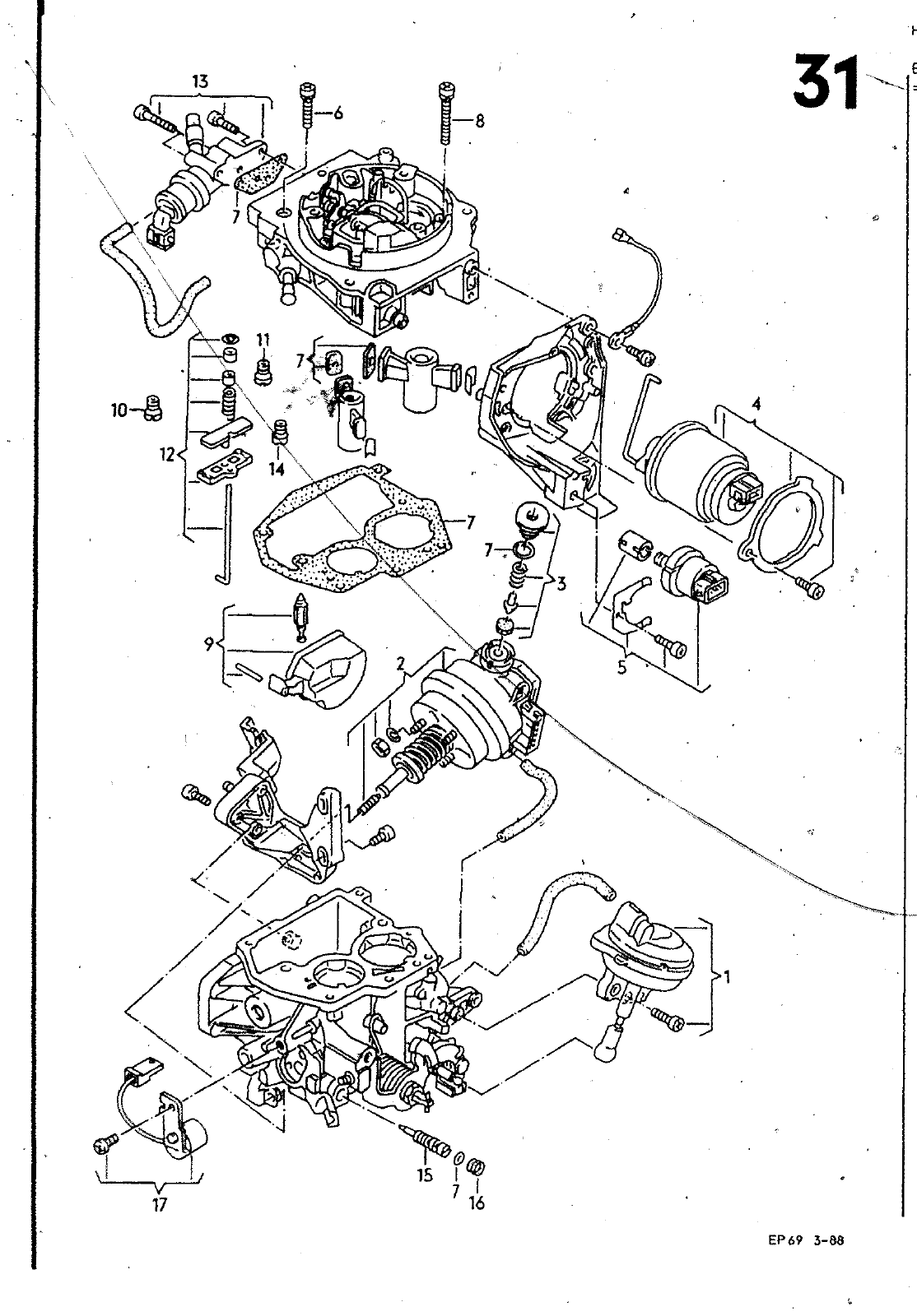
EP69 3 88 HAUPTGRUPPE 1 MOTOR ILD ERSATZTEILE NR gENENNUNG BEMERKUNG ST KENNBUCHST 9 10 1 1 I 1 1 12 1 3 a 1 4 15 16 17 050 129 015 B 050 129 015 0 050 129 061 050 129 082 A 025 12ß 085 050086 B 050 129 088 A 026 129 189 050 129 280 025 129 340 052 129 382 A q25 129 391 A 050 129 405 065 129 405 M 046 129 402 0 129 413 1 129 414 050 050 049 025 129 415 129 427 129 777 306 333 VERGASER 2 E E 4 ZYLINDER PP VERGASER F VERGASER F 32 J OOO 001 VERGASER EINZELTEILE 32 H 400 000 2 E E 2 E E 2 E E 4 ZYLINDER PP UNTERDRUCKOOSE DROSSELKCAPPENANSTELLER RUEGKSCHLAGVENTIL LUFTKLAPPENSTELLER OROSSELKLAPPENPOTENTIOMETER KOMBI SCHRAUBE DICHTUNGSSRTZ LINSENSCHRRUBE ROHR FUER VERGASER SCHWIMMER MIT SCHWIMMERNAOEL DUESE HAUPTDUESE OUESE HAUPTDUESE 105 I STUFE 130 DUESE 4 HAUPTDUESE FUER VERGASER FUER VERGASER TEILESATZ FUER HAUPTDUESENÄBSCHALTUNG g UMSCHALTVENTIL FUER SCHWIMMER KAMMERBELUEFTUN6 ruER VERGASER DUESE LEERLAUFDUESE CO EINSTELLSCHRAUBE STOPFEN HEIZELEMENT I I 1 1 10 11 2 BLAU STUFE STUFE 0 11 0581

Vorschau Passat Mod 87-88 Seite 185
Hinweis: Dies ist eine maschinenlesbare No-Flash Ansicht.
Klicken Sie hier um zur Online-Version zu gelangen.