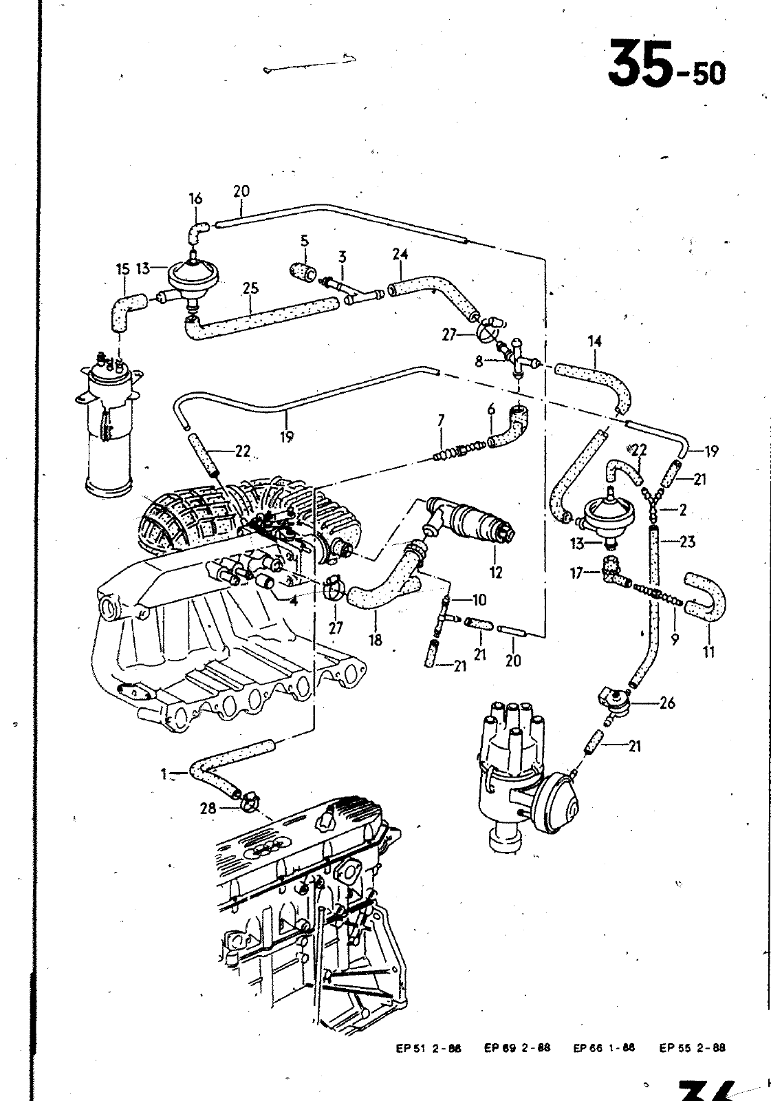
35 50 24 15 13 25 21 23 B 20 0 9 21 n nn 1 28 2 EP51 2 ag EP69 2 EPW l M EP85 2 8 HAUPTfRUPPE 1 MOTOR BILD ERSATZTEILE NR BENENNUNG BEMERKUNG ST KENNBUCHST 1 2 3 4 5 6 7 8 9 10 10 11 12 1 3 14 15 16 17 t8 19 19 20 21 2 23 23 24 25 26 27 28 035 056 049 049 049 035 034 035 035 1 1 3 035 049 103 237 129 971 133 326 133 335 133 335 133 367 133 382 034 133 455 035 133 517 035 133 595 M 049 133 783 034 133 784 035 133 784 034 133 997 N 020 139 1 020 353 5 N 020 290 1 171 919 825 N 024 511 3 N 024 509 2 UNTERDRUCKSCHLAEUCHE MIT ANSCHLUSSTEILEN 2 3LTR 133 382 AM 133 382 E 201 943 B 133 382 K 133 394 E SCHLAUCH Y STUECK STUTZEN VERSCHLUSSKAPPE KAPPE SCHLAUCH STUTZEN REDUZIER KREUZ STUECK STUTZEN T STUECK ROHR SCHLAUCH KUE Z N AUF STEUERVENTIL FUER LEERLAUFSTABILISIERUNG RUECKSCHLRGVENTIL SCHLAUCH KUERZEN AUF SCHLAUCH WINKELSCHLAUCH WINKELSCHLAUCH SCHLAUCH ROHR IN ROLLEN ZU 5M BESTELLEINHEIT 5 KUERZEN AUFr KUERZEN AUF KUERZEN AUF SCHLAUCH IN ROLLEN ZU 5M BESTELLEINiHEIT 5 KUERZEN AUF KUERZEN AUF KUERZEN AUF KUERZEN AUE SCHLAUCH IN ROLLEN ZU SM BESTELLEINHEIT 5 KUERZEN AUF KUERZEN AUF UNTERDRUCKSCHALT R SCHELLE SCHELLE 10MM 12 215MM 4X1 330MM 410MM 490MM 3 5X2 40MM 80MM 245MM 300MM 12X3 5 175MM 255MM LC23 3S LC12 22 5 ZYLJNDER KX KLIMAANLAGE KLIMAANLAGE AUTOMATIK 35 50 D 11 0691 WAUPTGRUPPE 1 MOTOR

Vorschau Passat Mod 87-88 Seite 207
Hinweis: Dies ist eine maschinenlesbare No-Flash Ansicht.
Klicken Sie hier um zur Online-Version zu gelangen.