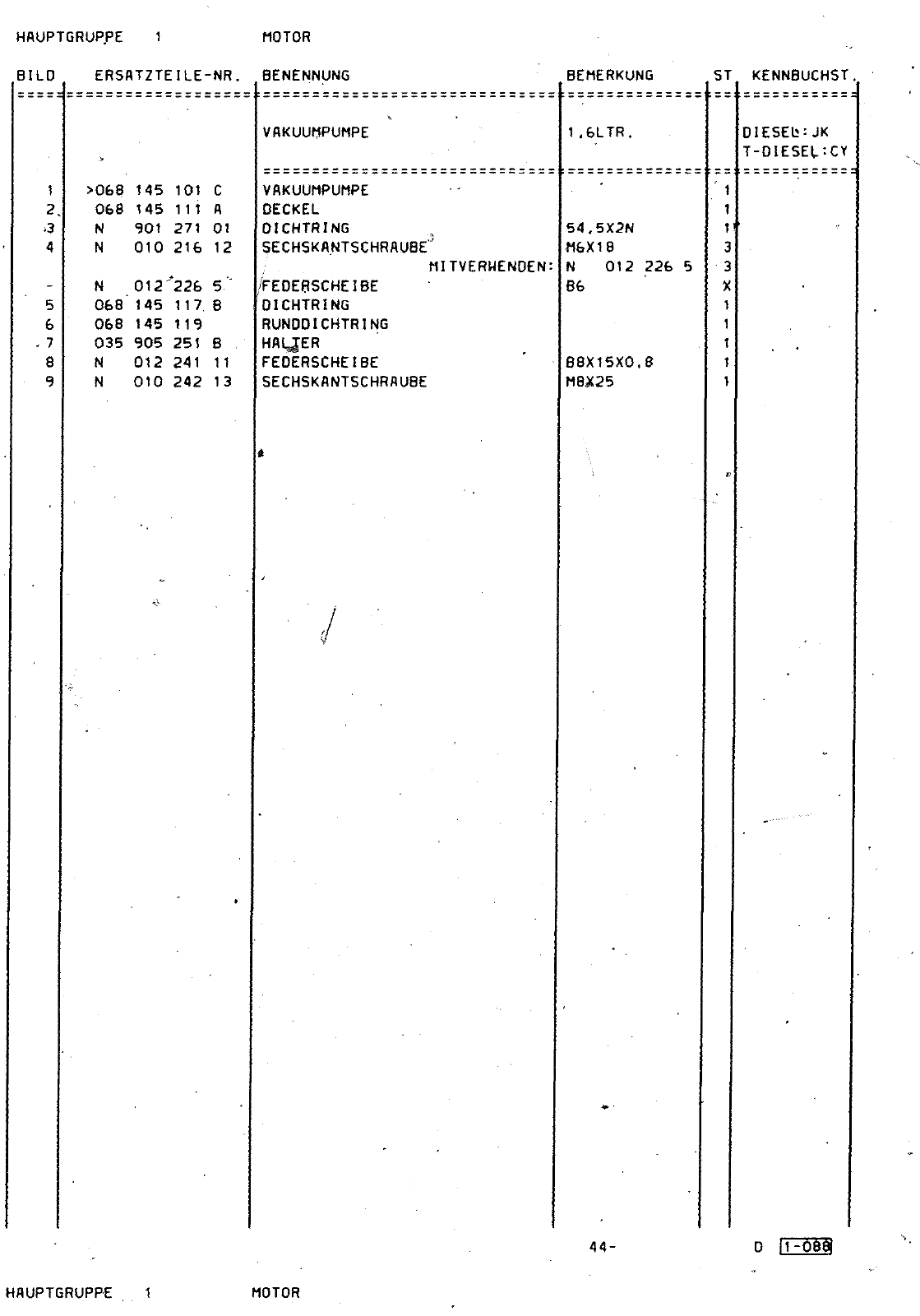
44 o f o o o o 0 O o WS 8 6 7 WOD 32 85 1 84 HAUPTGRUPPE 1 MOTOR BILD ERSATZTEILE NR BENENNUNG BEMERKUNG ST KENNBUCHST VAKUUMPUMPE 1 6LTR DIESEb JK T DIESEL CY 068 145 101 C 068 145 III A N 901 271 01 N 010 216 12 N 012 226 5 068 145 117 B 068 145 119 035 905 251 B N 012 241 11 N 010 242 13 VAKUUMPUMPE DECKEL DICHTRING SECHSKANTSCHRAUBE EOERSCHEIBE DICHTRING RUNDDICHTRING HAUER FEOERSCHEIBE SECHSKANTSCHRAUBE MITVERWENDEN 54 5X2N M6X18 N 012 226 5 BS 88X15X0 6 M8 25 HAUPTGRUPPE 1 MOTOR D M oea

Vorschau Passat Mod 87-88 Seite 246
Hinweis: Dies ist eine maschinenlesbare No-Flash Ansicht.
Klicken Sie hier um zur Online-Version zu gelangen.