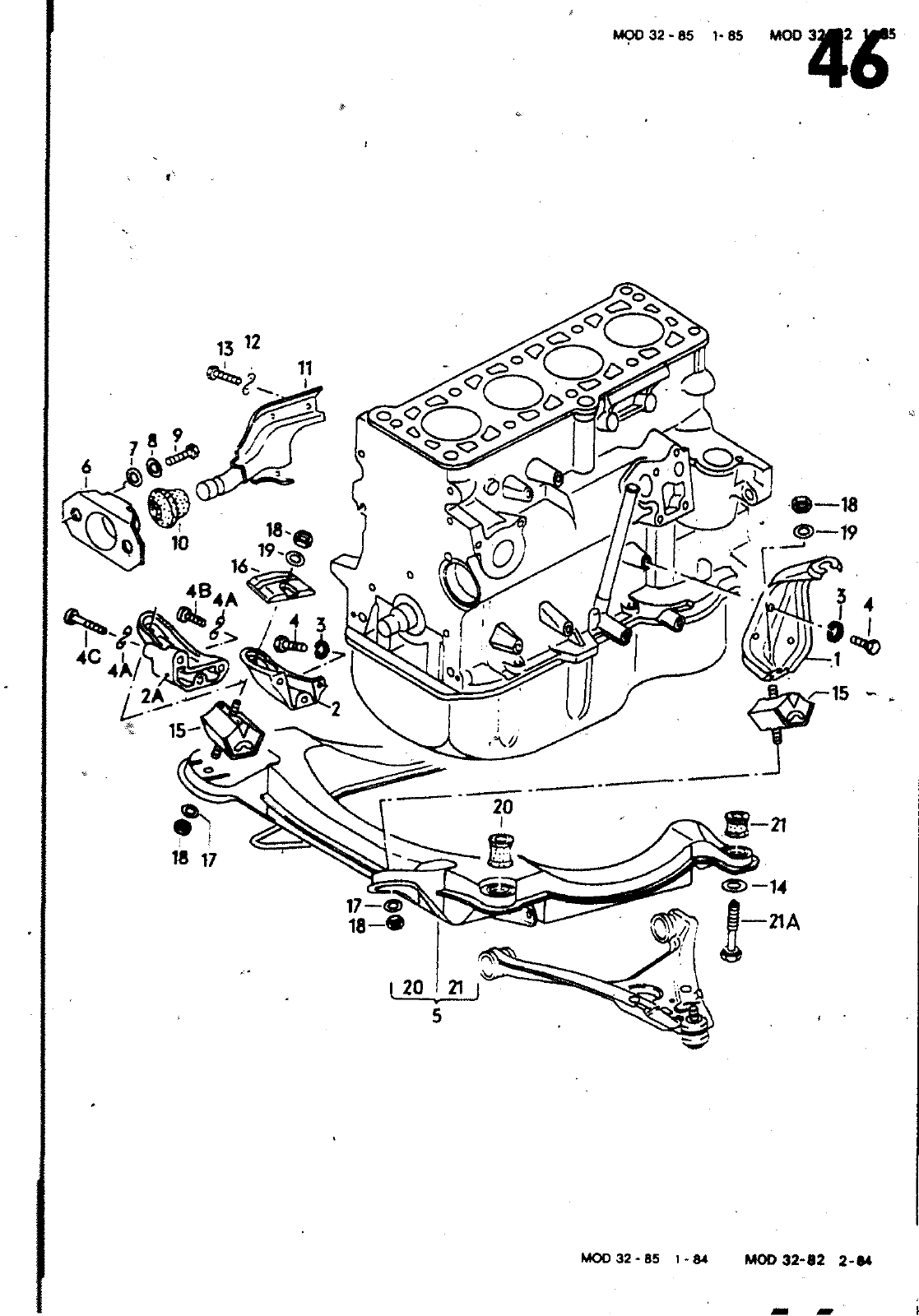
WOO 32 85 1 85 ÜKX O c o ga o O o o a o y 3 f j 18 G 19 B1 10 0 19 4a 4B 4A 4 3 4Ä y 2A 15 20 gs 18 17 14 21A 18 20 M00 3ß 85 1 84 M00 M 2 2 HAUPTGRUPPE 1 MOTOR BILD ERSATZTEILE NR BENENNUNG GEMERKUNG ST KENNBUCHST 2A 3 3 4 4 4A 48 4C 5 6 7 ä 9 10 1 1 1 1 12 13 1 3 14 15 15 15 15 16 1 7 18 19 20 21 21A 823 199 307 81 1 199 305 623 199 307 823 199 308 811 199 30 012 011 3 012 011 3 010 251 7 010 251 7 012 231 4 014 721 2 019 921 1 893 199 313 B 321 199 III 857 4j1 399 N 010 811 199 811 199 811 199 N 012 010 010 823 199 893 199 893 199 893 199 827 199 311 707 169 253 7 339 8 341 A 343 241 238 244 347 381 381 381 3Q2 A E 11 I 3 II 893 199 382 D 823 199 388 321 505 193 N 900 876 02 N 011 527 11 893 199 415 893 199 419 N 903 276 01 BEFESTIGUNGSTEILE FUER MOTOR 1 3 1 8LTR STUETZE LINKS STUETZE LINKS STUETZE LINKS STUETZE RECHTS STUETZE RECHTS FEDERRING FEDERRING SECHSKANTSCHRAUBE SECHSKANTSCHRAUBE FEDERSCHEIBE ZYLINDERSCHRAUBE MIT INNENSECHSKANTKOPF ZYLINDERSCHRAUBE MIT INNtNSECHßKANTKOPF AGGREGATETRAEGER MIT GUMMILAGER FLANSCH SCHEIBE TELLERFEDER SECHSKANTSCHRAUBE ANSCHLAGPUFFER STUETZE VORN STUETZE FEDERSCHEIBE SECHSKANTSCHRAUBE SECHSKANTSCHRAUBE SCHEIBE GUMMIMETALL LAGER GUMMIMETALL LAGER GUMMIMETALL LAGER GUMMIMETALL LAGER F 32 J ll25 000 GUMMIMETALL LAGER F 32 J 125 001 ABSCHIRMBLECH SCHEIBE SECHSKANTMUTTER SELBSTSICHERND SCHEIBE GUMMIMETALL LAGER GUMMIMETALL LAGER SECHSKANTSCHRAUBE 0 M10X18 M10X18 A10X18X0 E M10X25 M10X102 M10X22 B8X15X0 8 M8X15 M8X30 10 5X40 LINKS RECHTS RECHTS RECHTS VM10 A10 5X21X2 VORN HINTEN M10X75 4 ZYLINDER EP OT OTA RL JU PP DS RM JV JN EP DT DTAjRL JU PP DS RM JV JN AUTOMATIC Dß DTA RL JU DS RM JV JN EP DT DTA RL JU PP OS RM JV JN EP DT DTA RL JU PP OS RM JV JN EP DT DTA RL JU PP OS RM JV JN DS RM JV JN DS RM JV JN DS RM JV JN KLIMAANLAGE KLIMAANLAGE AUTOMATIC AUTpMATIC AUTOMATIC KLIMAANLAGE AUTOMATIC KLIMAANLAGE 0 M 0941 HAUPTGRUPPE 1 MOTOR

Vorschau Passat Mod 87-88 Seite 257
Hinweis: Dies ist eine maschinenlesbare No-Flash Ansicht.
Klicken Sie hier um zur Online-Version zu gelangen.