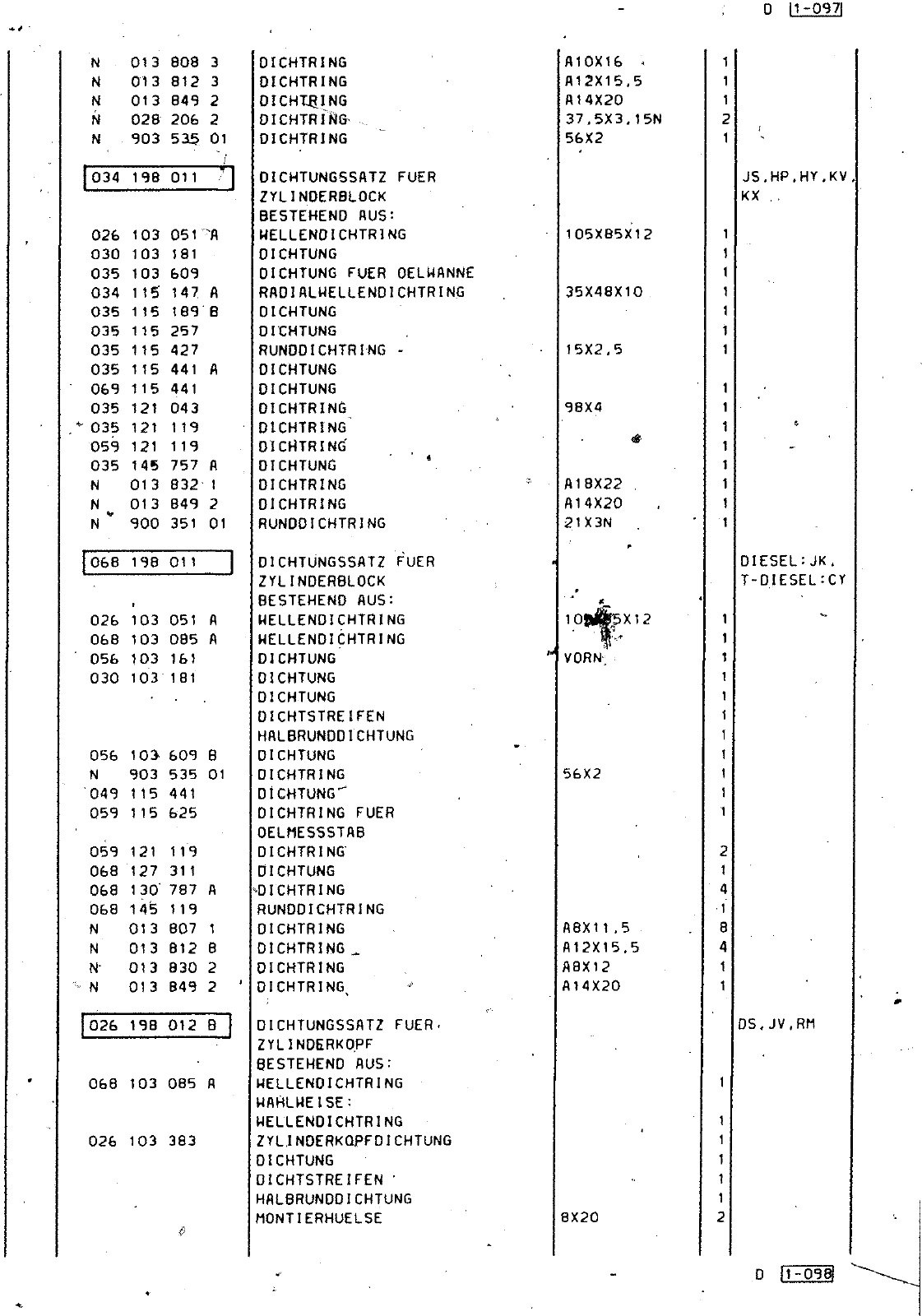
D 11 0971 013 808 3 013 612 3 013 849 2 028 206 2 903 535 01 034 198 011 71 026 030 035 034 035 035 035 035 069 035 035 059 035 N N N 103 103 103 IIS 115 115 115 115 115 121 121 121 145 013 013 900 051 181 609 M7A 189 B 257 427 441 A 441 04 3 1 19 119 757 A 832 1 849 2 351 01 068 198 011 026 103 051 068 103 085 056 103 161 030 103 181 056 10 609 8 N 903 535 01 049 115 441 059 115 625 059 121 119 068 127 311 068 130 787 A 068 145 119 013 807 1 013 N N N N 312 8 013 830 013 849 026 198 012 8 068 103 085 A 026 103 383 OICHTRING DICHTRING OICHIßlNG OICHTRIÜ DICHTRING 0ICHTUNG5SATZ FUER ZYLINDERBLOCK BESTEHEND AUS WELLENOICHTRING DICHTUNG DICHTUNG FUER OELWANNE RADIALWELLENDICHTRING DICHTUNG DICHTUNG RUNDDICHTRING DICHTUNG DICHTUNG DICHTRING DICHTRING DICHTRING DICHTUNG DICHTRING DICHTRING RUNDDICHTRING DICHTUNGSSATZ FUER ZYLINDERBLOCK BESTEHEND AUS WELLENOICHTRING WELLENOICHTRING DICHTUNG DICHTUNG DICHTUNG DICHTSTREIFEN HALBRUNDDICHTUNG DICHTUNG DICHTRING DICHTUNG DICHTRING FUER OELMESSSTAB DICHTRING DICHTUNG OICHTRING RUNDDICHTRING DICHTRING DICHTRING DICHTRING DICHTRING DICHTUNGSSATZ FUER ZYLINDERKOPF BESTEHEND AUS WELLENOICHTRING WAHLWEISE WELLENOICHTRING ZYLINDERKOPFDICHTUNG DICHTUNG OICHTSTREIFEN HALBRUNDDICHTUNG MONTIERHUELSE A10X16 4 A12X15 5 A14X20 37 5X3 15N 56X2 105X85X12 35X48X10 15X2 5 98X4 AI 8X22 AI 4X20 21X3N A8X11 5 A12X15 5 A8X12 A14X20 JS HP HY KV KX DIESEL JK T DIESEL CY DS JV RM 0 11 099

Vorschau Passat Mod 87-88 Seite 266
Hinweis: Dies ist eine maschinenlesbare No-Flash Ansicht.
Klicken Sie hier um zur Online-Version zu gelangen.