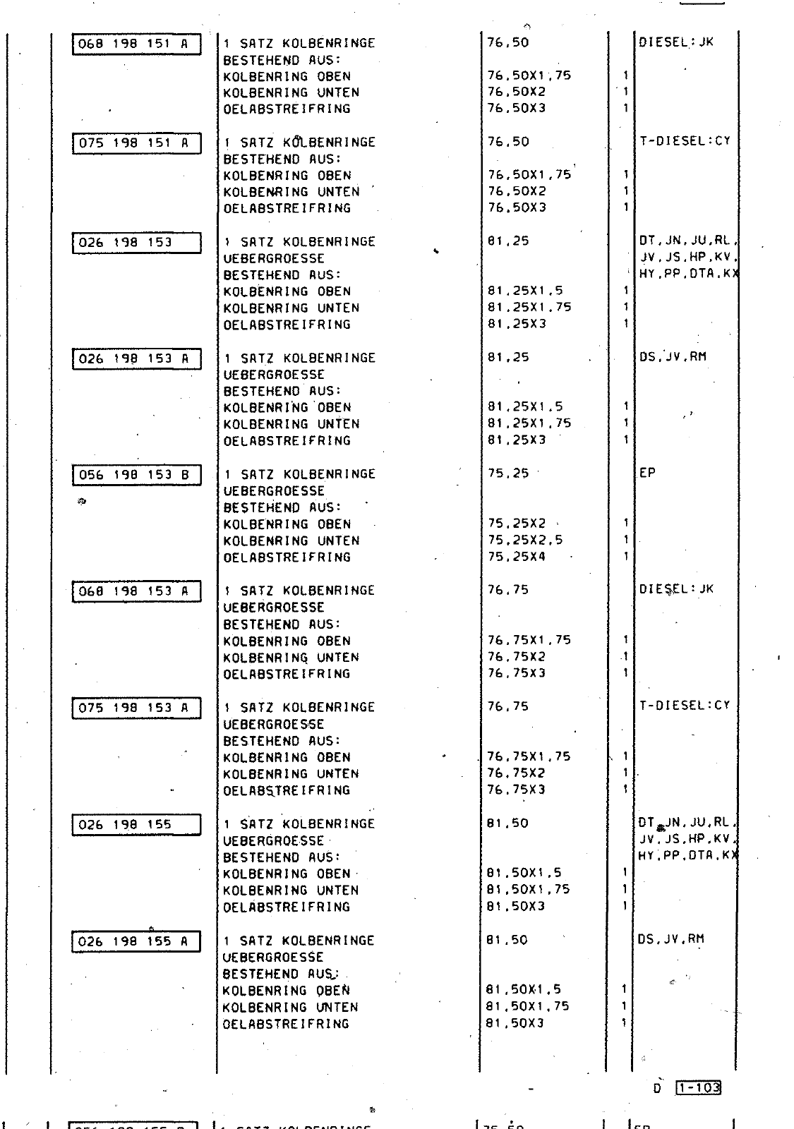
068 198 151 A I 07S 198 151 A I Ö26 198 153 I 026 198 153 A 056 198 153 B 068 198 153 A 075 198 153 A 026 198 155 I 026 198 155 R Insk 198 155 R 1 SATZ KOLBENRINGE BESTEHEND AUS KOLBENRING OBEN KOLBENRING UNTEN OELABSTREIFRING I SATZ KOLBENRINGE BESTEHEND AUS KOLBENRING OBEN KOLBENRING UNTEN OELABSTREIFRING 1 SATZ KOLBENRINGE UEBERGROESSE BESTEHEND AUS KOLBENRING OBEN KOLBENRING UNTEN OELABSTREIFRING 1 SATZ KOLBENRINGE UEBERGROESSE BESTEHEND AUS KOLBENRING OBEN KOLBENRING UNTEN OELABSTREIFRING I SATZ KOLBENRINGE UEBERGROESSE BESTEHEND AUS KOLBENRING OBEN KOLBENRING UNTEN OELABSTREIFRING 1 SATZ KOLBENRINGE UEBERGROESSE BESTEHEND AUS KOLBENRING OBEN KOLBENRINQ UNTEN OELABSTREIFRING 1 SATZ KOLBENRINGE UEBERGROESSE BESTEHEND AUS KOLBENRING OBEN KOLBENRING UNTEN OELABSTREIFRING 1 SATZ KOLBENRINGE UEBERGROESSE BESTEHEND AUS KOLBENRING OBEN KOLBENRING UNTEN OELABSTREIFRING 1 SATZ KOLBENRINGE UEBERGROESSE BESTEHEND AUS KOLBENRING OBEN KOLBENRING UNTEN OELABSTREIFRING 76 50 76 50X1 75 76 50X2 76 50X3 76 50 76 50X1 75 76 50X2 76 50X3 81 25 81 25X1 5 81 25X1 75 81 25X3 81 25 81 25X1 5 81 25X1 75 81 25X3 75 25 75 25X2 75 25X2 5 75 25X4 76 75 76 75X1 75 76 75X2 76 75X3 76 75 76 75X1 75 76 75X2 76 75X3 81 50 81 50X1 5 81 50X1 75 81 50X3 81 50X1 5 81 50X1 75 81 50X3 DIESEL JK T DIESEL CY DT JN JU RL JV JS HP KV HY PP DTA K DS JV RM EP DIESEL JK T OIESEL CT JV JS HP KV HY PP DTA K DS JV RM 0 ii ioa Ii SATZ KOLBENRINGE 175 50

Vorschau Passat Mod 87-88 Seite 276
Hinweis: Dies ist eine maschinenlesbare No-Flash Ansicht.
Klicken Sie hier um zur Online-Version zu gelangen.