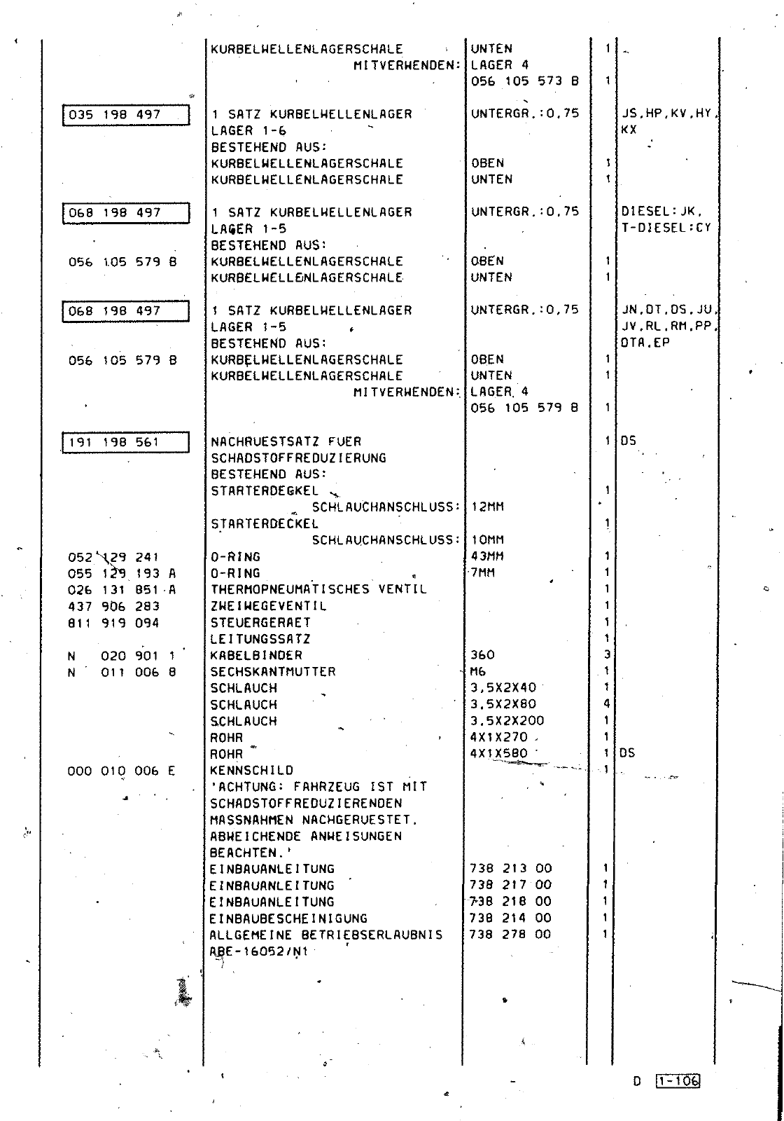
035 198 497 068 198 497 056 105 579 8 068 198 497 056 105 579 B 191 198 561 052 f9 241 055 l2 193 A 026 131 851 R 437 906 283 811 919 094 N 020 901 1 N 011 006 8 000 010 006 E KURBELWELLENLAGERSCHALE MITVERWENDEN 1 SATZ KURBELWELLENLAGER LAGER 1 6 BESTEHEND AUS KURBELWELLENLAGERSCHALE KURBELWELLENLAGERSCHALE 1 SATZ KURBELWELLENLAGER LAGER 1 5 BESTEHEND AUS KURBELWELLENLAGERSCHALE KURBELWELLBNLAGERSCHALE 1 SATZ KURBELWELLENLAGER LAGER 1 5 BESTEHEND AUS KURBELWELLENLAGERSCHALE KURBELWELLENLAGERSCHALE MITVERWENOEN NACHRUESTSATZ FUER SCHAOSTOFFREOUZIERUNG BESTEHEND AUS STARTEROEGKEL SCHLAUtHANSCHLUSS STARTERDECKEL SCHLAUCHANSCHLUSS 0 RlNG D m THERM0PNEUMATISCHE5 VENTIL ZWEIWEGEVENTIL STEUERGERAET LEITUNGSSATZ KABELBINDER SECHSKANTMUTTER SCHLAUCH SCHLAUCH SCHLAUCH ROHR ROHR KENNSCHILD ACHTUNG FAHRZEUG IST MIT SCHADSTOFFREDUZIERENDEN MASSNAHMEN NACHGERUESTET ABWEICHENDE ANWEISUNGEN BEACHTEN EINBAUANLEITUNG EZN8AUANLEITUNG EINBAUANLEITUNG EINBAUBESCHEINIGUNG ALLGEMEINE BETRIEBSERLAUBNIS A 16052 1 UNTEN LAGER 4 056 105 573 B UNTERGR 0 75 OBEN UNTEN UNTERGR 0 75 OBEN UNTEN UNTERGR 0 75 OBEN UNTEN LAGER 4 056 105 579 8 12MM 10MM 43MM 7MM 360 M6 3 5X2X40 3 5X2X80 3 5X2X200 4X1X270 4X1X580 738 213 00 738 217 00 7 38 218 00 738 214 00 738 278 00 JS HP KV HY KX DIESEL JK T DIESEL CY JN DT DS JU JV RL RM PP DTA EP OS DS D 11 1061

Vorschau Passat Mod 87-88 Seite 282
Hinweis: Dies ist eine maschinenlesbare No-Flash Ansicht.
Klicken Sie hier um zur Online-Version zu gelangen.