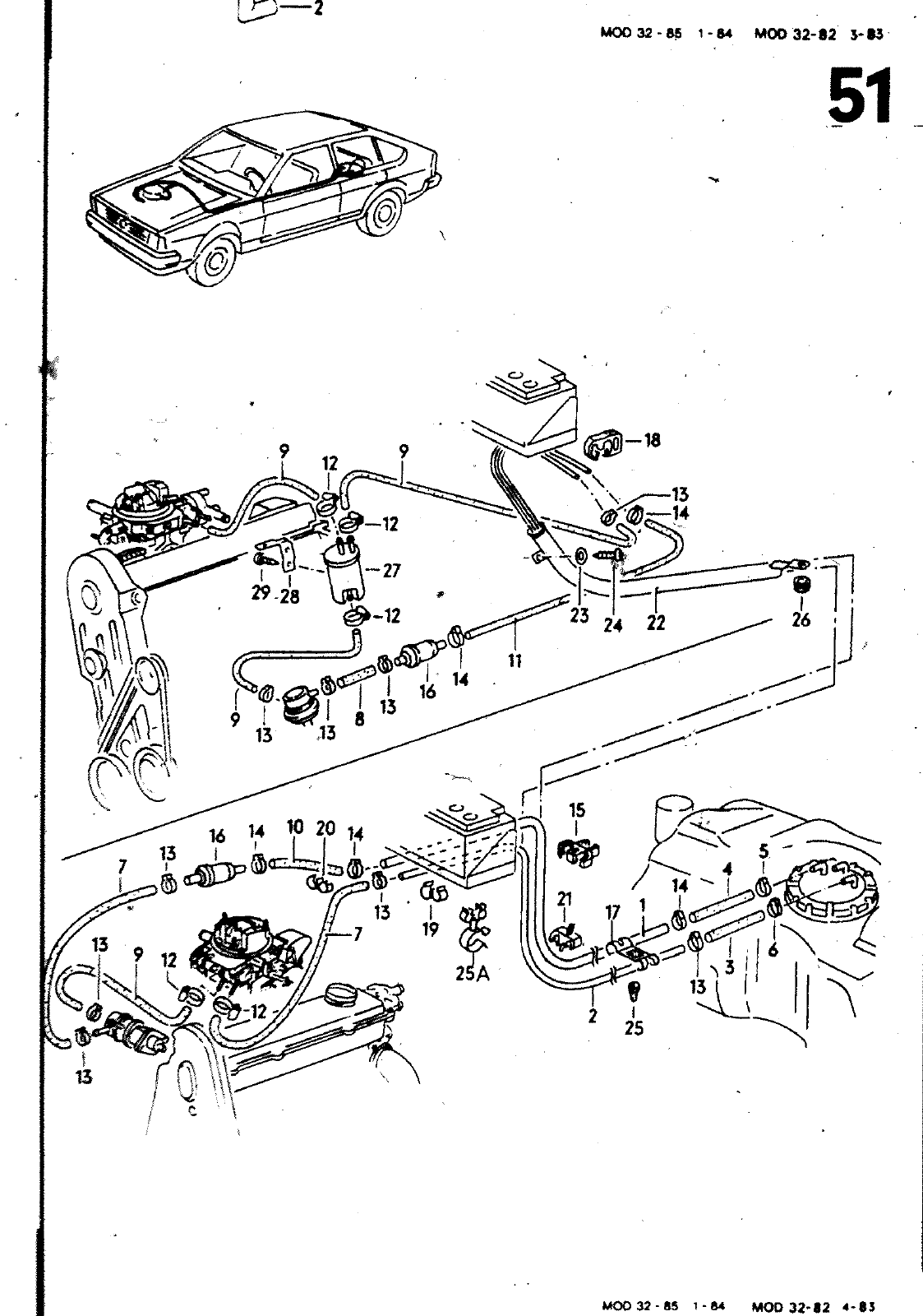
M00 32 M 1 wooaa M 51 rj 2 3 b 29 28 12 23 26 24 20 LI nß T 12 25A k 2 J 25 MO0 3 5 1 84 MKX a 2 4 3 50 10 0 12 003 HAUPTGRUPPE KRAFTSTOFFBEHAELTER UND ROHRE ABGASANLAGE KUEHLAGGREGATE MIT KUEHLMITTELKREISLAUF BILD ERSATZTEILE NR BENENNUNG BEMERKUNG ST MODELL 4 5 6 112 13 1 4 16 17 22 23 24 25 25A 323 201 361 323 201 362 N 900 996 020 281 1 024 122 024 528 024 528 024 528 90O 213 251 201 511 08 86 03 88 321 201 449 321 201 283 N 011 540 N 013 965 321 201 469 811 201 687 049 127 621 070 129 530 1 1 1 1 01 c S8V C 8 2 5 KRAFTSTOFFROHRE UNO KRAFTSTOFFSCHLAEUCHE KRAFTSTOFFILTER VERGASER MOTOR EP DS OT JU JV OTA RL PP RM KRAFTSTOFFROHR KRAFTSTOFFROHR SCHLAUCH IN ROLLEN ZU 5H BESTELLEINHEIT 5 KUERZEN AUF SCHLAUCH IN ROLLEN ZU 5M BESTELLEINHEIT 5 KUERZEN AUF SCHELLE SCHELLE SCHELLE SCHELLE SCHELLE KRAFTSTOFFILTER ISELBST8E0IENUNGSVERPACKUNG KLAMMER SCHUTZBLECH SCHEIBE LINSENBLECHSCHRAUBE SCKUTZKAPPE HALTER HALTER RUECKSCHLAGVENTIL VORLAUF RUCCKLAUF 5 5X3 200MM 7X3 135MM 9X13 LC8 12 LC8 12 LC8 12 7X11 15 A5 5X12 5X1 6 84 2X9 5 20 6 6MM EP OS OT JU JV AUTOMATIC DT PP 51 D 12 0041

Vorschau Passat Mod 87-88 Seite 291
Hinweis: Dies ist eine maschinenlesbare No-Flash Ansicht.
Klicken Sie hier um zur Online-Version zu gelangen.