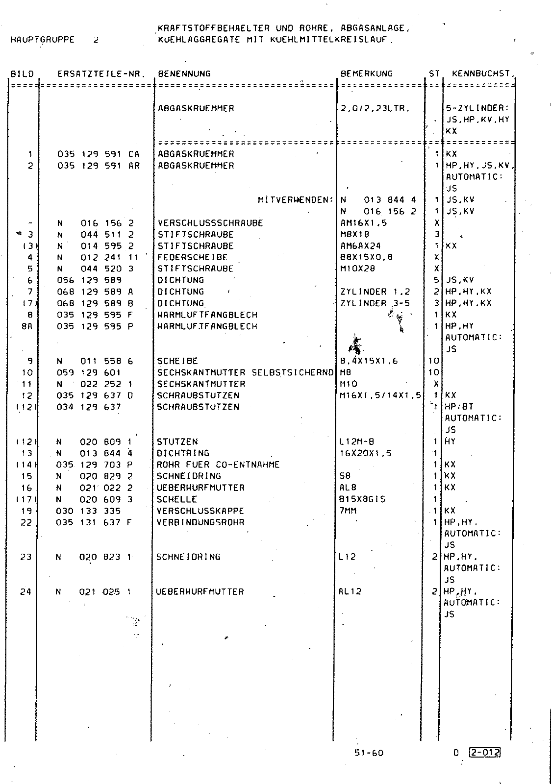
MOOSß 87 2 87 51 60 0 8 18 0 17 1615 23 24 24 f 25 23 2 10 J 23 Cl B 13 8A 0 0 orw 0 ag MOOae 87 3 gW MOOS EG 1 67 Ft Mü CMnM5 86 IW 32 85 1 87 HAUPTGRUPPE 2 KRAFTSTOFFBEHAELTER UND ROHRE ABGASANLAGE KUCHLAGGAEGATE MIT KWEHLMITTELKREI5LAUF 3IL0 ERSATZTEILE NR BENENNUNG BEMERKUNG ST KENNBUCHST ABGASKRUEMMER 2 0 2 23LTR 3 3 4 5 6 7 7 9 10 1 1 12 12 12 1 3 14 15 16 1 7 19 22 5 ZYLINOER JS HP KV HY KX 035 129 591 CA 035 129 591 AR N 016 156 2 N 044 511 2 N 014 595 2 N 012 241 11 N 044 520 3 056 129 589 068 129 589 A 068 129 589 6 035 129 595 F 035 129 595 P N 011 558 6 059 129 601 N 022 252 1 035 129 637 0 034 129 637 N 020 809 1 N 013 844 4 035 129 703 P N 020 829 2 N 021 022 2 N 020 609 3 030 133 335 035 131 637 F N 020 823 1 N 0 1 025 1 ABGASKRUEMMER ABGASKRUEMMER MITVERWENDEN VERSCHLUSSSCHRAUBE STIFTSCHRAUBE STIFTSCHRAUBE FEDERSCHEIBE STIFTSCHRAUBE DICHTUNG DICHTUNG DICHTUNG WARMLUFTFANGBLECH WARMLUfJFANGBLECH SCHEIBE SECHSKANTMUTTER SELBSTSICHERND SECHSKANTMUTTER SCHRAUBSTUTZEN SCHRAUBSTUTZEN STUTZEN DICHTRING ROHR FUER CO ENTNAHME SCHNEIDRING UEBERWURFMUTTER SCHELLE VERSCHLUSSKAPPE VERBINDUNGSROHR SCHNEIDRING UEBERWURFMUTTER N 013 844 4 N 016 156 2 AM16X1 5 M8X18 AM6AX24 B8X15X0 8 M10X28 ZYLINDER 1 2 ZYLINDER 3 5 8 4X15X1 6 M8 MIO M16X1 5 14X 5 L12M B 16X20X1 5 58 ALB 815X8GIS 7MM L12 AL12 KX HP HY JS KY AUTOMATIC JS JS KV JS KV JS KV HP HY KX HP HY KX KX HP HY AUTOMATIC JS KX HP BT AUTOMATIC JS AY KX KX KX KX HP HY AUTOMATIC JS HP HY AUTOMATIC JS HP Y AUTOMATIC JS 51 60 D ß Oia

Vorschau Passat Mod 87-88 Seite 308
Hinweis: Dies ist eine maschinenlesbare No-Flash Ansicht.
Klicken Sie hier um zur Online-Version zu gelangen.