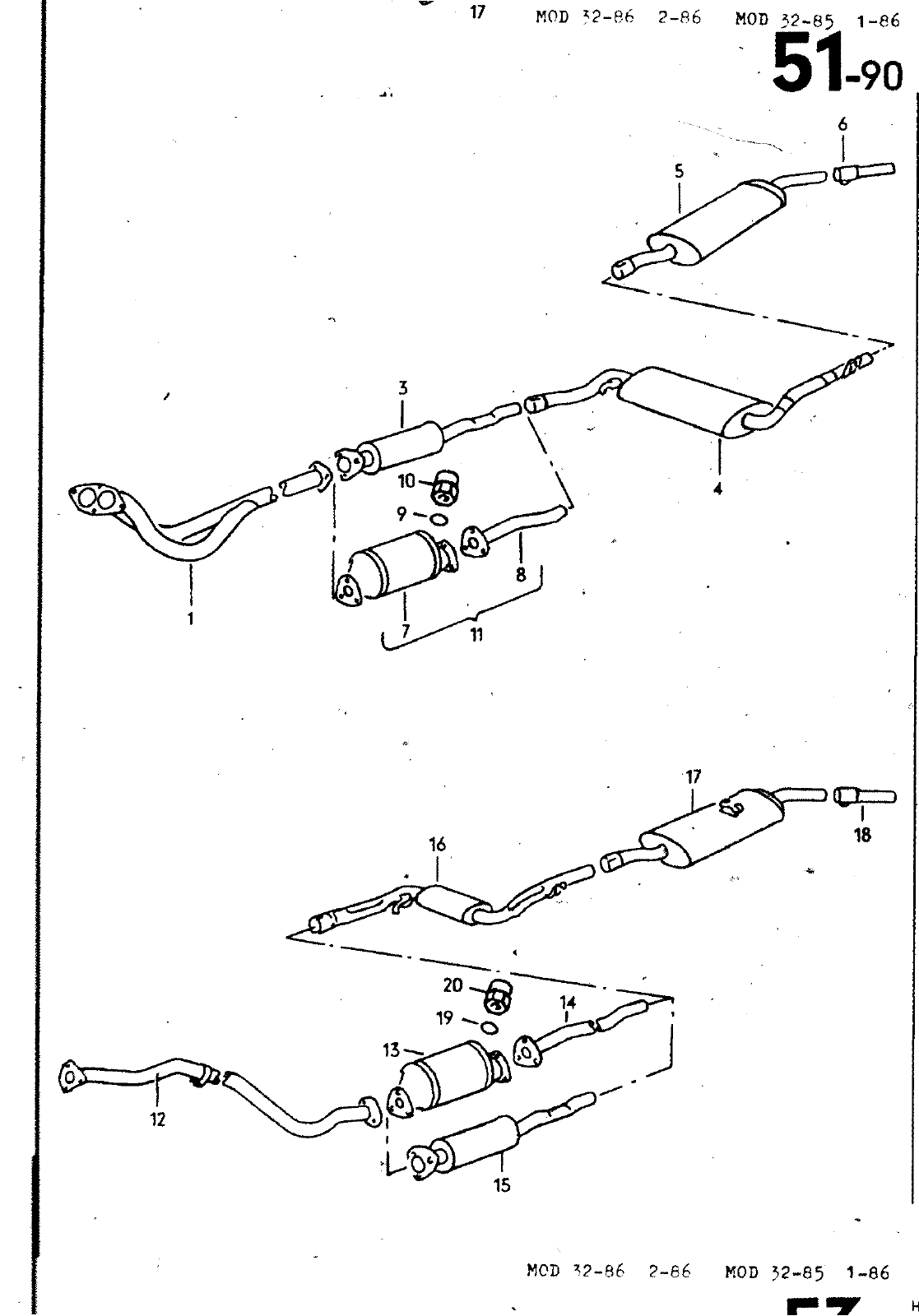
17 M H 86 2 86 K D 52 8 1 86 lliill s HAUPTGRUPPE KRAFTSTOFFBEHAELTER UND ROHRE ABGASANLAGE KUEHLAGGRECATE MIT KUEHLMITTELKREISLAUF 5 Q O BILD r2 112 1 3 14 15 I 16 16 117 17 18 ERSATZTEILE NR BENENNUNG 855 253 101 B 855 253 101 C 321 253 209 A 321 253 409 A 323 253 409 321 253 609 0 323 253 609 331 253 141 C 855 131 701 A 323 253 301 A N 013 830 2 043 131 737 321 298 017 321 298 027 E 323 253 101 323 253 101 443 131 701 323 253 301 321 253 209 321 253 409 323 253 409 321 253 609 323 253 609 331 253 141 C ABGASANLAGENUEBERSICHT ABGASROHR ABGASROHR VORSCHALLOAEMPFER EDELSTAHL I MITTELSCHALLDAEMPFER MITTELSCHALLDAEMPFER EDELSTAHL NACMSCHALLOAEHPFER NACHSCHALLDAEMPFER EDELSTAHL BGASMOHRVERLAENGERUNG EDELSTAHL I KATALYSATOR FUER FAHRZEUGE MIT NACHGERUE STETER ABGASREINIGUÜGSANLAGE MITVERWENDEN ZWISCHENROHR EDELSTAHL FUER FAHRZEUGE MIT NACHGERUE STETER ABGASREINIGUNGSANLAGE DICHTRING VERSCHLUSSMUTTER KATALYSATOR NACHRUESTSATZ KATALYSATOR NACHRUESTSATZ ABGASANLAGENUEBERSICHT ABGASROHR EDELSTAHL I ABGASROHR EDELSTAHL KATALYSATOR ZWISCHENROHR VÖRSCHALLDAEMPFER NUR FUER FAHRZEUGE ALS ERSATZ FUER DEN KATALYSATOR MITTELSCWALLOAEMPFER MITTELSCHALLDAEMPFER EDELSTAHL NACHSCHALLDAEMPFER NACHSCHALLDAEMPFER EDELSTAHL ABGASROHRVERLAENGERUNG EDELSTAHL BEMERKUNG 2 0 2 23LTR VORN VORN 043 131 737 N 013 830 2 A8X12 2 23LTR VORN VORN ST KENNBUCHST 5 ZYLlNDER JS HP KV HY AUTOMATIC VARIANT JS KV JS KV JS KV JS KV JS JS KV 5 ZYLINDER KX AUTOMATIC VARIANT 51 90 D 0191 MOD 2 86 2 86 MOD 2 85 1 86 HAUPTGRUPPE KRAFTSTOFFBEHAELTER UND ROHRE ABGASANLAGE KUCHLAGGREGATE MIT KUEHLMITTELKREISLAUF

Vorschau Passat Mod 87-88 Seite 321
Hinweis: Dies ist eine maschinenlesbare No-Flash Ansicht.
Klicken Sie hier um zur Online-Version zu gelangen.