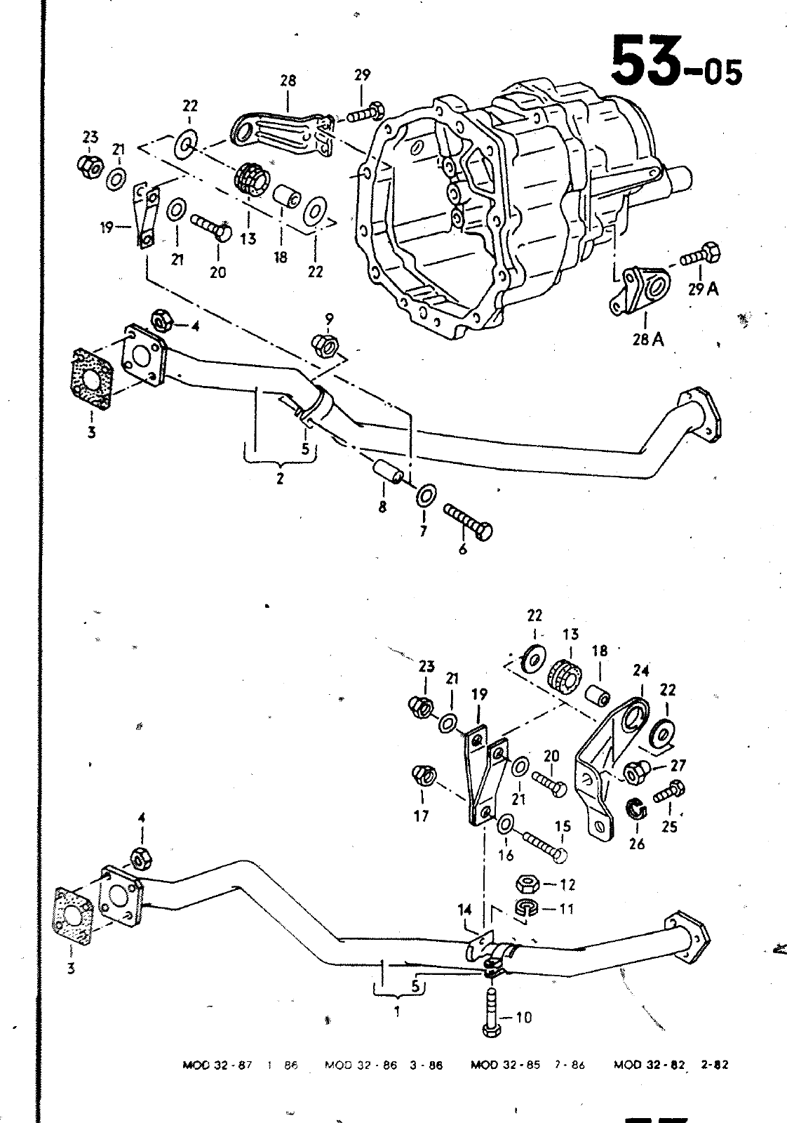
29 8 0 ZZ 13 29A 28A HAUPTGRUPPE KRAFTST0FF8EHAELTER UNO ROHRE ABGASANLAGE KUEHLAGGREGATE MIT KUEHLMtTTELKREISLAUF r 13 6 I 18 24 19 QL 15 I 25 I I 26 16 12 3IL0 1 2 3 4 5 6 7 8 9 10 1 1 12 1 3 14 15 16 17 18 19 20 21 22 23 24 25 26 27 28 29 ERSATZTEILE NR BENENNUNG 321 253 811 253 893 253 N 022 871 253 N om N OU 857 253 N 022 N 010 N 012 N 011 823 253 431 263 N 010 481 857 N 022 431 253 803 253 N 010 N 011 823 253 N 022 431 253 010 01 022 843 253 N 010 101 0 101 N 115 146 4 143 385 7 525 13 205 146 4 455 3 011 3 010 1t 149 A 197 C 254 14 707 167 1 205 B 209 A 247 8 670 11 211 146M 9 A 252 4 011 3 167 1 253 8 363 2 BEMERKUNG ABGASROHR ABGASROHR ABGASROHR DICHTUNG SECHSKANTMUTTER SELBSTSICHERND CHELLE SECHSKANTSCHRAUBE SCHEIBE OISTANZROHR SECHSKANTMUTTER SEL8STSICHERN0 SECHSKANTSCHRAUBE FEOERRING SECHSKANTMUTTER GUMMIBUCHSE HALTER SECHSKANTSCHRAUBE OISTANZSCHEIBE SECHSKANTMUTTER SELBSTSICHERND DISTANZROHR LASCHE SECHSKANTSCHRAUBE SCHEIBE SCHEIBE SECHSKANTMUTTER SELBSTSICHERND HALTEßyFUER ABGASROHR SECHSKAhTGCHRAUBE FEOERRING SECHSKANTMUTTER SELBSTSipHERNO HALTER SECHSKANTSCHRAUBE ST KENNBUCHST VORN 1 6LTR VORN VORN VM8 48 5MM M8X85 A8 4 VM8 M10X55 AlO MIO MtOX25 MM10 M8X35 B8 4X24X2 VM8 M10X20 A10 MM10 M8X46 T 0IESEL CY AUTOMATIC AUTOMATIC AUTOMATIC AUTOMATIC AUTOMATIC IW00 32 8 3 IM l X 32 85 7 86 IWOO 33 82 2 53 05 D K 02a HAUPTGRUPPE 2 KRAFTSTOFFBEHAELTER UND ROHRE ABGASANLAGE KUEHLAGGREGATE MIT KUEHLMITTELKREISLAUF

Vorschau Passat Mod 87-88 Seite 327
Hinweis: Dies ist eine maschinenlesbare No-Flash Ansicht.
Klicken Sie hier um zur Online-Version zu gelangen.