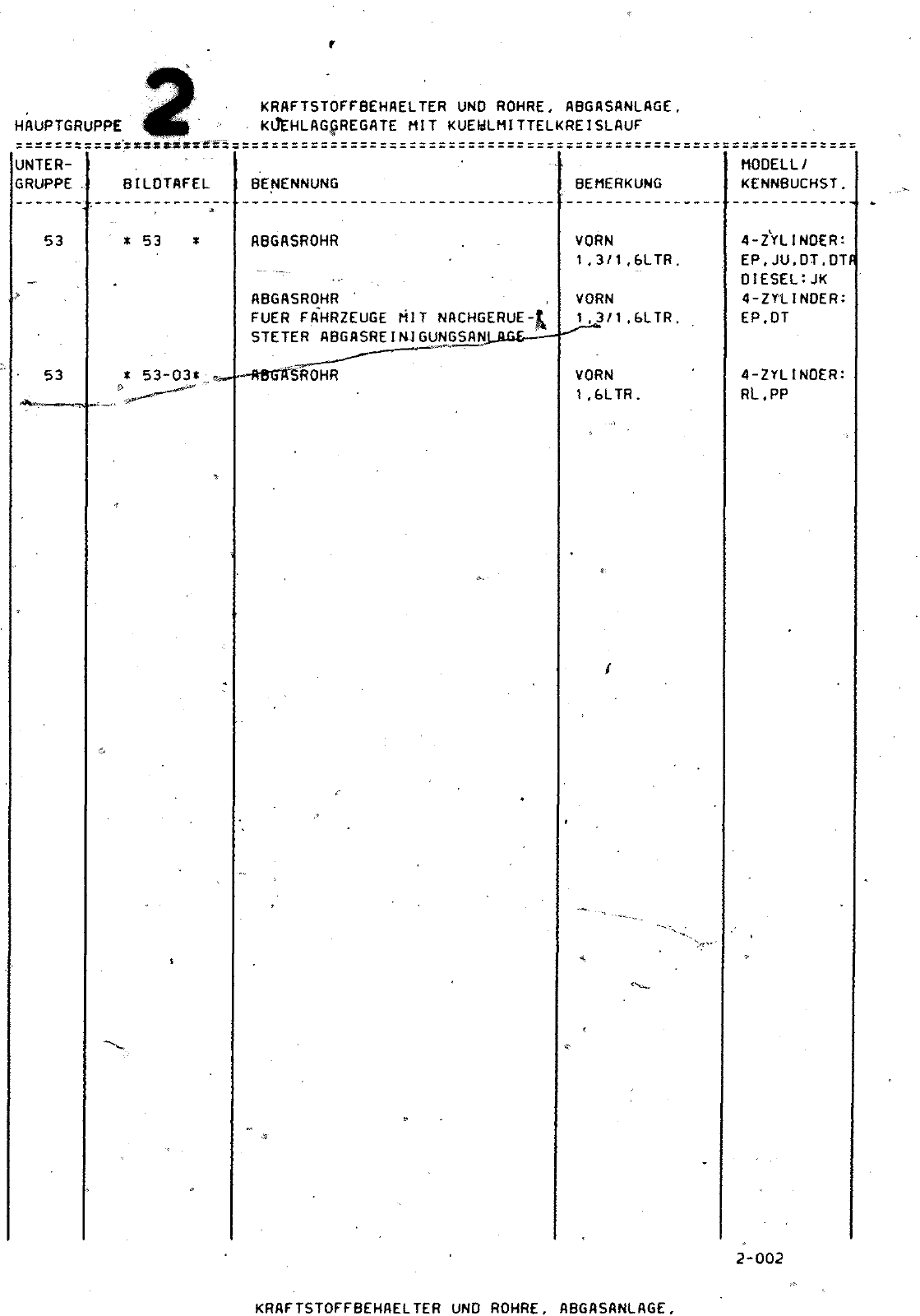
2 KRAFTSTOFFBEHAELTER UND ROHRE ABGASANLAGE HAUPTGAUPPE qgigk KUEHLA pREGATE MIT KUEHLMITTELKREISLAUF UNTER amUPPE BILDTAFEL BENENNUNG 01 01 01 01 01 53 53 53 53 53 53 53 53 m 50 50 10 51 I 51 30 51 40 51 50 5t 60 51 70 51 75 51 80 51 90 KRAFTSTOFFBEHAELTER EINFUELLSTUTZEN ENTLUEFTUNGSSCHLAUCH AKtlVKOHLEBEHAELTER KRAFTSTOFFROHRE UND KRAFTSTOFFSCHLAEUCHE KRAFTSTOFFILTER KRAFTSTOFFROHRE UND KRAFTSTOFFSCHLAEUCHE KRAFTSTOFFSPEICHER KRAFTSTOFFILTER OHNE HANOPUMPE KRAFTSTOFFPUMPE MIT KRAFTSTOFFROHREN ABGASKRUEM ER ABGASKRUEMMER ABGASKRUEMMER FUER FAHRZEUGE MIT KATALYSATOR ABGASKRUEMMER ABGASANLAGENOEBERSICHT ABGASANLAGENUEBERSICHT ABGASANLAGENUEBERSICHT ABGASANLAGENUEBERSICHT ABGASANLAGENUEBERSICHT HAUPTGRUPPE 2 KRAFTSTOFFBEHAELTER UND ROHRE ABGASANLAGE KJEHLAG REGATE MIT KUEWLMITTELKREISLAUF UNTER GRUPPE BILDTAFEL BENENNUNG MODELL BEMERKUNG KENNBUCHST ABGASROHR ABGASROHR FUER FAHRZEUGE MIT NACHGERUE t STETER ABGASREINJGUNGSANL 53 53 03 T eG SROHR VORN 1 3 1 6LTR VORN 1 3 1 6LTR VORN 1 6LTR 4 ZYLINOER EP JU DT DTP DIESEL JK 4 ZYtINDER EP DT 4 ZYLINOER RL PP KRAFTSTOFFBEHAELTER UND ROHRE ABGASANLAGE 2 002

Vorschau Passat Mod 87-88 Seite 34
Hinweis: Dies ist eine maschinenlesbare No-Flash Ansicht.
Klicken Sie hier um zur Online-Version zu gelangen.