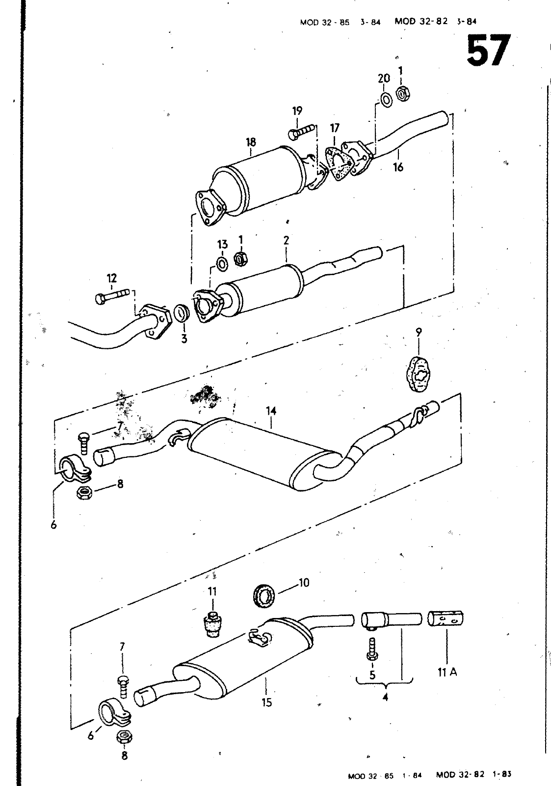
MOO 32 85 3 M MOD 32 82 5 84 2 0 r 1 11 A D ilE3 MOO 32 85 1 8 MOD 32 82 1 83 5 r10 0 12 0311 HAUPTGRUPPE 2 KRAFTSTOFFBEHAELTCR UND ROHRE ABGASANLAGE KUEHLAGGREGATE MIT KUEHLMITTELKREISLAUF BILD ERSATZTEILE NR BENENNUNG BEMERKUNG ST MODELL 1 2 3 4 5 6 6 7 8 9 10 1 1 1 1 12 1 3 1 4 M I 15 15 16 16 1 7 17 1 8 18 19 20 N 022 146 4 321 253 209 A 855 253 137 A 331 253 141 C N 010 210 7 191 N N 253 139 F 010 448 1 011 010 13 823 253 147 A 861 253 147 431 253 149 A 321 N N 321 253 149 A 010 345 5 011 670 11 2G3 409 A 323 253 409 A 321 253 609 D 323 253 609 323 253 301 A 323 253 301 A 025 2Sl 509 043 251 509 855 131 701 A 043 131 737 N 013 83Ö 2 443 131 701 N 010 332 4 N 01T 525 13 321 298 017 321 298 027 E KATALYSATOR ZWISCHENROHR VORSCHALLOAEMPFER MITTELSCHALLOAEMPFER NACHSCHALLDAEMPFER 2 0 2 23LTR 5 ZYLINDER JS HP KV KY KX SECHSKANTMUTTER SELBSTSICHERND VORSCHALLDAEMPFER EDELSTAHL I DIGH ßlNG RBGASROHRVERLAENGERUNG EDELSTAHL SECHSKANTSCHRAUBE ENTFALLEN ERSATZ SCHELLE SECHSKANTSCHRAUBE SECHSKANTMUTTER HALTERING HALTERING ANSCHLAGPUFFE GUMMIPUFFER SECHSKANTSCHRAUBE SCHEIBE MITTELSCHALLOAEMPFER MITTELSCHALLOAEMPFER EDELSTAHL NACHSCHALLDAEMPFER WCHSCHALLDAEMPFER EDELSA HLI ZWISCHEheOHR FUER FAHRZEUGE MIT NACHGERUE STETER ABGASREINIGUNGSANLAGE ZWISGHENROHR DICHTUNG FUER FAHRZEUGE MIT NACHGERUE STETER A8GASREINIGUNGSANLAGE DICHTUNG KATALYSATOR FUER FAHRZEUGE MIT NACHGERUE 5TETER ABGASREINIGUNGSANLAGE MITVERWENDEN VERSCHLUSSMUTTER DICHTRING KATALYSATOR SECHSKANTSCHRAUBE SCHEIBE KATALYSATOR NACHRUESTSATZ KATALYSATOR NACHRUESTSATZ 50 50 M6X10K 191 M 139F 54 5MM M10X48 MIO M8X45 88 4X24X2 043 131 737 N 8M2 A8X12 M8X32 A8 4 JS HP KV HY VARIANT VARIANT AUTOMATIC JS HP KV HY KX JS KV KX JS KV JS KV JS KV KX JS JS KV 57 0 12 033

Vorschau Passat Mod 87-88 Seite 347
Hinweis: Dies ist eine maschinenlesbare No-Flash Ansicht.
Klicken Sie hier um zur Online-Version zu gelangen.