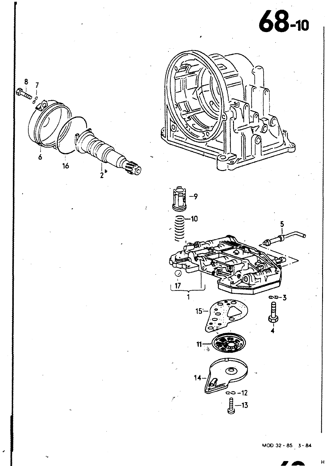
68 10 2k Tl D O Ss 10 Q 15 2 14 00 12 13 VOO 32 85 3 84 HAUPTGRUPPE 3 GETRIEBE BILD ERSATZTEILE NR BENENNUNG BEMERKUNG ST KENNBUeWST 087 325 037 N 087 325 041 8 N N 010 089 N N 003 003 010 N N 010 010 011 N 012 010 325 325 012 010 325 325 325 012 014 325 325 519 025 226 346 277 371 228 240 405 417 421 225 1 31 429 443 345 652 SCHIEBERKASTEN OELSIEB FUER AUTOMATICGETRIEBE 5 ZYLINDER SCHIEBERKASTEN OHNE REGLER KENNBUCHSTABE REGLER KENNBUCHSTABE FEDERSCHEIBE SECHSKANTSCHRAUBE HANDSCHIEBER DECKEL FEDERSCHEIBE SECHSKANTSCHRAUBE KOLBEN FUER AKKUMULATOR DRUCKFEDER OELSIEB FEDERSCHEIBE LINSENSCHRAUBE DECKEL FUER OELSIEB DICHTUNG FUER OELSIEB DICHTRING KUGEL FGB A B6 8M6X30 88X17X0 6 M8X20 B5X11X0 5 AM5X15 RBB RBE HAUPTGRUPPE 3 GETRIEBE 68 10

Vorschau Passat Mod 87-88 Seite 413
Hinweis: Dies ist eine maschinenlesbare No-Flash Ansicht.
Klicken Sie hier um zur Online-Version zu gelangen.