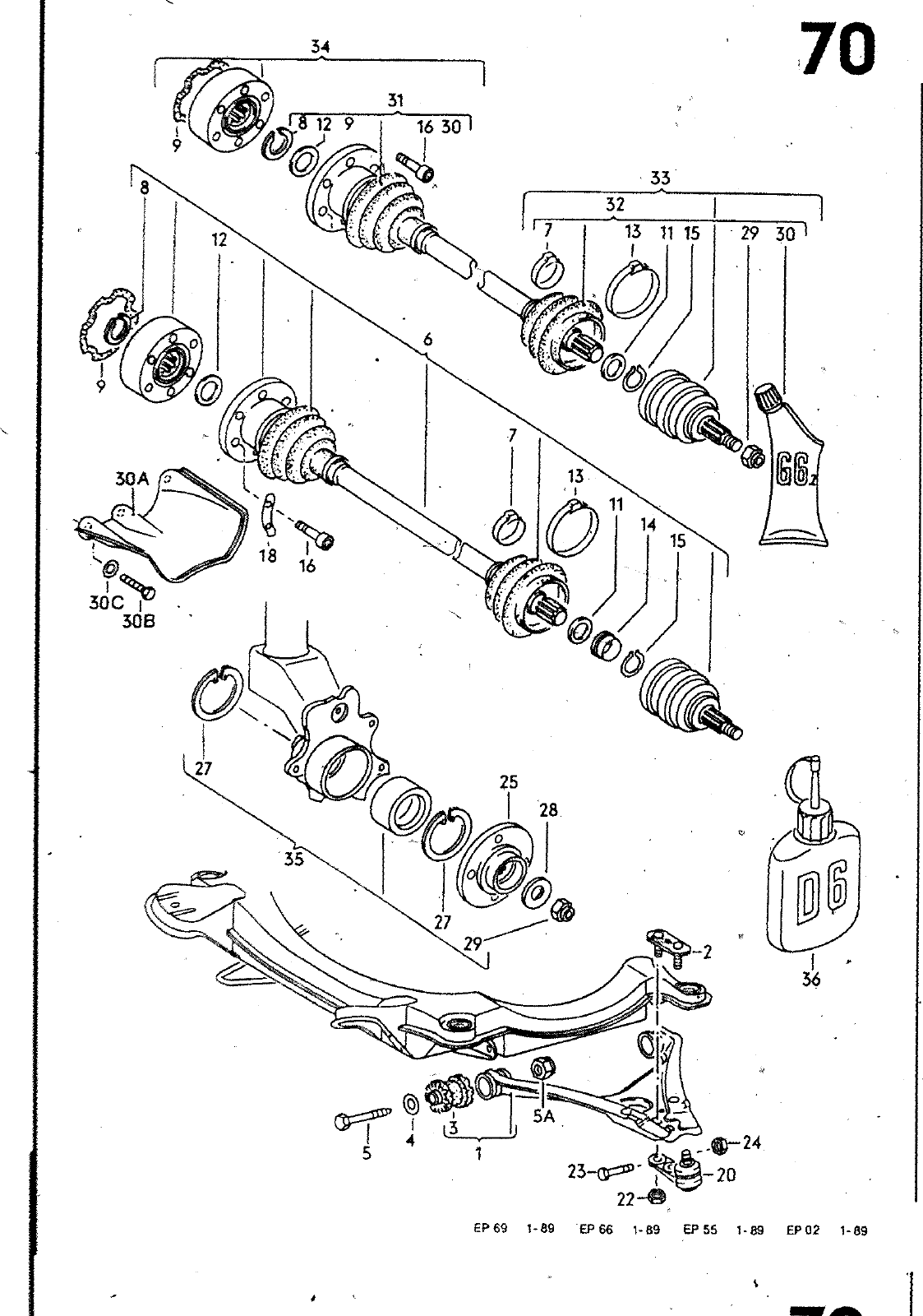
I 8 12 9 16 3ÖI 33 32 29 30 I 30A 30C 308 28 35 29 36 5A 23 B ag 20 24 22 EP 69 1 89 EP 66 1 89 EP 55 1 89 EP02 1 6 BILD ERSATZTEILE NR BENENNUNG BEMERKUNG MODELL ST KENNBUCHST 4 5 5A 16 6 6 7 8 1 1 12 112 13 14 15 16 18 20 20 20 22 23 24 25 27 28 29 811 407 147 B 857 407 147 A 857 407 148 A 811 407 175 A 857 407 175 611 407 181 A 857 407 181 N 011 527 8 N 903 276 01 N Ot 185 6 321 407 271 AJ 321 407 271 AM 321 407 272 RD 113 501 159 8 113 517 279 321 407 287 113 501 327 113 501 327 A 171 407 291 321 407 295 171 407 297 113 501 229 171 407 357 823 40f 365 ß55 407 365 855 407 366 A N 011 185 N 010 445 N 011 185 823 407 615 N 012 292 171 407 277 171 407 643 A OUERLENKER GELENKWELLE QUERLENKER OUERLENKER FUER FAHRZEUGE MIT SERVOLENKUNG OUERLENKER FUER FAHRZEUGE MIT SERVOLENKUNG SICHERUNGSBLECH SICHERUNGSBLECH FUER FAHRZEUGE MIT SERVOLENKUNG GUMMIMETALL LAGEM GUMMIMETALL LAGER FUER FAHRZEUGE MIT SERVOLENKUNG SCHEIBE SECHSKANTSCHRAUBE SECHSKANTMUTTER SELBSTSICHERND GELENKWELLE MIT GLEICHLAUFGELENK GELENKWELLE MIT GLEICHLAUFGELENK GELENKWELLE MIT GLEICHLAUFGELENK KLEMME SPRENGRING TELLERFEDER TELLERFEDER TELLERFEDER INNEN VERZAHNT KLEMME ANLAUFRING SPRENGRING ZTIINDERSCHRAUGE UNTERLEGPLATTE FUEHRUNGSGELENK FUEHRUNG5GELENK LINKS FUER FAHRZEUGE MIT SERVOLENKUNG FUEHRUNGSGELENK RECHTS FUER F HWZEUGE MIT SERVOLENKUNG SECHSKANTMUTTER SELBSTSICHERND SECHSKANTSCHRAUBE SECHSKANTMUTTER SELBSTSICHERND RADNABE SICHERUNGSRING SCHEIBE SECHSKANTMUTTER SELBSTSICHERND LINKS RECHTS A10 5X21X2 M10X75 MIO 90MM LINKS 90MM RECHTS 90MM 35X7 8 8 MM BM8X48 17MM MIO M10X45 MIO 68X 5 M20XlT 70 4 ZYLINDER EP DT DTA RL PP J RM KiCY DS J SJN JU AUTOMATIC AUTOMATIC D M OOll 30 31 G 000 602 321 498 201 A SCHMIERFETT GELENKSCHUTZHUELLE MIT 90G INNEN

Vorschau Passat Mod 87-88 Seite 423
Hinweis: Dies ist eine maschinenlesbare No-Flash Ansicht.
Klicken Sie hier um zur Online-Version zu gelangen.