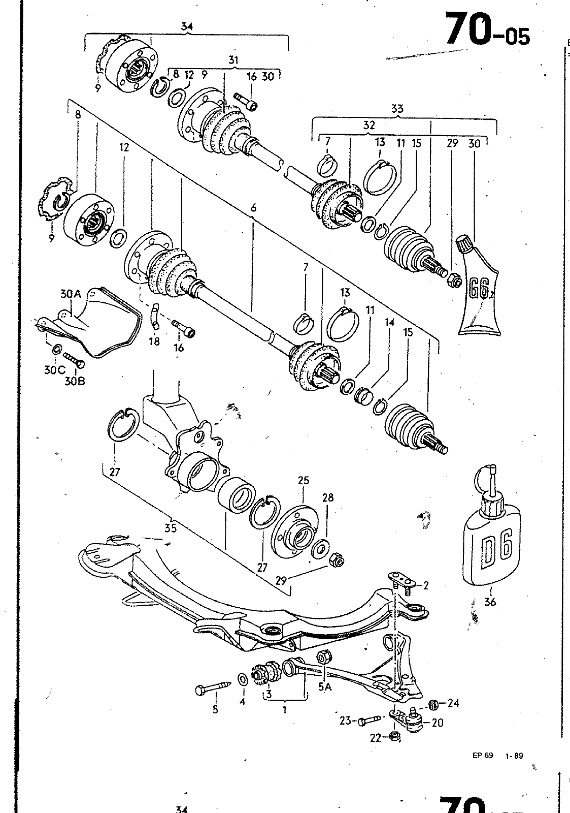
12 9 16 30 I 33 29 30 I 0 30A 30C 30B 25 35 2 36 5A 23 y3 22 34 Triril BILD ERSATZTEILE NR BENENNUNG BEMERKUNG MODELL ST KENNBUCHST 1 1 I 2 3 3 4 5 5A 6 6 16 6 61 6 7 8 8 9 191 11 12 12 1 3 131 14 15 IIS 16 16 18 18 20 811 407 147 B 857 407 147 A 857 407 148 A 811 407 175 A 857 407 175 811 407 181 A 857 407 181 N N N 321 011 527 8 903 276 01 011 185 6 407 271 AR 321 407 272 AB 321 407 271 AS 321 407 272 AC 855 407 271 855 407 272 803 407 293 113 517 279 N 012 374 1 k 431 407 309 k 443 407 309 A K 321 407 287 K 113 501 327 K 113 501 327 A 171 407 291 B K 803 407 291 321 407 295 A K 171 407 297 G K 803 407 297 113 501 229 C r N 900 972 01 211 501 35 431 407 3 7 8 823 407 365 E OUERLENKER GELENKWELLE OUERLENKER OUERLENKER FUER FAHRZEUGE MIT SERVOLENKUNG QUERLENKER FUER FAHRZEUGE MIT SERVOLENKUNG SICHERUNGSBLECH SICHERUNGSBLECH FUER FAHRZEUGE MIT SERVOLENKUNG GUMMIMETALL LAGER GUMMIMETALL LAGER FUER FAHRZEÜGE Mit SERVOLENKUNG SCHEIBE n SECHSKANTSCHRAUBE SECHSKANTMUTTER SELBSTSICHERND GELENKWELLE MIT GLEICHLAÜFGELENK GELENKWELLE MIT GLEICHLAÜFGELENK GELENKWELLE MIT GLEICHLAUFGELENK GELENKWELLE MIT GLEICHLAUFGELENK GELENKWELLE MIT GLEICHLAUFGELENK GELENKWELLE MIT GLEICHLAUFGELENK KLEMME SPRENGRING SICHERUNGSRING DICHTSCHEIBE DICHTUNG TELLERFEDER TELLERFEDER TELLERFEDER INNEN VERZAHNT KLEMME SCHLAUCHBINDER ANLAUFRING SPRENGRING SICHERUNGSRING ZYLINDERSCHRAUBE ZYLINDERSCHRAUBE MIT INNENVIELZAHNKOPF UNTERLEGPLATTE UNTERLEGPLATTE FUEHRUNGSGELENK LINKS RECHTS A10 5X21X2 M10X75 MIO LINKS 100MM RECHTS 100MM LINKS 100MM RECHTS 100MM LINKS 108MM RECHTS 108MM 36X9X1 28X1 5 90MM 94MM 88MM 94MM BM8X48 M10X48 17MM 5 ZYLINDER JS HP KX HY KV 70 05 JS HP KX JS HP KX AUTOMATIC AUTOMATIC HY KV HY KV HY KV JS HP KX HY KV HY KV HY KV HY KV HY KV D M 003 855 407 365 A 8SS IAA FUEHRUNGSGELENK LINKS FUER FAHRZEUGE MIT SERVOLENKUNG FUFHRUNGSGFIFNK RFCHTS

Vorschau Passat Mod 87-88 Seite 427
Hinweis: Dies ist eine maschinenlesbare No-Flash Ansicht.
Klicken Sie hier um zur Online-Version zu gelangen.