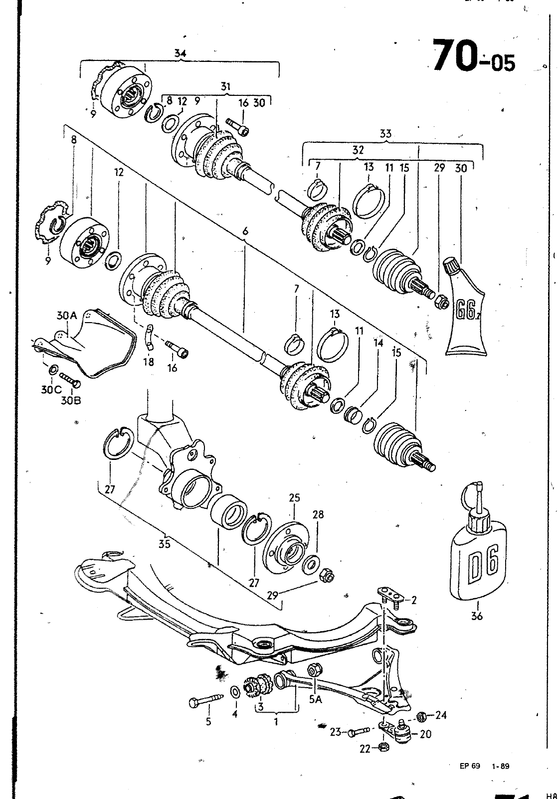
18 9 W 30 33 32 29 30 I 30A 30C r 30B 25 35 27 36 5A 23 y ß l 20 120 22 23 24 25 125 27 28 29 30 30 130 30A 30A 30B 30C 31 31 31 31 32 32 33 33 34 34 35 36 855 407 365 A 40 N 011 185 6 N 010 445 5 N 011 185 6 823 407 615 A 855 407 615 N Ö12 292 2 171 407 277 171 407 645 A G 000 602 G 000 622 G 000 633 855 407 721 855 407 722 N 010 239 11 N 011 525 13 321 498 201 C 321 498 201 C 191 498 201 443 498 201 8 321 498 203 A 443 498 203 8 321 498 099 C 855 498 099 A 855 498 099 B 321 498 103 B 321 498 103 8 321 498 103 D 431 498 103 C 321 498 625 0 0 000 600 FUEHRUNGSGELENK LINKS FUER FAHRZEUGE MIT SERVOLENKUNG FUEHRUNGSGELENK RECHTS FUER FAHRZEUGE MIT SERVOLENKUNG SECHSKANTMUTTER SELBSTSICHERND SECHSKANTSCHRAUBE SECHSKANTMUTTER SELBSTSICHERNO RADNABE RADNABE SICHERUNGSRING I SCHEIBE SECHSKANTMUTTER SELBSTSICHERNO SCHMIERFETT SCHMIERFETT HOCHTEMPERATURFETT FUER GLEICHLAUFGELENK ABSCHIRMBLECH ABSCHIRMBLECH SECHSKANTSCHRAUBE SCHEIBE GELENKSCHÜTZHUELLE MIT MONTAGETEILEN UND SCHMIERFETT GELENKSCHÜTZHUELLE MIT MONTAGETEILEN UND SCHMIERFETT GELENKSCHÜTZHUELLE MIT MONTAGETEILEN UNO SCHMIERFETT GELENKSCHÜTZHUELLE MIT MONTAGETEILEN UNO SCHMIERFETT GELENKSCHÜTZHUELLE MIT MONTAGETEILEN UND SCHMIERFETT GELENKSCHÜTZHUELLE MIT MONTAGETEILEN UNO SCHMIERFETT RAOWELLE AUSSEN MIT GELENK UNO MeNTAGE EILEN RADWELL5 AUßSEN MIT GELENK UND MONf ÜETEILEN F 3 J 299 998 RADWELLE AUSSEN MIT GELENK UNO MONTAGETEILEN F 3 J 299 999 GLEICHLAUFGELENK MIT GELENKSCHÜTZHUELLE MONTAGETEILEN UND SCHMIERFETT fMIl GELENKSCHUTZHUELLt MONTAGETEILEN UNO SCHMIERFETT GLEICHLAUFGELENK MIT GELENKSCHÜTZHUELLE MONTAGETEILEN UND SCHMIERFETT GLEICHLAUFGELENK MIT GELENKSCHÜTZHUELLE MONTAGETEILEN UND SCHMIERFETT RADLAGER MIT MONTAGETEILEN FLUESSIGES SICHERUNGSMITTEL MIO M10X45 MIO 68X2 5 M20X1 5 90G 120G INNEN 120G AUSSEN M8X18 A8l4 INNEN LINKS INNEN RECHTS INNEN INNEN AUSSEN AUSSEN LINKS INNEN RECHTS INNEN INNEN VORN 10ML 70 05 HY KV HY KV HY KV AUTOMATIC HY KV SCHALT GETRIEBE JS HP KX f AUTOMATIC AUTOMATIC HY KV JS HP KX HY KV JS HP KX HY KV HY KV SCHALT GETRIEBE JS HP KX AUTOMATIC JS HP KX AUTOMATIC JS HP KX 0 14 0041 HAUPTGRUPPE VORDERACHSE AUSGLEICHGETRIEBE LENKUNG

Vorschau Passat Mod 87-88 Seite 429
Hinweis: Dies ist eine maschinenlesbare No-Flash Ansicht.
Klicken Sie hier um zur Online-Version zu gelangen.