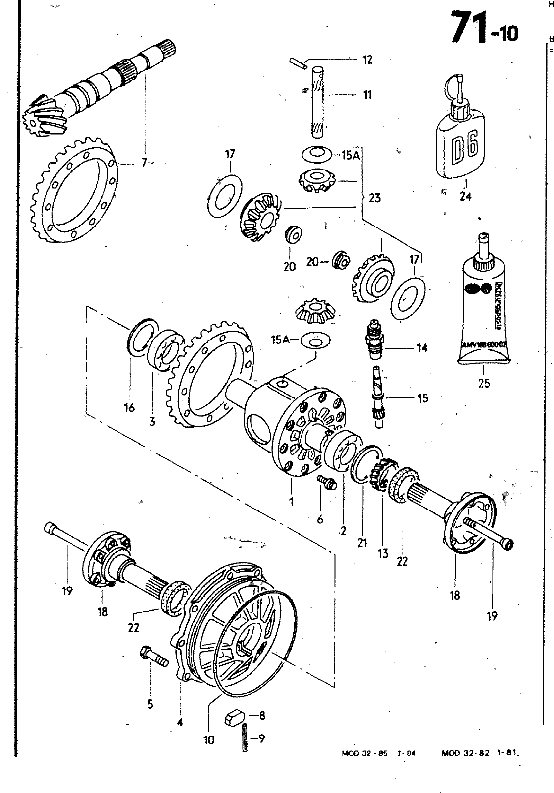
71 10 2 15Ä 24 O 15A g 14 25 15 22 M00 32 85 2 84 MOO 32 2 1 81 HAUPTGRUPPE VORDERACHSE AUSGLEICHGETRIEBE LENKUNG BILD ERSATZTEILE NR BENENNUNG BEMERKUNG ST KENNBUCHST 1 2 3 4 5 6 7 7 8 9 1 1 12 1 3 14 15 ISA 16 16 16 16 16 16 16 16 16 16 16 1 7 17 17 17 17 17 18 18 19 20 21 211 211 21 211 21 1211 22 23 24 25 088 016 1 1 3 088 N N 088 093 093 084 N 005 N 016 014 088 091 1 1 3 13 1 1 3 113 1 1 3 113 113 1 1 3 1 1 3 1 1 3 1 1 3 01 1 088 088 088 088 088 088 016 088 3087 018 018 018 018 018 018 018 018 090 0 AMV 409 121 B 409 123 517 185 C 409 131 C 010 247 8 011 670 11 409 T35 409 143 409 143 301 143 CU3 344 409 177 011 319 1 409 187 409 193 A 409 197 517 189 517 201 A 517 202 A 517 203 A 517 204 A 517 205 A 517 206 A 517 207 A 517 208 A 517 209 A 517 210 A 5 7 211 A 519 215 409 249 409 249 A 409 249 8 409 249 C 409 249 0 409 355 C 409 355 409 359 409 373 409 381 409 383 409 385 409 387 409 389 409 391 409 393 409 399 598 081 000 600 188 200 03 AUSGLEICHGETRIEBE TRIEBSATZ I FUER 5 GANG SCHALTGETRIEBE 5 ZYLINDER AUSGLEICHGEHAEUSE KEGELROLLENLAGER KEGELROLLENLAGER DECKEL FUER ACHSANTRIEB SECHSKANTSCHRAUBE SCHEIBE SECHSKANTSCHRAUBE TRIEBSATZ TRIEBSATZ MAGNET SPANNHUELSE AUSGLEICHKEGELRADACySE SPANNHUELSE ANTRIEBSRAD GESCHW MESSER FOEHRUNG FUER RITZEL RITZEL GESCHW MESSER ANLAUFSCHEIBE EINSTELLSCHEIBE EINSTELLSCHEIBE EINSTELLSCHEIBE EINSTELLSCHEIBE EINSTELLSCHEiBE EINSTELLSCHEIBE EINSTELLSCHEIBE EINSTELLSCHEIBE EINSTELLSCHEIBE EINSTELLSGHfTBlE EINSTELLSCHEIBE ANLAUFSCHEIßE ANLAUFSCHEIBE ANLAUFSCHEIBE ANLAUFSCHEIBE ANLAUFSCHEIBE ANLAUFSCHEIBE FLANSCHWELLE FLANSCHWELLE SCHRAUBE MUTTER y PASSSCHEIBE PASSSCHEIBE PASSSCHEIBE PASSSCHEIBE PASSSCHEIBE PASSSCHEIBE PASSSCHEIBE WELLENDICHTRING 1 SATZ AUSGLEICHKEGELRAEDER FLUESSIGES SICHERUNGSMITTEL DICHTUNGSPASTE FUER GETRIEBEGEHAEUSETRfhNFLAECHE M8X35 88 4X24X2 M10X1X18 49 10 47 10 4X30 5X36 0 15 0 2 0 3 0 4 0 5 0 6 0 7 0 8 0 9 1 1 2 0 5 0 6 0 7 0 8 0 9 1 100 108 0 15 0 2 0 25 0 5 0 8 1 1 5 10ML 100G HD ABT ABV ABV HD ABT ABT ABV HD 71 10 0 14 0061

Vorschau Passat Mod 87-88 Seite 433
Hinweis: Dies ist eine maschinenlesbare No-Flash Ansicht.
Klicken Sie hier um zur Online-Version zu gelangen.