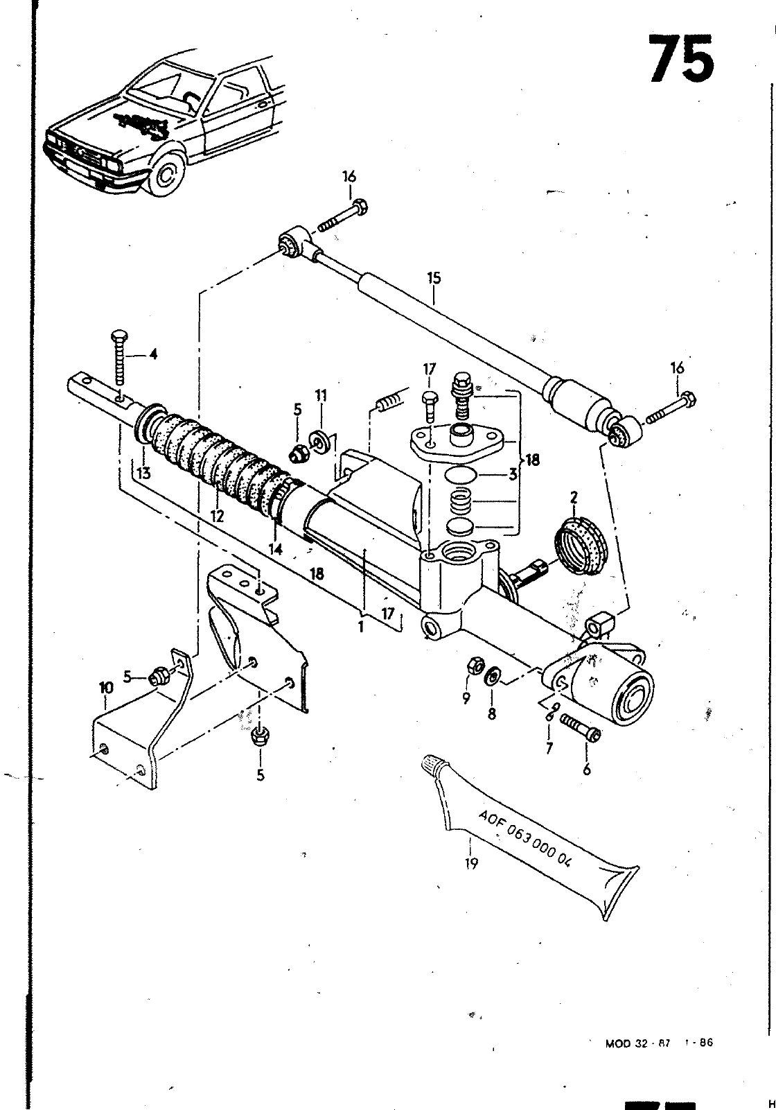
MOD 32 87 I 86 HAUPTGRUPPE VORDERACHSE AUSGLEICHGETRIEBE LENKUNG BILD ERSATZTEILE NR BENENNUNG BEMERKUNG ST MODELL 9 10 dO 11 12 1 3 14 15 16 17 18 811 419 063 F 311 419 063 H 811 419 063 H 812 419 063 F N 900 619 01 811 419 36 N 011 185 6 N 014 713 2 N 012 241 11 113 301 193 N 022 146 4 811 419 407 812 419 407 N 901 797 02 811 419 831 8 81 1 419037 861 419 845 A 321 N N 425 021 OtO 440 010 241 811 498 061 AOF 063 000 04 LENKGETRIEBE LENKUNGSOAEMPFER LENKGETRIEBE LENKGETRIEBE LENKGETRIEBE LENKGETRIEBE DICHTRING PASSSCHRAUBE SECHSKANTMUTTER SELBSTSICHERND ZYLINOERSCHRAUBE MIT INNENSECHSKANTKOPF FEDERSCMEIBE SCHEIBE SECHSKANTMUTTER SELBSTSICHERND HALTER FUER LENKUNGSOAEMPFER HALTER FUER LENKUNGSOAEMPFER SCHEIBE SCHUTZHUELLE HALTERING SCHLAUCHBINDER LENKUNGSOAEMPFER SECHSKANTSCHRAUBE SECHSKANTSCHRAUBE 1 SATZ EINSTELLTEILE FUER LENKGETRIEBE LENKGETRIEBEFETT LLKG LLKG RLKG 32X2S MIO M8X35 B8X15X0 E VM8 LLKG RLKG 10 5X26X4 M10X40 M8X22 250G SCHALT GETRIEBE 4 ZyLINDER SCHALT GETRIEBE 5 ZYLINDER AUTOMATIC D W 019 HAUPTGRUPPE 4 VORDERACHSE AUSGLEICHGETRIEBE LENKUNG

Vorschau Passat Mod 87-88 Seite 451
Hinweis: Dies ist eine maschinenlesbare No-Flash Ansicht.
Klicken Sie hier um zur Online-Version zu gelangen.